Foram encontradas 480 questões.
Um sistema de medição de média tensão utiliza dois transformadores de potencial (TP) em conexão V/V para medir a tensão primária da rede de alimentação. A relação de transformação de cada transformador é de 120:1. Se a tensão secundária medida entre duas fases é de 110 V, a tensão de linha primária será de:
Provas
Nas redes aéreas de distribuição em média tensão, o dispositivo responsável por limitar o nível de sobretensão em casos de descargas atmosféricas é:
Provas
A instalação de bancos de capacitores em redes de média tensão apresentam por finalidade
Provas
Disciplina: Segurança e Saúde no Trabalho (SST)
Banca: VUNESP
Orgão: CODEN
Para ser considerada adequada às atividades laborais, a vestimenta do trabalhador em eletricidade deve contemplar quais características?
Provas
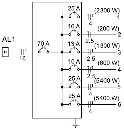
Considere o seguinte diagrama unifilar de um quadro de distribuição:

A respeito do diagrama, é correto afirmar:
Provas
Considere a figura a seguir, que representa a curva de disparo de disjuntores termomagnéticos.

Para proteger adequadamente o circuito alimentador de um motor trifásico que opera com corrente nominal de 55 A, Fator de Potência igual a 0,85 e apresenta relação Ip/In igual a 8, o disjuntor mais adequado dentre as alternativas a seguir é:
Provas
A emissão de títulos pelo Tesouro Nacional e pelo Banco Central do Brasil que contempla os valores que estão em poder do mercado ou em carteira no Banco Central contribui para
Provas
O servidor público com atitude transparente, que transmite confiança, honestidade e segurança ao prestar informações e orientações ao usuário, dado o conhecimento de suas atividades e atribuições, apresenta a regra do atendimento com excelência denominada
Provas
De acordo com a Constituição Federal, é necessária lei complementar para
Provas
Assinale a alternativa correta a respeito do controle de constitucionalidade.
Provas
Caderno Container