Foram encontradas 480 questões.
Ao entrar em uma curva com velocidade excessiva, em pista seca, um condutor poderá perder o controle do veículo em função
Provas
A figura mostra um equipamento instado no sistema de freio pneumático dos veículos pesados, que tem a função de

Provas
A válvula termostática instalada em um veículo automotor tem a função de
Provas
Assinale a alternativa que apresenta fatores que podem levar à baixa pressão de óleo do motor ciclo Diesel
Provas
Quanto aos sistemas de lubrificação de máquinas, é correto afirmar que os mais comuns são por
Provas
Considerando os elementos de máquinas, podemos citar 3 tipos básicos de arruelas:
Provas
No programa AutoCAD, o comando ilustrado a seguir é usado para mover figuras.

Esse comando é denominado de
Provas
No programa AutoCAD, o comando ilustrado a seguir é usado para apagar linhas que se cruzam.

Esse comando é denominado
Provas
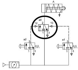
Analise a figura:

A figura representa o sistema pneumático duplo piloto positivo, no qual encontramos a válvula em destaque, que é chamada de
Provas
Considere a bomba apresentada:

Essa bomba possui o mesmo princípio de funcionamento das bombas de engrenagens de dentes externos, com a diferença de que seu deslocamento é maior. Ela é denominada bomba de
Provas
Caderno Container