Foram encontradas 868 questões.
1278944
Ano: 2019
Disciplina: TI - Desenvolvimento de Sistemas
Banca: DIRENS Aeronáutica
Orgão: CIAAR
Disciplina: TI - Desenvolvimento de Sistemas
Banca: DIRENS Aeronáutica
Orgão: CIAAR
Provas:
Analise o código a seguir na linguagem C.
int questao(tipo_x *x, int valor){
int retorno = 0;
if (x->fim<TAM_X){
x->fim++;
x->x[x->fim]=valor;
retorno = 1;
}else{
printf("cheio!");
}
return retorno;
}
Sobre a funçã o desse código, é correto afirmar que ele
Provas
Questão presente nas seguintes provas
É correto afirmar que o valor do Vond (Tensão de ondulação) de um retificador de onda completa, de maneira que, para uma tensão eficaz no secundário do transformador de 12v, obtenhamos na carga uma tensão média de 16v, é
Provas
Questão presente nas seguintes provas
O giro dos estoques é a quantidade consumida, em determinado período, do estoque mantido na farmácia. Em um determinado serviço de saúde, o valor do estoque no fechamento do mês de março foi de R$1.500.000,00 e o valor do consumo neste mesmo mês foi de R$2.000.000,00.
Qual o giro de estoque em dias?
Provas
Questão presente nas seguintes provas
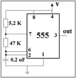
Analise o circuito a seguir.

Fonte: Arquivo da Banca Elaboradora.
Qual a frequência correta do sinal produzido pelo circuito?
Provas
Questão presente nas seguintes provas
O aborto é um tema polêmico, que muitas vezes não é discutido no âmbito da saúde pública. A falta de planejamento e de treinamento para os profissionais da saúde em relação a essa prática leva a um quadro de assistência precária à saúde das mulheres, aumentando a mortalidade e a morbidade para aquelas que realizam o abortamento.
Na assistência de enfermagem para uma mulher, que está com 17 semanas de gestação e apresenta um quadro de abortamento incompleto e inévitável, a conduta correta tomada pela equipe de saúde é
Provas
Questão presente nas seguintes provas
Qual dos seguintes agonistas de opioide não é biotransformado em um agente ativo com atividade analgésica?
Provas
Questão presente nas seguintes provas
A dengue é uma doença infecciosa provocada por um vírus da família Flaviviridae, genoma de RNA, está relacionada às condições sociais da população e com os descuidos no armazenamento ou no descarte de produtos que podem acumular água.
A respeito da dengue, avalie as afirmações a seguir.
I. O vírus da dengue apresenta quatro sorotipos.
II. A soroconversão confirma a infecção pelo vírus da dengue.
III. Os métodos imunológicos para a detecção de componentes antigênicos do vírus são padronizados para serem utilizados na fase precoce da infecção.
IV. Os anticorpos IgG podem apresentar títulos significativamente elevados na fase primária da doença, em decorrência de nova infecção provocada por outro sorotipo do vírus.
Está correto apenas o que se afirma em
Provas
Questão presente nas seguintes provas
781402
Ano: 2019
Disciplina: Legislação Específica das Agências Reguladoras
Banca: DIRENS Aeronáutica
Orgão: CIAAR
Disciplina: Legislação Específica das Agências Reguladoras
Banca: DIRENS Aeronáutica
Orgão: CIAAR
Provas:
O Artigo 312 da RDC nº. 17 da Agência Nacional de Vigilância Sanitária (ANVISA) dispõe sobre a obrigatoriedade da existência de sistemas de tratamento de ar adequado aos produtos manipulados.
É prerrogativa essencial a esse sistema de tratamento de ar implementado na área citada a/o
Provas
Questão presente nas seguintes provas
Leia, a tirinha a seguir.

(Disponível em: <https://www.institutonetclaroembratel.org.br/educacao/para-ensinar/planos-de-aula/vozes-verbais/> Acesso em 11 fev.
2019.)
Considerando a relação que o sujeito mantém com o verbo, está correto afirmar que, no primeiro quadrinho, a voz verbal é
Provas
Questão presente nas seguintes provas
A reologia compreende as condições de movimentos dos líquidos e de deformação dos sólidos.
Estudos reológicos são fundamentais no desenvolvimento de medicamentos; nesse sentido analise a figura a seguir.

(Fonte: PRISTA, Luís Vasco Nogueira et al. Tecnologia Farmacêutica. 8. ed. Lisboa: Fundação Calouste Gulbenkian, 2011. v. 1,
p.690.)
Em relação ao comportamento das substâncias, é correto afirmar que a curva
Provas
Questão presente nas seguintes provas
Cadernos
Caderno Container