Foram encontradas 868 questões.
No MARC os campos consistem em uma porção de registro bibliográfico, normalmente de tamanho variável, divididos de forma lógica, destinando-se um campo para autor, um campo para informação do título e assim por diante.
Posto isto, avalie os itens dos campos do MARC21 e as descrições correspondentes.
I. Campo 20 - International Standard Book Number.
II. Campo 111 - Título Uniforme.
III. Campo 600 - Assunto / Nome pessoal.
IV. Campo 776 - Entrada de suporte/Forma Física Adicional (R)
Está correto apenas o que se afirma em
Provas
Questão presente nas seguintes provas
A Odontopediatria engloba diversos conhecimentos tanto da área Odontológica quanto da Psicologia.
Pensando no manejo correto da criança no consultório odontológico, é correto afirmar que
Provas
Questão presente nas seguintes provas
A literatura relata que os pacientes com doença de Crohn podem desenvolver perda de peso e subnutrição, sendo descritas diversas lesões.
Sobre a doença de Crohn, é correto afirmar que
Provas
Questão presente nas seguintes provas
No que se refere à classificação dos bens, conforme determinado no Código Civil Brasileiro, é correto afirmar que
Provas
Questão presente nas seguintes provas
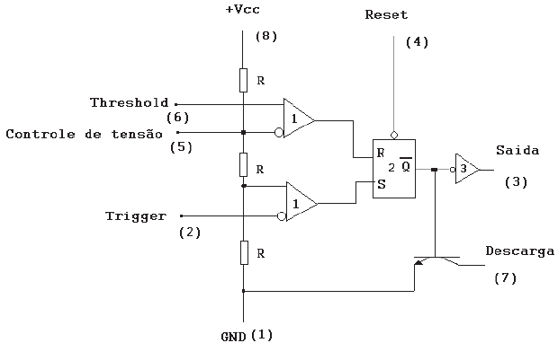
O esquema elétrico a seguir representa um circuito integrado muito versátil, de fácil utilização e, por isso, ainda hoje é utilizado em diversas aplicações na área da eletrônica.

Fonte: Arquivo da Banca Elaboradora.
É correto afirmar que o esquema demonstrado representa o circuito integrado
Provas
Questão presente nas seguintes provas
A respeito da revascularização pulpar em dentes com rizogênese incompleta, é incorreto afirmar que
Provas
Questão presente nas seguintes provas
O Governo, de acordo com a Lei nº 8.666, de 21 de junho de 1993, possui diretrizes e critérios para aquisição de bens e serviços.
Dessa forma, associe corretamente a modalidade de licitação ao seu respectivo exemplo.
MODALIDADES DE LICITAÇÕES
(1) Concurso
(2) Concorrência
(3) Tomada de preços
(4) Leilão
(5) Convite
EXEMPLOS
(...) Comprovam possuir os requisitos mínimos de qualificação exigidos no edital para execução de seu objeto.
(...) Para a venda de bens móveis inservíveis para a administração ou de produtos legalmente apreendidos ou penhorados.
(...) Em número mínimo de três pela unidade administrativa, a qual afixará, em local apropriado, cópia do instrumento convocatório.
(...) Quaisquer interessados para escolha de trabalho técnico, científico ou artístico, mediante a instituição de prêmios ou remuneração aos vencedores.
(...) É a modalidade de licitação entre interessados devidamente cadastrados ou que atenderem a todas as condições exigidas para cadastramento até o terceiro dia anterior.
A sequência correta é
Provas
Questão presente nas seguintes provas
As organizações podem desenvolver pessoas, como também podem reter talentos. Em ambos os casos, há uma dependência das ações de sistemas de atrair recursos humanos do mercado de recursos humanos.
Sobre as atividades de recrutamento, é correto afirmar que
Provas
Questão presente nas seguintes provas
Segundo Cunha Filho (2014), o copyleft é uma extensão das quatro liberdades básicas definidas pela Free Software Foundation para garantir os direitos autorais do desenvolvedor tornando um programa livre para que assim todas as versões modificadas e as extensões do programa também sejam livres.
A respeito da importância do software livre e a liberdade de acesso aos códigos fonte do programa, avalie as afirmativas a seguir.
I. A licença GNU LGPL é o maior exemplo de software proprietário.
II. O copyleft garante a liberdade de qualquer usuário utilizar o software de forma livre.
III. A redistribuição de um software copyleft garante a manutenção da licença para o próximo desenvolvedor.
IV. O copyleft garante ao desenvolvedor a redistribuição do software sem necessidade de citação dos autores anteriores.
É correto apenas o que se afirma em
Provas
Questão presente nas seguintes provas
O Triode for Alternating Current (TRIAC) é um componente eletrônico membro da família dos tiristores. Teoricamente pode ser considerado como um componente obtido pela ligação de dois SCR em oposição, tendo em comum um eletrodo de disparo.
Em um circuito, o que deve ser corretamente feito para que um (TRIAC) deixe de conduzir?
Provas
Questão presente nas seguintes provas
Cadernos
Caderno Container