Foram encontradas 900 questões.
A questão refere-se ao texto e à figura a seguir.
As depressões dos relevos nos permite interpretar os acidentes geográficos do terreno e podem ser representadas conforme a figura abaixo.

Percorrendo o alinhamento no sentido de B para A, qual a diferença de nível entre a primeira e a quarta curva de nível (unidade em m)?
Provas
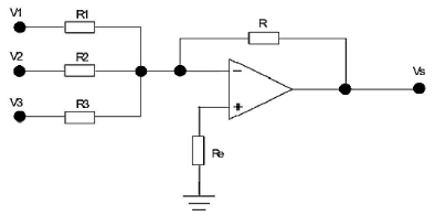
Considerando R1=R2=R3=R, a equação de saída do circuito é:

Provas
Preencha as lacunas abaixo e, em seguida, assinale a alternativa correta.
Em uma prótese total fixa sobre implantes, a extensão distal dos pônticos em balanço (cantilévers) não deve ser que 1,5 vezes a distância do centro do implante mais até a linha que tangencia o bordo distal dos dois implantes mais .
Provas
A hidrofilia em um material de moldagem afeta diretamente
Provas
Segundo a Farmacopeia Brasileira, um comprimido orodispersível é aquele que
Provas
Provas
Provas
Provas
O coração funciona como uma bomba, cuja função é fornecer a energia necessária para o metabolismo nos tecidos, entregando ao corpo (e ao próprio coração) o sangue oxigenado adequado. A reabilitação cardíaca é multidisciplinar, começa no hospital e se estende indefinidamente pela fase de manutenção. Com relação às fases de reabilitação no infarto do miocárdio, segundo a American Association of Cardiovascular and Pulmonary Rehabilitation, marque a alternativa incorreta.
Provas
- Protocolos e ServiçosInternet e EmailHTTP: Hyper Text Transfer Protocol
- Protocolos e ServiçosInternet e EmailPOP3: Post Office Protocol 3
A maneira como as máquinas se comunicam em uma rede de computadores está ligada ao tipo de protocolo que está sendo utilizado. Como exemplo, para comunicação via e-mail, como envio e recebimentos, o POP (Post Office Protocol), SMTP (Simple Mail Transfer Protocol) e o IMAP (Internet Message Access Protocol) podem ser utilizados, assim como para transferência de arquivos o FTP (File Transfer Protocol) é o mais utilizado. Todos os usuários da Internet utilizam o protocolo HTTP (Hypertext Transfer Protocol) para realizarem o acesso a qualquer site da web. Assim como existem os protocolos, eles também são associados a algumas portas específicas, mas lembrando que em um gerenciamento de rede, pode ser feito um redirecionamento dessas portas e serviços, como medida de segurança. Algumas portas já atribuídas por padrão, como a porta 21 para o FTP, a porta 22 para o SSH, e assim por diante. Um protocolo utilizado para controle de player de mídia é o RTSP (Real Time Streaming Protocol), que também tem uma porta padrão atribuída. Assinale a alternativa correta referente à porta padrão atribuída ao protocolo RTSP.
Provas
Caderno Container