Magna Concursos

Foram encontradas 900 questões.

1402668 Ano: 2015
Disciplina: Odontologia
Banca: DIRENS Aeronáutica
Orgão: CIAAR
Provas:

Após um traumatismo dental e de acordo com a natureza do trauma, pode-se ter algumas consequências e alterações pulpares como as reabsorções radiculares. Marque a alternativa correta.

 

Provas

Questão presente nas seguintes provas
1402579 Ano: 2015
Disciplina: Odontologia
Banca: DIRENS Aeronáutica
Orgão: CIAAR
Provas:

A raspagem subgengival e o alisamento radicular são muito mais complexos e difíceis de realizar do que a raspagem supragengival. Como deve ser o apoio digital para raspagem do sextante superior posterior direito, somente região dos pré-molares, face vestibular?

 

Provas

Questão presente nas seguintes provas
1402555 Ano: 2015
Disciplina: Engenharia Eletrônica
Banca: DIRENS Aeronáutica
Orgão: CIAAR

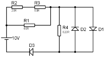
De acordo com o circuito apresentado pela figura abaixo, a corrente que circula por R4 é definida como

(Considere a barreira de potencial dos diodos igual a 0,7V.)

Enunciado 1402555-1

 

Provas

Questão presente nas seguintes provas
1402502 Ano: 2015
Disciplina: Enfermagem
Banca: DIRENS Aeronáutica
Orgão: CIAAR
Provas:
Um dos objetivos no tratamento inicial da lesão cerebral decorrente do Acidente Vascular Encefálico (AVE) isquêmico é reduzir a lesão isquêmica da área vizinha que sofreu o infarto cerebral através da oferta adequada de oxigênio, de glicose e um fluxo sanguíneo adequado. Um dos métodos utilizados no monitoramento da eficácia do tratamento é a saturação de oxigênio no bulbo venoso jugular (SjO2), cujos valores normais de referência que podem ser considerados estão aproximadamente entre
 

Provas

Questão presente nas seguintes provas
1402494 Ano: 2015
Disciplina: TI - Redes de Computadores
Banca: DIRENS Aeronáutica
Orgão: CIAAR
O IPv4 ( Internet Protocol version 4), ou Protocolo de Internet versão 4, é um endereço que toda máquina conectada a uma rede de computadores possui, que pode ser atribuído dinamicamente, através do servidor, com o uso do protocolo DHCP, ou ser configurado estaticamente, por um usuário ou mesmo alguém com conhecimento para essa atividade, e que tenha autorização para fazê-lo. É formado por quatro octetos, possui 32 bytes de tamanho e é dividido em classes. Assinale a alternativa correta referente a um IP da classe D.
 

Provas

Questão presente nas seguintes provas
1402465 Ano: 2015
Disciplina: Estatuto do Idoso - Lei 10.741/2003
Banca: DIRENS Aeronáutica
Orgão: CIAAR
Provas:
A Lei nº 10.741/2003 (Estatuto do Idoso) estabelece que é obrigação do Estado e da sociedade assegurar à pessoa idosa a liberdade, o respeito e a dignidade, como pessoa humana e sujeito de direitos civis, políticos, individuais e sociais, garantidos na Constituição e nas leis. O direito à liberdade pode compreender alguns aspectos como:
I. opinião e expressão.
II. crença e culto religioso.
III. participação na vida familiar e comunitária.
IV. gratuidade integral e incondicional em quaisquer meios de transporte de propriedade pública ou privada de natureza comercial.
V. faculdade de buscar refúgio, auxílio e orientação.
Os aspectos enumerados anteriormente que realmente estão compreendidos pelo direito à liberdade, de acordo com o Estatuto do Idoso são apenas
 

Provas

Questão presente nas seguintes provas
1402412 Ano: 2015
Disciplina: Engenharia Mecânica
Banca: DIRENS Aeronáutica
Orgão: CIAAR

Uma barra de um compósito reforçado com fibras contínuas e alinhadas longitudinalmente consiste em 25% em volume de fibra com módulo de elasticidade 420 GPa e 75% em volume de uma resina com módulo de elasticidade 10 GPa. A área da seção transversal da barra é igual a 50 mm. Aplica-se na direção longitudinal desta barra uma tensão de 15 MPa que gera simplesmente deformações elásticas nas fibras e na matriz. Nessas condições, as cargas longitudinais, em N, suportadas pelas fibras e pela matriz são, respectivamente:

 

Provas

Questão presente nas seguintes provas
1402395 Ano: 2015
Disciplina: Odontologia
Banca: DIRENS Aeronáutica
Orgão: CIAAR
Provas:

A remoção química-mecânica do tecido cariado é uma realidade no contexto de promoção de saúde. De acordo com o exposto, marque a alternativa correta.

 

Provas

Questão presente nas seguintes provas
1402387 Ano: 2015
Disciplina: Pedagogia
Banca: DIRENS Aeronáutica
Orgão: CIAAR
Provas:
Segundo Libâneo (2004, p. 120), o estudo da escola como organização de trabalho não é novo; há toda uma pesquisa sobre administração escolar que remonta aos pioneiros da Educação Nova, nos anos 30, do século anterior. Com base nos estudos existentes no Brasil sobre a organização e gestão escolar e nas experiências levadas a efeito nos últimos anos, é possível apresentar, de forma diferenciada, três das concepções de organização e gestão. Relacione-as com as características citadas a seguir. (Os números serão utilizados mais de uma vez).
(1) Técnico-científica
(2) Autogestionária
(3) Democrático-participativa
( ) comunicação linear baseada em normas e regras.
( ) ênfase nas inter-relações mais do que nas tarefas.
( ) a gestão é participativa mas espera-se, também, a gestão da participação.
( ) prescrição detalhada de funções, acentuando-se a divisão técnica do trabalho escolar.
( ) decisões coletivas, eliminação de todas as formas de exercício de autoridade e poder.
( ) definição explícita de objetos sociopolíticos e pedagógicos da escola pela equipe escolar.
( ) ênfase na auto-organização do grupo de pessoas da instituição, por meio de eleições e alternância no exercício de funções.
( ) acompanhamento e avaliação sistemáticos com finalidade pedagógica: diagnóstico, acompanhamento dos trabalhos, reorientação dos rumos e ações, tomada de decisões.
A sequência está correta em
 

Provas

Questão presente nas seguintes provas
1402342 Ano: 2015
Disciplina: Odontologia
Banca: DIRENS Aeronáutica
Orgão: CIAAR
Provas:

Os principais elementos responsáveis pela doença periodontal são os fatores locais, ou seja, os agentes situados sobre os dentes. Informe se as alternativas abaixo são verdadeiras (V) ou falsas (F) e, em seguida, assinale a alternativa que apresenta a sequência correta.

( ) A placa bacteriana (biofilme bacteriano), constituída por micro-organismos de diferentes espécies, são fatores determinantes da doença periodontal.

( ) O contorno das restaurações e o respirador bucal são fatores predisponentes da doença periodontal.

( ) Os aparelhos ortodônticos e o traumatismo oclusal são fatores modificadores da doença periodontal.

( ) A gravidez e a anatomia do periodonto de proteção são fatores predisponentes da doença periodontal.

 

Provas

Questão presente nas seguintes provas