Foram encontradas 749 questões.
ll. conhecer e atuar a partir da realidade.
lll. estabelecer o estado de necessidade no sujeito pelo objeto de conhecimento da questão.
Provas
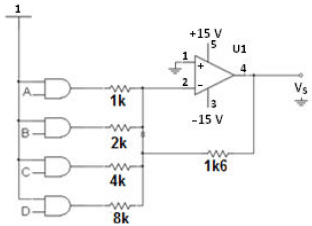
O amplificador operacional AOP possui inúmeras aplicações, tanto para circuitos analógicos quanto para circuitos digitais.

De acordo com a figura, determine o valor da tensão de saída, em V, quando os valores em A, B, C e D forem iguais a 1011. (Considere: estes valores são níveis de tensão TTL, portanto, 5 V para 1, e 0 V para 0; MSB = A; LSB = D.)
Provas
Disciplina: TI - Sistemas Operacionais
Banca: DIRENS Aeronáutica
Orgão: CIAAR
Provas
A ter a pia periodontal-protética visa a interrupção e a progressão da doença periodontal, assim como redefine a arquitetura óssea e gengival num nível mais apical, segundo Fradeani & Barducci (2009). Com base no exposto, analise as afirmativas.
I. Os defeitos periodontais nos quadrantes posteriores geralmente envolvem a furca. Nestes casos, a terapia com enxertos ósseos e regeneração tecidual guiada, devem ser utilizadas como primeira escolha.
II. A terapia periodontal ressectiva permite que algumas raízes sejam preservadas, sendo indicada em molares com defeitos periodontais.
III. Quando o paciente tiver que fazer cirurgias perodontais na região dos dentes anteriores e dos dentes posteriores, as cirurgias dos dentes posteriores serão realizadas primeiro, permitindo uma menor maturação tecidual.
IV. A realização de procedimentos de moldagem nos dentes submetidos à terapia cirúrgica periodontal só devem ser realizados, no mínimo, 3 a 4 meses depois do reembasamento da restauração provisória.
Estão corretas somente as afirmativas
Provas
Provas
Provas
Provas
O diagnóstico periodontal é determinado após uma análise cuidadosa do histórico do caso e da avaliação de sinais e sintomas clínicos, assim como o resultado de vários testes, como o de mobilidade dentária. É correto afirmar que
Provas
Disciplina: Administração Financeira e Orçamentária
Banca: DIRENS Aeronáutica
Orgão: CIAAR
Provas
O diagnóstico laboratorial das infecções por Giardia spp. é feito tradicionalmente pelo exame microscópico de fezes, e baseia-se na identificação das formas evolutivas. Sobre esta metodologia, informe se é verdadeiro (V) ou falso (F) o que se afirma abaixo. A seguir, assinale a alternativa que apresenta a sequência correta.
( ) Em fezes diarreicas predomina a forma de cistos do parasita.
( ) Indivíduos parasitados não eliminam cistos de forma contínua.
( ) O uso de substâncias fixadoras, como o formol a 10%, preserva a estrutura de trofozoítos que perecem rapidamente.
Provas
Caderno Container