Foram encontradas 186 questões.
Com base nos preceitos do direito penal, assinale a opção correta.
Provas
Questão presente nas seguintes provas
Assinale a opção correta com base nos ensinamentos do direito penal.
Provas
Questão presente nas seguintes provas

A figura acima ilustra esquematicamente o teste de desempenho de um ventilador no qual a vazão de ar é determinada por meio de um tubo de Pitot. Em relação a essa aplicação, assinale a opção correta.
Provas
Questão presente nas seguintes provas
Segundo a Resolução n.º 456/2000 da Agência Nacional de Energia Elétrica, a estrutura tarifária de energia elétrica é definida como o conjunto de tarifas aplicáveis às componentes de consumo de energia e(ou) demanda de potência ativa, de acordo com a modalidade de fornecimento. A esse respeito, assinale a opção correta.
Provas
Questão presente nas seguintes provas

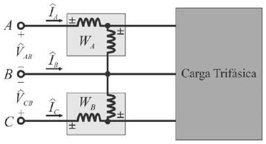
A figura acima ilustra o esquema de medição de potência de uma carga trifásica pelo método dos dois wattímetros. Assinale a opção correta, considerando que as medições dos wattímetros WA e WB sejam, respectivamente, iguais a 50
W e 150
W.Provas
Questão presente nas seguintes provas
- Gerenciamento, Planejamento e Controle de Obras
- Orçamento no Planejamento e Controle de Obras na Engenharia Civil
O Manual Técnico de Orçamento (MTO) de 2010 é um importante instrumento de apoio à consecução dos processos orçamentários da União. Nesse documento, estão apresentados os conceitos orçamentários, particularmente as noções de finanças e tributação da receita orçamentária. De acordo com esse manual, com o objetivo de atender às necessidades públicas, o Estado possui meios de financiar suas atividades por intermédio dos ingressos públicos. São considerados ingressos todas as entradas de bens ou direitos, em determinado período de tempo, que o Estado utiliza para financiar seus gastos, podendo ou não se incorporar ao seu patrimônio. Além disso, as receitas orçamentárias podem ser efetivas, quando provocam aumento no patrimônio público, sem correspondência no passivo, ou não efetivas, quando aumentam aquele, mas, no entanto, geram correspondente aumento no passivo.
A partir das informações apresentadas e segundo o MTO, os ingressos orçamentários podem, ainda, ser classificados em categorias, que são
A partir das informações apresentadas e segundo o MTO, os ingressos orçamentários podem, ainda, ser classificados em categorias, que são
Provas
Questão presente nas seguintes provas
Na avaliação de imóveis cujas características peculiares impliquem a inexistência de dados de mercado em quantidades suficientes para a aplicação do método comparativo direto de dados de mercado, pode-se empregar o método evolutivo. As exigências para a aplicação do método evolutivo incluem
Provas
Questão presente nas seguintes provas
O Manual Técnico de Orçamento (MTO) de 2010 é um importante instrumento de apoio à consecução dos processos orçamentários da União. Nesse documento, estão apresentados os conceitos orçamentários, particularmente as noções de finanças e tributação da receita orçamentária. De acordo com esse manual, com o objetivo de atender às necessidades públicas, o Estado possui meios de financiar suas atividades por intermédio dos ingressos públicos. São considerados ingressos todas as entradas de bens ou direitos, em determinado período de tempo, que o Estado utiliza para financiar seus gastos, podendo ou não se incorporar ao seu patrimônio. Além disso, as receitas orçamentárias podem ser efetivas, quando provocam aumento no patrimônio público, sem correspondência no passivo, ou não efetivas, quando aumentam aquele, mas, no entanto, geram correspondente aumento no passivo.
A partir das informações apresentadas e segundo o MTO, os ingressos orçamentários podem, ainda, ser classificados em categorias, que são
A partir das informações apresentadas e segundo o MTO, os ingressos orçamentários podem, ainda, ser classificados em categorias, que são
Provas
Questão presente nas seguintes provas
- AcessibilidadeAcessibilidade e Desenho Universal
- AcessibilidadeAmbiente Urbano
- AcessibilidadeDimensionamentos Mínimos
Com base na NBR 9050, assinale a opção correta.
Provas
Questão presente nas seguintes provas
O orçamento de uma obra da construção civil pode ser definido como a determinação dos gastos necessários para realização de um projeto. Assinale a opção que apresenta os documentos necessários para a execução de uma obra de forma segura, além do projeto executivo de arquitetura.
Provas
Questão presente nas seguintes provas
Cadernos
Caderno Container