Magna Concursos

Foram encontradas 225 questões.

INSTRUÇÃO: Leia o texto a seguir e, com base nele, responda a questão abaixo.
TEXTO 1
Bebida na adolescência
Pesquisas recentes constatam que o álcool é a droga mais usada por adolescentes. O pior é que o consumo vem aumentando, principalmente entre os mais novos e as meninas: quase metade dos jovens de 12 a 17 anos já usou bebida alcoólica. Nos anos 1980, o consumo iniciava-se entre os 16 e 17 anos. Atualmente, ocorre entre os 12, 14 anos, e o uso frequente tem crescido. Por que os jovens têm bebido cada vez mais e mais cedo? Vamos levantar hipóteses e refletir a respeito a fim de nos responsabilizarmos pela questão.
Em primeiro lugar, a presença de bebidas alcoólicas na vida cotidiana dos jovens é vista por eles como corriqueira e inofensiva. Muitos acham que o problema surge apenas com a ingestão em demasia, quando se tornam inconvenientes ou se aproximam do que eles chamam de “PT” (perda total) – perda dos sentidos ou coma.
Contribuem muito para essa percepção os belos comerciais de bebidas. Mais do que um produto, vendem um estilo de vida almejado pelos jovens: beleza, alegria, popularidade, azaração etc. Aliado a esse poderoso instrumento, surge outro muito eficaz: o aval dos pais.
Muitos adultos acreditam que oferecer bebida aos filhos em casa é uma atitude aconselhável e dão festas para os menores nas quais permitem que haja bebida, por exemplo.
Aliás, para muitos jovens, faz parte das festas o ritual do “esquenta”: antes do evento, reúnem-se em pequenos grupos para beber na casa de um deles – sei de casos, inclusive, em que os pais que recebem os amigos do filho participam do momento festivo introdutório – ou em locais públicos, com bebidas trazidas de casa ou compradas em supermercados.
Aí está outro fator que leva os jovens a crerem que a ingestão de bebida alcoólica é inofensiva: apesar de sua venda ser proibida a menores de 18 anos, a lei não é respeitada. Muitos estabelecimentos comerciais – notadamente supermercados – as vendem sem pedir documentos aos jovens e muitos adultos aceitam o pedido deles para passar a bebida em sua compra. Eu já fui abordada em um supermercado por três adolescentes que pediram que eu colocasse duas garrafas de vodca em minha esteira. Diante da recusa, pediram para outra pessoa e foram atendidos.
Os jovens bebem, entre outros motivos, porque o álcool provoca euforia, desinibição e destrava os mais tímidos. Mas, depois, afeta a coordenação motora, os reflexos e o sono, além de interferir na percepção do que o jovem considera certo e errado. Já conversei com garotas que tiveram a primeira experiência sexual sob efeito do álcool e se arrependeram.
Os mesmos pais que ensinam o filho a beber não o ensinam sobre os cuidados que podem reduzir seus efeitos, como alimentar-se bem antes, não misturar diferentes tipos de bebida e ingerir muita água. Os menores de 18 anos sempre encontrarão maneiras de transgredir as proibições para o uso de bebida alcoólica. Entretanto, temos ajudado para que isso não seja visto por eles como transgressão. E, talvez, esse seja nosso maior equívoco.
SAYÃO, Rosely. Bebida na adolescência. Disponível em: <http://www1.folha.uol.com.br/fsp/equilibrio/eq2602200914.htm>. Acesso em: 12 fev.2016. (Fragmento).
De acordo com o texto, o jovem ingere bebida alcóolica com a finalidade de
 

Provas

Questão presente nas seguintes provas
1462491 Ano: 2016
Disciplina: Serviços Gerais
Banca: FUNDEP
Orgão: CBM-MG

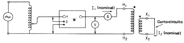
Um transformador abaixador de 10 kVA, 13,8 kV/220 V, é ligado conforme a ilustração a seguir. Os dados lidos nos instrumentos são: 250 W, 30 V e 5 A.

enunciado 1958970-1

Nesse caso, a impedância e a resistência equivalentes referidas ao lado de alta tensão são, respectivamente, iguais a:

Questão Anulada

Provas

Questão presente nas seguintes provas
1462490 Ano: 2016
Disciplina: Informática
Banca: FUNDEP
Orgão: CBM-MG

O protocolo ARP que tem grande importância entre os protocolos da camada Internet da sequência TCP/IP e que permite conhecer o endereço físico da placa de rede correspondente a um endereço IP é o:

Questão Anulada

Provas

Questão presente nas seguintes provas
1462489 Ano: 2016
Disciplina: Física
Banca: FUNDEP
Orgão: CBM-MG
Provas:

Um gás ideal encontra-se confinado em um recipiente fechado, cuja pressão é de 2,0 atm, a temperatura, de 27 ºC e o volume, de 1,0 litro.

Ao aquecer esse gás até a temperatura de 627 ºC, mantendo a pressão constante, o gás:

(Considere: 1 atm = 105 Pa).

Questão Anulada

Provas

Questão presente nas seguintes provas

Em uma praia, a maré varia de acordo com o ciclo da lua. No ciclo da lua nova, a maré baixa ocorre às 9h30 do primeiro dia do ciclo. Nos dias seguintes, a maré baixa ocorre 45 minutos mais tarde a cada dia.

Qual é o horário da maré baixa no quinto dia do ciclo?

Questão Anulada

Provas

Questão presente nas seguintes provas