Magna Concursos

Foram encontradas 809 questões.

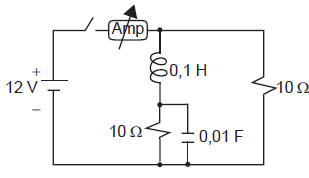
874327 Ano: 2015
Disciplina: Eletroeletrônica
Banca: CESGRANRIO
Orgão: BR Distribuidora

A Figura a seguir mostra uma experiência em laboratório, onde um amperímetro é inserido entre a fonte DC de alimentação e um circuito RLC, através do comando de uma chave. Considere que o indutor e o capacitor estão, inicialmente, descarregados.

Enunciado 874327-1

No exato instante em que a chave é fechada, qual o valor da corrente elétrica, em ampères, medida no amperímetro?

 

Provas

Questão presente nas seguintes provas
874326 Ano: 2015
Disciplina: Comunicação Social
Banca: CESGRANRIO
Orgão: BR Distribuidora

As entrevistas coletivas constituem-se em eventos de grande relevância no planejamento da assessoria de imprensa de uma organização.

Quanto à estrutura, a entrevista coletiva provocada, que ocorre em pequenos ambientes, com número reduzido de repórteres, é denominada

 

Provas

Questão presente nas seguintes provas
874325 Ano: 2015
Disciplina: Segurança e Saúde no Trabalho (SST)
Banca: CESGRANRIO
Orgão: BR Distribuidora
Provas:

Uma empresa que trabalha com máquinas e equipamentos e que necessite implementar um plano de manutenção deve fazê-lo em conformidade com os preceitos da NR 12, tais como

 

Provas

Questão presente nas seguintes provas
874324 Ano: 2015
Disciplina: Comunicação Social
Banca: CESGRANRIO
Orgão: BR Distribuidora

Entre os passos necessários para a organização de um evento, seja ele um congresso científico ou a inauguração de novas instalações, inclui-se a

 

Provas

Questão presente nas seguintes provas
874323 Ano: 2015
Disciplina: Administração Geral
Banca: CESGRANRIO
Orgão: BR Distribuidora
Provas:

A técnica que usa a integração e o balanceamento dos principais indicadores de desempenho de uma empresa, “Balanced Scorecard” (BSC), tem como uma de suas premissas a(o)

 

Provas

Questão presente nas seguintes provas
874322 Ano: 2015
Disciplina: Psicologia
Banca: CESGRANRIO
Orgão: BR Distribuidora

Dentre as formas de entrevista usadas na seleção de pessoal, está a entrevista de descrição comportamental.

Essa forma de entrevista se contrapõe à entrevista situacional e se caracteriza por

 

Provas

Questão presente nas seguintes provas
874321 Ano: 2015
Disciplina: Eletroeletrônica
Banca: CESGRANRIO
Orgão: BR Distribuidora

No Sistema Internacional de Unidades (SI), o nome siemens é usado como unidade representativa da seguinte grandeza elétrica:

 

Provas

Questão presente nas seguintes provas
874320 Ano: 2015
Disciplina: Comunicação Social
Banca: CESGRANRIO
Orgão: BR Distribuidora

Tendo em vista a complexidade das organizações contemporâneas, as dimensões da comunicação organizacional podem ser classificadas em instrumental, estratégica e humana.

A dimensão instrumental apresenta como uma de suas características o fato de

 

Provas

Questão presente nas seguintes provas
874319 Ano: 2015
Disciplina: Administração Geral
Banca: CESGRANRIO
Orgão: BR Distribuidora
Provas:

A ferramenta da qualidade denominada Gráfico de Controle é utilizada para

 

Provas

Questão presente nas seguintes provas
874318 Ano: 2015
Disciplina: Comunicação Social
Banca: CESGRANRIO
Orgão: BR Distribuidora

As organizações assistem atualmente ao surgimento do marketing 3.0, na era voltada para as necessidades da justiça social, econômica e ambiental.

Já o marketing 2.0 tinha sua abordagem voltada para o

 

Provas

Questão presente nas seguintes provas