Foram encontradas 913 questões.
A carga de iluminação é determinada em função da área do cômodo da residência. Para uma área interna de 22 m2 recomenda-se uma potência mínima de iluminação de
Provas
As argamassas são utilizadas para diferentes fins na construção civil. Um dos tipos de agregado indicado para compor uma argamassa que será aplicada para isolamento térmico e acústico de uma área é
Provas
O diagrama de blocos mostrado na figura a seguir representa a constituição básica de um Controlador Lógico Programável.

Nesse diagrama, a fonte de alimentação, o bloco de entrada, o bloco de saída e a interface homem-máquina estão representados, respectivamente, pelos blocos numerados como
Provas
Considere circuito com o transformador mostrado na figura a seguir, em que a relação de transformação é de 400:60.

Se o circuito é alimentado por uma fonte de 220 V, assinale a alternativa que indica a potência dissipada em RL.
Provas
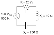
Considere o circuito RLC representado na figura a seguir, operando a 500 Hz.

Se a frequência de operação for alterada para 2 500 Hz, o valor da corrente I será
Provas
Jerônimo, agente público estadual, recebeu dinheiro de Eufrânio para fazer declaração falsa sobre dados técnicos de obra pública, objeto do contrato administrativo firmado entre a Empresa ABC, da qual Eufrânio é cotista, e o Estado “X”. Jonas, superior hierárquico de Jerônimo, toma conhecimento do fato, mas este último falece antes da adoção de qualquer medida. Considerando a situação hipotética, assinale a alternativa correta, à luz da Lei de Improbidade Administrativa (Lei Federal nº 8.429/92).
Provas
- Organização dos PoderesPoder LegislativoFiscalização Contábil, Financeira e Orçamentária da UniãoTribunal de Contas da União (TCU)
Nos termos do artigo 71 da Constituição da República Federativa do Brasil, o controle externo, a cargo do Congresso Nacional, será exercido com o auxílio do Tribunal de Contas da União, ao qual compete
Provas
De acordo com o art. 14 da Lei de Responsabilidade fiscal (LRF), a renúncia fiscal compreende, entre outros formatos,
Provas
O empenho, segundo as normas legais do orçamento público, é um ato de responsabilidade da autoridade competente que cria ao Estado a obrigação do pagamento. Ele pode ser classificado como:
Provas
Podem-se distinguir dois tipos de restos a pagar: os processados e os não processados. São classificados como restos a pagar processados quando
Provas
Caderno Container