Foram encontradas 120 questões.

Finally due to our disastrous sales figures I’ve
decided to award myself a stress related bonus.
Taken from www.cartoonstock.com
According to the cartoon the businessman
Provas
Questão presente nas seguintes provas
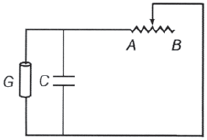
No circuito esquematizado abaixo, C é um capacitor, G um gerador de f.e.m. e !$ ε !$ e resistência interna e e AB um reostato.

O gráfico que melhor representa a carga acumulada Q no capacitor em função da resistência R do reostato é
Provas
Questão presente nas seguintes provas
Um corpo B, de massa igual a 4 kg e carga elétrica !$ +6\, μC !$, dista 30 mm do corpo A, fixo e com carga elétrica !$ -1 \, μ C !$. O corpo B é suspenso por um fio isolante, de massa desprezível ligado a uma mola presa ao solo, como mostra a figura. O comprimento natural da mola é !$ L_0=1,2 \, m !$ e ao sustentar estaticamente o corpo B ela se distende, atingindo o comprimento !$ L=1,6 \, m !$. Considerando-se a constante eletrostática do meio !$ k=9.10^9 \, N.m^2/C^2 !$, que as cargas originais dos corpos pontuais A e B são mantidas e desprezando-se os possíveis atritos, o valor da constante elástica da mola, em N/m, é

Provas
Questão presente nas seguintes provas
Uma espira condutora é colocada no mesmo plano e ao lado de um circuito constituído de uma pilha, de uma lâmpada e de um interruptor.

As alternativas a seguir apresentam situações em que, após o interruptor ser ligado, o condutor AB gera uma corrente elétrica induzida na espira, EXCETO
Provas
Questão presente nas seguintes provas
Classifique em (V) verdadeira ou (F) falsa cada afirmativa abaixo sobre o ponto P(x,y) no plano cartesiano.
( ) Se o ponto P pertence simultaneamente às bissetrizes dos quadrantes ímpares e dos quadrantes pares, então o ponto simétrico de P em relação à reta !$ y=k(k \, ∈ \, \mathbb{R}^*) !$ tem a soma das coordenadas igual a 2k
( ) Sendo !$ \{x,y\}⊂\mathbb{Z} !$, então existem apenas dois pontos P(x,y) que atendem às condições !$ \begin{cases}x < 0 \\ y^2-3y \le x \end{cases} !$
( ) Os pontos P(x,y) tais que a sua distância ao eixo das abcissas é igual à metade da distância de P ao ponto Q(0,6) formam uma hipérbole de excentricidade igual a 2
Sobre as afirmativas tem-se
Provas
Questão presente nas seguintes provas
Leia atentamente o Texto I para responder a questão.
Texto I
Hino Nacional
Precisamos descobrir o Brasil!
Escondido atrás das florestas,
com a água dos rios do meio,
o Brasil está dormindo, coitado.
Precisamos colonizar o Brasil.
O que faremos importando francesas
muito louras, de pele macia,
alemãs gordas, russas nostálgicas para
garçonettes dos restaurantes noturnos.
E virão sírias fidelíssimas.
Não convém desprezar as japonesas...
Precisamos educar o Brasil.
Compraremos professores e livros,
assimilaremos finas culturas,
abriremos dancings e subvencionaremos as elites.
Cada brasileiro terá sua casa
com fogão e aquecedor elétricos, piscina,
salão para conferências científicas.
E cuidaremos do Estado Técnico.
Precisamos louvar o Brasil.
Não é só um país sem igual.
Nossas revoluções são bem maiores
do que quaisquer outras; nossos erros também.
E nossas virtudes? A terra das sublimes paixões...
os Amazonas inenarráveis... os incríveis João-Pessoas...
Precisamos adorar o Brasil!
Se bem que seja difícil caber tanto oceano e tanta
[solidão
no pobre coração já cheio de compromissos...
Se bem que seja difícil compreender o que querem
[esses homens,
por que motivo eles se ajuntaram e qual a razão de seus
[sofrimentos.
Precisamos, precisamos esquecer o Brasil!
Tão majestoso, tão sem limites, tão despropositado,
ele quer repousar de nossos terríveis carinhos.
O Brasil não nos quer! Está farto de nós!
Nosso Brasil é no outro mundo. Este não é o Brasil.
Nenhum Brasil existe. E acaso existirão os brasileiros?
(Andrade, Carlos Drummond de. Sentimento do Mundo - 12ª ed. Rio de Janeiro: Record, 2001.)
Assinale a alternativa correta, em relação ao texto.
Provas
Questão presente nas seguintes provas
Responda a questão de acordo com o texto IV.
Texto IV
Carta do Índio Chefe Seatle, “Manifesto da Terra-Mãe”
“Como podeis comprar ou vender o céu, o calor da terra? A idéia não tem sentido para nós.
Se não somos donos da frescura do ar ou do brilho das águas, como podeis querer comprá-los? Qualquer parte desta terra é sagrada para meu povo. Qualquer folha de pinheiro, cada grão de areia nas praias, a neblina nos bosques sombrios, cada monte e até o zumbido do inseto, tudo é sagrado na memória e no passado do meu povo. A seiva que percorre o interior das árvores leva em si as memórias do homem vermelho.
. . . . . . . . . . . . . . . . . . .
Nós sabemos que o homem branco não entende o nosso modo de ser. Ele não sabe distinguir um pedaço de terra de outro qualquer, pois é um estranho que vem de noite e rouba da terra tudo de que precisa. A terra não é sua irmã, mas sua inimiga, depois de vencida e conquistada, ele vai embora, à procura de outro lugar.
. . . . . . . . . . . . . . . . . .
O ar é inestimável para o homem vermelho, pois dele todos se alimentam. Os animais, as árvores, o homem, todos respiram o mesmo ar. O homem branco parece não se importar com o ar que respira. Como um cadáver em decomposição, ele é insensível ao mau cheiro. Mas se vós venderdes nossa terra, deveis recordar que o ar é precioso para nós, que o ar insufla seu espírito em todas as coisas que dele vivem. O vento que deu aos nossos avós o primeiro sopro de vida é o mesmo que lhes recebe o último suspiro.
. . . . . . . . . . . . . . . . . . .
Sou um selvagem e não compreendo como o fumegante cavalo de ferro possa ser mais importante que o bisonte, que nós caçamos apenas para sobreviver. Que será dos homens sem os animais? Se todos os animais desaparecem, o homem morrerá de solidão espiritual. Porque o que suceder aos animais afetará os homens. Tudo está ligado.
Deveis ensinar a vossos filhos que o solo que pisam são as cinzas de nossos avós. Para que eles respeitem a terra, ensina-lhes que ela é rica pela vida dos seres de todas as espécies. Ensinai aos vossos filhos o que nós ensinamos aos nossos: Que a terra é a nossa mãe. Quando o homem cospe sobre a terra, cospe sobre si mesmo. De uma coisa nós temos certeza: A terra não pertence ao homem branco; o homem branco é que pertence à terra. Disso nós temos a certeza. Todas as coisas estão relacionadas como o sangue que une uma família. Tudo está associado. O que fere a terra fere também aos filhos da terra.
O homem não tece a teia da vida; é antes um dos seus fios. O que quer que faça a essa teia, faz a si próprio.
. . . . . . . . . . . . . . . . . .
Esta terra tem um valor inestimável para Ele, e ofender a terra é insultar o Criador. Também os brancos acabarão um dia talvez mais cedo do que todas as outras tribos. Contaminai os vossos rios e uma noite morrerão afogados nos vossos resíduos.
Contudo, caminhareis para a vossa destruição, iluminados pela força do Deus que vos trouxe a esta terra e por algum desígnio especial vos deu o domínio sobre ela e sobre o homem vermelho. Este destino é um mistério para nós, pois não compreendemos como será no dia em que o último bisonte for dizimado, os cavalos selvagens domesticados, os secretos recantos das florestas invadidos pelo odor do suor de muitos homens e a visão das brilhantes colinas bloqueada por fios falantes. Onde está o matagal? Desapareceu. Onde está a águia? Desapareceu. Termina a vida começa a sobrevivência.”
(http://mnemosyne.blog-city.com/a-carta-do-indio-seatllemanifesto-da-terramae.htm )
O texto é concluído com interrogações e afirmações. Pode-se dizer, com isso, que o locutor
Provas
Questão presente nas seguintes provas
Read the text below and answer question.
The Moon
The Moon is the Earth’s only natural satellite. It is relatively large for a moon, with a diameter of about 5,470 kilometers just over a quarter of the Earth. The Moon takes the same time to rotate on its axis as it takes to orbit the Earth (27.3), and so the same side (the near side) always faces us. However, the amount of the surface we can see – the phase of the Moon – depends on how much of the near side is in sunlight. The Moon is dry and barren, with no atmosphere or water. It consists mainly of solid rock, although its core may contain molten rock or iron. The surface is dusty, with highlands covered in craters caused by meteorite impacts, and lowlands in which large craters have been filled by solidified lava to form dark areas called maria or “seas”. Maria occur mainly on the near side, which has a thinner crust than the far side. Many of the craters are rimmed by mountain ranges that form the crater walls and can be thousands of meters high.
Visual Encyclopedia
Choose the alternative in which the sentence is an example of If Clause according to the context of The Moon.
Provas
Questão presente nas seguintes provas
"A arrecadação da CPMF, devido à ampliação de sua abrangência, e ao aumento da alíquota, cresceu mais de 140% nos últimos anos (em bilhões de reais por ano)"
Revista veja-14/03/2007

Supondo que o crescimento da arrecadação representado no gráfico acima é linear do ano de 2005 ao ano de 2007 e que y% representa o aumento da arrecadação do ano de 2005 ao ano de 2006, é correto afirmar que y é um número do intervalo
Provas
Questão presente nas seguintes provas
Um fabricante de camisetas que pretendi vender seu estoque no prazo de 4 meses, mantendo o preço de cada camiseta, obteve o seguinte resultado:
- no primeiro mês, vendeu 10% de seu estoque;
- no segundo, 20% do restante das mercadorias; e
- no terceiro, 50% do que sobrou.
Ao ver que sobraram 3.600 camisetas, no quarto mês, o fabricante reduziu o preço de cada uma em 33 !$ \large{1 \over 3 } !$ %, conseguindo assim liquidar todo seu estoque e recebendo R$ 21.600,00 pelas vendas deste mês.
É correto afirmar que o fabricante
Provas
Questão presente nas seguintes provas
Cadernos
Caderno Container