Foram encontradas 20.456 questões.
A Tabela verdade a seguir refere-se a um circuito lógico com duas entradas A e B e uma saída S.

Qual é o circuito lógico que a Tabela representa?

Qual é o circuito lógico que a Tabela representa?
Provas
Questão presente nas seguintes provas
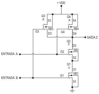
O circuito abaixo representa uma porta lógica com duas entradas A e B e uma saída Z. São usados quatro transistores de efeito de campo tipo MOSFET (Metal Oxide Semicondutor Field Effect Transistor), sendo dois de canal n (Q1 e Q2) e dois de canal p (Q3 e Q4), encapsulados em um mesmo circuito integrado da família CMOS (Complementary Metal Oxide Semiconductor). Para cada transistor, S representa o terminal fonte, D o dreno, G a porta e SB o substrato.

Após análise do circuito, verifica-se que ele representa a porta lógica

Após análise do circuito, verifica-se que ele representa a porta lógica
Provas
Questão presente nas seguintes provas
Considerem-se os seguintes resultados de uma amostra:
1º quartil = 96; 2º quartil = 102; 3º quartil = 116
• 3 menores valores: 25; 65; 93
• 3 maiores valores: 121; 130; 150
Considerando o box plot, verifica-se que há
1º quartil = 96; 2º quartil = 102; 3º quartil = 116
• 3 menores valores: 25; 65; 93
• 3 maiores valores: 121; 130; 150
Considerando o box plot, verifica-se que há
Provas
Questão presente nas seguintes provas

O circuito digital acima representa um circuito composto por três portas lógicas com quatro entradas A, B, C e D e uma saída S.
Qual é a expressão booleana da saída S?
Provas
Questão presente nas seguintes provas
Os amplificadores operacionais apresentam importantes características, dentre as quais se destaca a seguinte:
Provas
Questão presente nas seguintes provas
Seja a matriz quadrada A =
Os autovalores dessa matriz são as raízes do seu polinômio característico, obtidos da relação det(λI - A) = 0.
Considerando-se que um de seus autovalores vale -1, a soma de todos os seus autovalores é igual a
Os autovalores dessa matriz são as raízes do seu polinômio característico, obtidos da relação det(λI - A) = 0.Considerando-se que um de seus autovalores vale -1, a soma de todos os seus autovalores é igual a
Provas
Questão presente nas seguintes provas
O diagrama abaixo é um Ladder representando uma linguagem de programação gráfica, que trata da lógica de contatos, e é muito usada na programação de CLP.

Qual é o circuito lógico que representa a função booleana, equivalente ao Diagrama Ladder mostrado acima?

Qual é o circuito lógico que representa a função booleana, equivalente ao Diagrama Ladder mostrado acima?
Provas
Questão presente nas seguintes provas
O circuito CMOS abaixo representado implementa uma função lógica com entradas A, B, C e saída Y.

A expressão de Y é

A expressão de Y é
Provas
Questão presente nas seguintes provas
A Figura abaixo mostra um diagrama de fluxo de sinal que representa as equações simultâneas que descrevem um sistema de controle.

Sabendo-se que K é uma constante, qual é a função de transferência H(s) = O(s) / I(s) representada por esse diagrama?
Provas
Questão presente nas seguintes provas
A Figura abaixo ilustra duas possíveis estratégias de controle para garantir a composição desejada na saída de tanque de mistura. A corrente 1 se compõe de A e B, tem a vazão constante e conhecida, mas apresenta composição variável com o tempo; a corrente 2 contém apenas o composto A.

As estratégias de controle I e II apresentadas acima são tais que:

As estratégias de controle I e II apresentadas acima são tais que:
Provas
Questão presente nas seguintes provas
Cadernos
Caderno Container