Foram encontradas 20.456 questões.
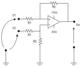
O circuito mostrado abaixo é muito usado em processos industriais, e os níveis de tensão de entrada podem ser provenientes de um circuito contendo um transdutor específico.

Sabendo-se que os componentes do circuito são ideais, que os resistores R1 e R2 têm o mesmo valor ôhmico e, ainda, que V2 = 6 mV e V1 = 2 mV, qual é o valor, em mV, da tensão de saída Vo?

Sabendo-se que os componentes do circuito são ideais, que os resistores R1 e R2 têm o mesmo valor ôhmico e, ainda, que V2 = 6 mV e V1 = 2 mV, qual é o valor, em mV, da tensão de saída Vo?
Provas
Questão presente nas seguintes provas
Com uma onda portadora senoidal de sinal de 20 V de pico e de frequência de 1MHz, é produzida uma modulação em amplitude, com uma informação cossenoidal de 20 V de pico a pico e de frequência de 1KHz.
A potência média do sinal modulado, em watts, transmitida a uma carga de 1Ω é
A potência média do sinal modulado, em watts, transmitida a uma carga de 1Ω é
Provas
Questão presente nas seguintes provas
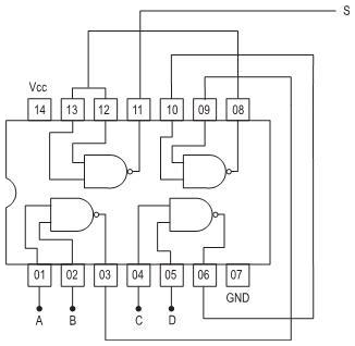
O circuito integrado (CI) apresentado abaixo tem 14 pinos e pertence à família TTL. É composto de quatro portas NAND, com as quais foi montado um circuito lógico, cujas ligações entre os pinos também se encontram indicadas junto ao diagrama do CI.

Sabendo-se que as entradas do circuito lógico são A, B, C, e D e a saída é S, qual é a função representada na saída do circuito?

Sabendo-se que as entradas do circuito lógico são A, B, C, e D e a saída é S, qual é a função representada na saída do circuito?
Provas
Questão presente nas seguintes provas
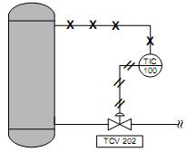
O arranjo mostrado na Figura abaixo representa um controlador indicador de temperatura tipo expansão.

Nesse arranjo existe uma válvula de controle que atua com transmissão tipo

Nesse arranjo existe uma válvula de controle que atua com transmissão tipo
Provas
Questão presente nas seguintes provas

Provas
Questão presente nas seguintes provas
O circuito abaixo é composto de diversas portas lógicas.

Sabendo-se que as entradas são A, B e C, que a saída é S e que (“1” lógico = 5 V e “0” lógico = 0 V), conclui-se que a expressão booleana S é a seguinte:
(A) (A ⊕ B) + (A C ) C

Sabendo-se que as entradas são A, B e C, que a saída é S e que (“1” lógico = 5 V e “0” lógico = 0 V), conclui-se que a expressão booleana S é a seguinte:
(A) (A ⊕ B) + (A C ) C
Provas
Questão presente nas seguintes provas
Por ocasião da instalação dos sistemas operacionais Windows XP, Vista e 7 em microcomputadores e notebooks, os dados são organizados numa forma padronizada por meio de sistemas de arquivos.
São suportados por esses sistemas operacionais os seguintes sistemas de arquivos:
São suportados por esses sistemas operacionais os seguintes sistemas de arquivos:
Provas
Questão presente nas seguintes provas
Em um sistema de controle de processos, os transmissores são equipamentos destinados a medir a variável do processo e a transmitir a informação para outros equipamentos receptores. Os sinais transmitidos podem apresentar características elétricas, hidráulicas, pneumáticas ou eletrônicas. Os sinais eletrônicos são padrões conhecidos como 4 a 20 mA, 10 a 50 mA e 1 a 5 V, dependendo do fabricante do equipamento.
Ao longo do tempo, a comunicação evoluiu do padrão analógico 4 a 20 mA para uma comunicação com padrão digital. O primeiro passo nesse sentido foi a utilização do protocolo HART (Highway Addressable Remote Transducer), um protocolo mestre escravo com taxa de transmissão de 1200 BPS, usando modulação FSK (Frequency Shift Keying), que é sobreposto ao sinal 4 a 20 mA.
Nesse contexto, em relação ao protocolo HART, observa-se que
Ao longo do tempo, a comunicação evoluiu do padrão analógico 4 a 20 mA para uma comunicação com padrão digital. O primeiro passo nesse sentido foi a utilização do protocolo HART (Highway Addressable Remote Transducer), um protocolo mestre escravo com taxa de transmissão de 1200 BPS, usando modulação FSK (Frequency Shift Keying), que é sobreposto ao sinal 4 a 20 mA.
Nesse contexto, em relação ao protocolo HART, observa-se que
Provas
Questão presente nas seguintes provas
O critério de estabilidade de Routh é determinado em função das raízes da equação característica da equação diferencial que rege o sistema e que representa os polos da função de transferência.

Assim, dada a equação característica, representada pelo polinômio p(s) =2s3 +2s2 +3s+6, verifica-se que, pelo critério da estabilidade, o sistema é

Assim, dada a equação característica, representada pelo polinômio p(s) =2s3 +2s2 +3s+6, verifica-se que, pelo critério da estabilidade, o sistema é
Provas
Questão presente nas seguintes provas
Para o controle de processos industriais, utilizam-se, normalmente, compensadores ditos PID (Proporcional, Integral e Derivativo), com a finalidade de controlar e ajustar, automaticamente e em malha fechada, máquinas e equipamentos industriais.
Dentre os três componentes desse compensador, a parte integral tem como principal atribuição
Dentre os três componentes desse compensador, a parte integral tem como principal atribuição
Provas
Questão presente nas seguintes provas
Cadernos
Caderno Container