Foram encontradas 20.461 questões.
Um bom amplificador operacional deve apresentar as seguintes características:
Provas
Considere que um amperímetro analógico realizou a leitura da corrente de um circuito eletrônico indicando em seu mostrador 50mA. Sabendo que o amperímetro tem escala de -l00mA a +l00mA e que o índice de classe de exatidão do instrumento é de 0,5, assinale a opção que corresponde ao erro máximo admissível em qualquer extremidade da escala.
Provas
Observe a figura.

No circuito representado na figura acima, a relação da tensão de saída v0 (t) com a tensão de entrada vi(t) é de:
Provas
Observe a figura a seguir.

Assinale a opção que corresponde ao valor da tensão entre os terminais "a" e "b" da figura acima.
Provas
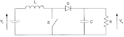
Observe a figura a seguir.

A figura acima representa um conversor CC/CC, na qual Sé uma chave ativa que opera em alta frequência de chaveamento. Como se denomina esse conversor?
Provas
Observe a figura a seguir.

No circuito da figura acima, considere R8 um resistor variável cuja resistência pode ser ajustada entre !$ 0 \Omega !$ e !$ 100 K \Omega !$. Considere ainda que, quando o transistor estiver funcionando na região de saturação, a tensão entre coletor e emissor será considerada nula (VCE= O Volts). Assinale a opção que corresponde, respectivamente, à corrente do coletor no ponto de saturação do transistor e à tensão entre coletor e emissor no ponto de corte do dispositivo.
Provas
Observe o circuito a seguir.

Assinale a opção que corresponde à expressão característica do circuito lógico representado acima.
Provas
Um transistor com !$ \beta !$ = 100 tem uma corrente de fuga da base para o coletor ICEB de 4 !$ \mu !$A. Sendo o transistor ligado em emissor comum, encontre a corrente do coletor, para IB = 0 e IB = 35 !$ \mu !$A, marque a opção CORRETA.
Provas
A figura a seguir é de um retificador totalmente controlado com SCR's na alimentação de um motor CC com excitação independente.

Considerando que a tensão de armadura do motor é de 440 V, a potência é de 12,5 CV, com valor de sobrecarga de 1.3 vezes a corrente nominal durante 15 S. Quais os valores de corrente nominal, valor eficaz da corrente do SCR's e o valor de tensão de rede necessário para o funcionamento do motor?
Assinale a alternativa CORRETA.
Provas
Os circuitos sequenciais têm as saídas dependentes das variáveis de entrada e/ou de seus estados anteriores que permanecem armazenados, sendo, geralmente, sistemas pulsados.
Considerando os Flip Flops, os Registradores e os Contadores na eletrônica digital, marque a opção INCORRETA.
Provas
Caderno Container