Foram encontradas 20.461 questões.
Provas
Provas
No circuito com o resistor, indutor e capacitor ideais, alimentados por um gerador de tensão alternada, foram efetuadas as medidas do valor eficaz das tensões, obtendose: VR = 10 V; VL = 10 V ; VC = 20 V. Neste circuito, se medirmos o valor eficaz da tensão do gerador, Vg, em volts, obteremos:

Provas
Observe a tabela verdade abaixo.
| A | B | C | S |
| 0 | 0 | 0 | x |
| 0 | 0 | 1 | 1 |
| 0 | 1 | 0 | 1 |
| 0 | 1 | 1 | 1 |
| 1 | 0 | 0 | 0 |
| 1 | 0 | 1 | x |
| 1 | 1 | 0 | 0 |
| 1 | 1 | 1 | 1 |
Assinale a opção que apresenta a expressão simplificada da saída Sem função das entradas A, B e C.
Provas
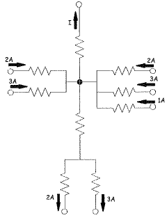
Observe o circuito a seguir.

Assinale a opção que corresponde ao valor da corrente I.
Provas
Assinale a opção que apresenta o número binário que corresponde ao número 13 do Sistema Decimal.
Provas
Considere o circuito a seguir.

Assinale a opção que corresponde ao circuito acima representado por meio do diagrama de Ladder.
Provas
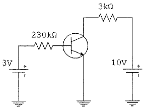
Observe a figura a seguir.

No circuito da figura acima, considere a tensão entre base e emissor para o transistor tipo NPN igual a 0,7V e seu ganho de corrente é igual a 100. Assinale a opção que corresponde, respectivamente, às correntes de base (IB ) e de coletor (Ic).
Provas
Observe a figura a seguir.
Assinale a opção que representa a forma de onda da saída S do circuito lógico acima para as entradas X, Y e Z fornecidas.

Provas
Assinale a opção que apresenta a expressão simplificada da seguinte função booleana: !$ S = A \bar{B} C + \overline{AC} C + ABC + \bar{A} BC + \bar{A} B \bar{C} !$
Provas
Caderno Container