Foram encontradas 20.461 questões.

Considerando que, os circuitos apresentados nas figuras acima, os amplificadores operacionais sejam ideais, alimentados por fontes simétricas de ±12 V e nunca operem em saturação, julgue os itens subsequentes, relativos a esses circuitos e às características dos amplificadores operacionais.
Provas

Considerando que, os circuitos apresentados nas figuras acima, os amplificadores operacionais sejam ideais, alimentados por fontes simétricas de ±12 V e nunca operem em saturação, julgue os itens subsequentes, relativos a esses circuitos e às características dos amplificadores operacionais.
Provas

Considerando que, os circuitos apresentados nas figuras acima, os amplificadores operacionais sejam ideais, alimentados por fontes simétricas de ±12 V e nunca operem em saturação, julgue os itens subsequentes, relativos a esses circuitos e às características dos amplificadores operacionais.
Provas

Considerando que, os circuitos apresentados nas figuras acima, os amplificadores operacionais sejam ideais, alimentados por fontes simétricas de ±12 V e nunca operem em saturação, julgue os itens subsequentes, relativos a esses circuitos e às características dos amplificadores operacionais.
Provas

Considerando que, os circuitos apresentados nas figuras acima, os amplificadores operacionais sejam ideais, alimentados por fontes simétricas de ±12 V e nunca operem em saturação, julgue os itens subsequentes, relativos a esses circuitos e às características dos amplificadores operacionais.
Provas
Provas
Provas
Provas

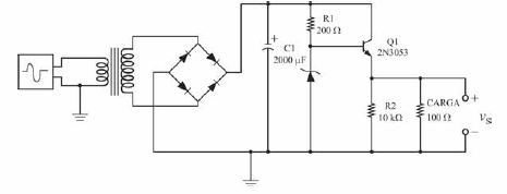
A figura acima ilustra um circuito de fonte de alimentação em que a tensão no secundário do transformador é de 220 V rms; a relação de espiras entre o primário e o secundário é de 10 para 1; e o diodo Zener é de 13 V. Com base nessas informações, julgue os itens subsequentes.
Provas

A figura acima ilustra um circuito de fonte de alimentação em que a tensão no secundário do transformador é de 220 V rms; a relação de espiras entre o primário e o secundário é de 10 para 1; e o diodo Zener é de 13 V. Com base nessas informações, julgue os itens subsequentes.
Provas
Caderno Container