Foram encontradas 20.461 questões.

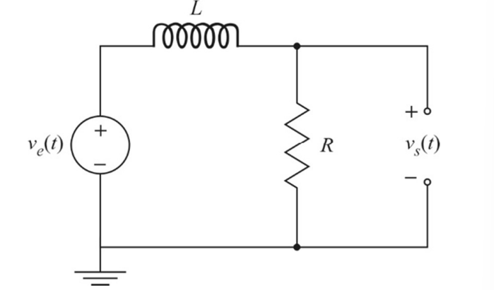
Com relação ao circuito precedente, que utiliza um indutor e um resistor e em que ve(t) é a tensão de entrada e vs(t) é a tensão de saída, julgue os próximos itens.
A expressão \( v_s\left(t\right)=u\left(t\right)e^{-\dfrac{L.t}{R}} \) corresponde à resposta do circuito ao degrau unitário \( u(t). \)
Provas

Com relação ao circuito precedente, que utiliza um indutor e um resistor e em que ve(t) é a tensão de entrada e vs(t) é a tensão de saída, julgue os próximos itens.
O circuito apresentado corresponde a um filtro do tipo passa-baixa de primeira ordem.
Provas
No circuito a seguir, a fonte I F provê uma corrente constante de 100 mA, e a fonte V F , uma tensão constante de 20 V. Além disso, R1 = R2 = R3 = 100 Ω e R4 = 50 Ω.

Em relação a esse circuito, julgue os itens que se seguem.
Considerando-se que o princípio da superposição pode ser utilizado para avaliar separadamente o efeito de uma das fontes, desativando-se a outra, é correto afirmar que o valor da corrente i2 devido apenas ao efeito da fonte de tensão VF é igual a 40 mA.
Provas
Disciplina: Engenharia Eletrônica
Banca: MS CONCURSOS
Orgão: SAAE-São Carlos-SP
Os instrumentos de medida digitais são utilizados em eletrônica devido à sua facilidade de leitura e capacidade de realizar medições automáticas de múltiplas grandezas, como tensão, corrente, resistência. Sobre esses instrumentos, é correto informar:
Provas
Disciplina: Engenharia Eletrônica
Banca: MS CONCURSOS
Orgão: SAAE-São Carlos-SP
Retificadores a diodo e tiristor são fundamentais para a conversão de corrente alternada, (AC), em corrente contínua, (DC), sendo utilizados em fontes de alimentação para notebooks, carregadores de smartphones, conversores de energia e muitos outros exemplos. Com relação aos tipos de retificadores e seus desempenhos, pode-se alegar que:
Provas
Disciplina: Engenharia Eletrônica
Banca: MS CONCURSOS
Orgão: SAAE-São Carlos-SP
Os conversores do tipo analógico para digital, (A/D), desempenham um papel fundamental nas comunicações modernas, visto que convertem sinais ditos naturais, como o áudio, para sinais digitais que podem ser mais facilmente compactados, repetidos, armazenados e processados. A amostragem e a quantização são etapas fundamentais desse processo de conversão A/D, sobre os quais pode-se afirmar que:
Provas
Interrupção é um mecanismo com origem no hardware que possibilita ao processador interromper o fluxo normal de instruções para atender a um evento (1ª parte). O evento pode ser originado por interfaces de I/O, temporizadores ou após a conclusão de determinadas tarefas, como comunicação ou gravação em memória permanente (2ª parte). As interrupções no ESP8266 têm um esquema de prioridades no qual interrupções de prioridade mais baixa podem interromper aquelas de prioridade mais alta (3ª parte).
Quais partes estão corretas?
Provas
Provas
Quanto aos tipos de computadores, ao sistema operacional Windows 11 e aos conceitos de redes de computadores, julgue o item a seguir.
Os computadores embarcados são projetados para realizar tarefas específicas dentro de um sistema maior, por exemplo, em eletrodomésticos e automóveis.
Provas
Seja o circuito abaixo, alimentado por uma fonte senoidal de 220 Vef e 60 Hz, no qual uma carga Zl deve ser conectada. Para que ocorra a máxima transferência de potência possível da fonte para a carga, o módulo da impedância Zl, conectado entre os pontos a e b, deve ser igual a:

Provas
Caderno Container