Foram encontradas 20.461 questões.
Observe o circuito da figura a seguir e assinale a alternativa que apresenta a tensão de saída, indicada como Vsaída no circuito.

Provas
Um dos principais componentes de microcomputadores são as memórias, que se diferenciam de acordo com as suas características. Considerando os tipos de memórias e suas características, analise as afirmativas a seguir e assinale a alternativa que aponta a(s) correta(s).
I. A memória RAM se trata de uma memória volátil e de leitura e escrita.
II. A memória PROM pode ser programada apenas uma única vez.
III. A memória EEPROM é apagável apenas pela incidência de raios ultravioleta.
Provas
Um sistema em malha fechada possui um controlador C(s) com a função de transferência apresentada a seguir:
\( C(s) = \dfrac{4,68^. s^2 + 7,31 ^. s + 9,28}{s} \)
Diante desse controlador, analise as afirmativas e assinale a alternativa que aponta a(s) correta(s).
I. A função de transferência C(s) não se trata de um controlador PID.
II. O ganho proporcional do controlador é Kp = 4,68.
III. O ganho integrativo do controlador é Ki = 9,28.
IV. O ganho derivativo do controlador é Kd = 7,31.
Provas
A função de transferência G(s) a seguir representa um sistema.
\( G(s) = \dfrac{Y(s)}{U(s)} = \dfrac{10}{s^3 + 11^. s^2 + 8 ^. s - 20} \)
Considerando esse sistema e a teoria sobre estabilidade de sistemas, analise as afirmativas a seguir e assinale a alternativa que aponta a(s) correta(s).
I. Uma das formas para saber se o sistema G(s) é estável ou não é utilizando a ferramenta de Routh-Hurwitz.
II. O sistema G(s) em malha aberta é instável.
III. Ao tornar o sistema G(s) em malha fechada com um controlador de ganho proporcional Kp em série com a função de transferência, o valor do controlador Kp deve ser maior que 10,8 para se tornar estável.
Provas
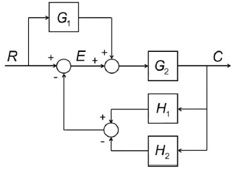
Considerando a função de rede apresentada a seguir, é correto afirmar que C pode ser descrita pela expressão

Provas
Em um sítio, foi empregada uma automação no controle de temperatura da pequena granja do proprietário. A respeito dessas condições, analise as assertivas e assinale a alternativa que aponta a(s) correta(s).
I. Para aumentar a estabilidade do sistema, deve-se utilizar um controle em malha fechada.
II. O sistema deve conter sensor de temperatura.
III. Em relação aos sistemas em malha aberta, o custo de sistemas com retroalimentação são sistemas simples de baixo custo.
Provas
Sobre as quatro funções principais de um computador, é INCORRETO afirmar que
Provas
Os conversores A/D são utilizados para converter os sinais analógicos para digitais no âmbito do sistema de comunicação. Na primeira etapa, é necessário converter uma informação analógica para o formato digital. Essa fase é chamada de
Provas
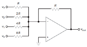
A seguir é apresentado um conversor D/A binário ponderado. A tensão produzida na saída é igual à soma ponderada das entradas, ou seja, o peso é o mesmo que o ganho do canal; as tensões de entradas são digitais de valores 0 ou 1. Calcule os valores de tensão para as entradas 0000, 0101, 1010 e 1110 e assinale a alternativa que apresenta a sequência correta.
Considere os seguintes ganhos: Av3 = -10; Av2 = -5; Av1 = -2,5; Av0 = -1,25.

Provas
Considere um circuito contendo uma associação de fontes de tensão conforme apresentado na figura a seguir.

A tensão no ponto A, em relação ao ponto B, é igual a:
Provas
Caderno Container