Foram encontradas 20.455 questões.
A implementação em diagrama ladder correspondente à função lógica abaixo é:

Assinale a opção que contém o circuito que realiza corretamente essa função.
Provas
Para fazer uma modificação em um sistema digital, foi necessário implementar um circuito que executasse a função lógica abaixo.
\( F = ( \overline{A + B})\,\,CD \)
Assinale a opção que contém o circuito que realiza corretamente essa função.
Provas
A expressão booleana correspondente ao circuito de chaveamento ilustrado abaixo é:

Provas
Uma versão detalhada de um diagrama funcional típico de uma malha de controle é dada na figura abaixo. O elemento de controle indicado por TT corresponde ao transmissor de:

Provas
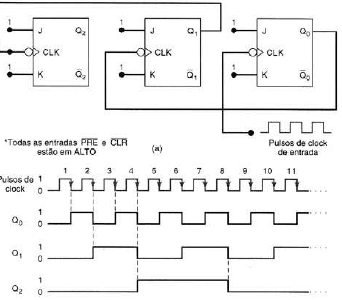
Determine a frequência de saída do Flip-flop (Q ) quando a frequência de entrada é de 1 kHz

Provas
Na figura abaixo, o circuito representa um Flip-flop J-K síncrono. A tabela verdade correspondente à saída é:

Provas
A figura a seguir representa os agrupamentos das variáveis para simplificação de um determinado circuito digital. A expressão simplificada para o circuito será:

Provas
Calcule a tensão de saída do circuito da figura abaixo, para uma tensão de entrada de 120 μV.

Provas
Determine VGSQ e IDQ para o FET no circuito abaixo.

Provas
Determine a tensão V e a corrente I de polarização DC para o circuito representado a seguir.

Provas
Caderno Container