Foram encontradas 773 questões.
Nas áreas de instrumentação, automação e eletrônica é comum o uso de motores elétricos para converter sinais elétricos em movimentos mecânicos. Em algumas aplicações há a necessidade que a rotação do motor elétrico utilizado ocorra com incrementos fixos e discretos.
O tipo de motor que possui essa característica é denominado
Provas
Sabendo que o número de espiras do enrolamento primário é 10 vezes maior que o número de espiras do secundário, a tensão do enrolamento secundário e a corrente que circula no enrolamento primário são, respectivamente,
Provas
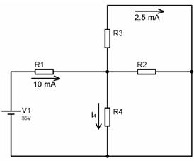
Observe o circuito resistivo a seguir.

As correntes que atravessam os resistores
Sabendo que R2 = 10R1 e R2 = R3, determine a corrente elétrica I4 que atravessa o resistor R4.
Provas
A norma NBR 8896 estabelece símbolos gráficos para sistemas e componentes hidráulicos e pneumáticos.

Considerando os símbolos, indique a representação gráfica correta de um pressostato.
Provas
Um transformador abaixador tem relação de transformação de tensão de 10:1.
Sabendo que a tensão medida em seu enrolamento secundário, em circuito aberto (sem carga), é de 12V, determine o valor da fonte de tensão conectada ao enrolamento primário.
Provas
O esquema a seguir mostra um exemplo de circuito de sonda de alta tensão com atenuação de 100:1 realizando a medida de uma fonte de tensão alternada e devidamente conectada a um voltímetro AC.

O valor mostrado pelo voltímetro, se a sonda estiver conectada a uma tensão (V1) de 20 kV, será
Provas
Um amperímetro DC configurado na escala de corrente com fundo de escala de 10 A, mostra a seguinte leitura: 0.010 A
O valor medido, convertido para miliamperes (mA), corresponde a:
Provas
Provas
Provas
Fonte: Adaptado de Campos, 2017.
Provas
Caderno Container