Magna Concursos

Foram encontradas 810 questões.

Para seleção de um conversor analógico/digital para um sensor que tem como saída uma tensão que varia entre -5 V a +5 V. Precisa-se de uma resolução de 2 mV nas medições. Se o conversor analógico/digital tem fundo de escala (tensão mínima e máxima onde o conversor funciona linearmente) -10 V a +10 V, qual o número de bits mínimo que este conversor analógico digital deve ter?
 

Provas

Questão presente nas seguintes provas
Você está realizando um experimento e precisa especificar um sensor de pressão atmosférica. Neste experimento, todas as medidas e controle são realizados com um Arduino UNO. Após uma busca na Internet, você chega a uma lista de sensores que satisfazem os critérios técnicos e de orçamento. O que difere entre cada sensor é a interface disponível entre o sensor e o microcontrolador ou PLC. Qual protocolo digital abaixo teria o interfacemanto com o Arduino UNO mais simples tanto no que se refere a software quanto a hardware adicional? Desconsidere cabos e conexões elétricas.
 

Provas

Questão presente nas seguintes provas

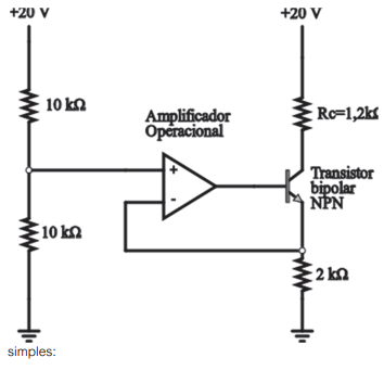
O circuito da figura a seguir representa uma fonte de corrente

Enunciado 3685722-1

Qual a corrente mais próxima da observada no resistor de carga (Rc) que vale 1,2 kΩ? Considere que o amplificador operacional seja ideal.

 

Provas

Questão presente nas seguintes provas

Enunciado 3685721-1

Faixas aceitáveis de temperatura operativa para espaços naturalmente condicionados. Adaptado de ASHRAE (2023).

Ainda considerando a figura apresentada, indique qual é, aproximadamente, a temperatura operativa máxima aceita pela norma ASHRAE 55 (ASHRAE, 2023), para um ambiente naturalmente ventilado, localizado em uma cidade hipotética, no dia primeiro de agosto de um ano caracterizado pelas temperaturas médias do ar externo apresentadas na tabela a seguir:

Temperaturas médias do ar externo (Tm).
Mês Tm (°C)
Janeiro 14,1
Fevereiro 16,9
Março 20,1
Abril 24,5
Maio 25,2
Junho 27,6
Julho 30,0
Agosto 31,6
Setembro 29,2
Outubro 27,0
Novembro 22,4
Dezembro 17,6
Ano 23,9
 

Provas

Questão presente nas seguintes provas
3685720 Ano: 2025
Disciplina: Arquitetura
Banca: FUVEST
Orgão: USP

Enunciado 3685720-1

Faixas aceitáveis de temperatura operativa para espaços naturalmente condicionados. Adaptado de ASHRAE (2023).

Considerando a figura apresentada e seus conhecimentos da norma ASHRAE 55 Thermal Environmental Conditions for Human Occupancy (ASHRAE, 2023), assinale a alternativa correta.
 

Provas

Questão presente nas seguintes provas
3685719 Ano: 2025
Disciplina: Edificações
Banca: FUVEST
Orgão: USP
Segundo a norma brasileira NBR 15220-2 (ABNT, 2022), que trata de componentes e elementos construtivos das edificações, a resistência térmica total de um componente plano da edificação que possui camadas termicamente homogêneas e perpendiculares ao fluxo de calor é dado em função de as resistências térmicas de projeto para
 

Provas

Questão presente nas seguintes provas
3685718 Ano: 2025
Disciplina: Arquitetura
Banca: FUVEST
Orgão: USP

Observe a figura a seguir:

Enunciado 3685718-1

Padrão da ventilação determinado pelo posicionamento das esquadrias Lamberts et. al., 2014, p.185.

“A ventilação cruzada é uma das técnicas mais eficazes de ventilação num ambiente, pois exige, basicamente, duas aberturas em paredes diferentes e certo conhecimento da orientação dos ventos desejáveis nos períodos quentes.”

Lamberts et. al., 2014, p.185.

Considerando o contexto do excerto citado e a apresentada, assinale a alternativa correta.

 

Provas

Questão presente nas seguintes provas
3685717 Ano: 2025
Disciplina: Física
Banca: FUVEST
Orgão: USP

Observe as tabelas a seguir:

Tabela 1: Ponderação A. Adaptado de Egan (1988, p.31).
Frequência (Hz) 125 250 500 1000 2000 4000
Ponderação A (dB) -15 -8 -3 0 +1 +1
Tabela 2: Níveis sonoros por bandas de oitava.
Frequência (Hz) 125 250 500 1000 2000 4000
Nível sonoro (dB) 74 68 64 65 57 67

A tabela 1 apresenta a ponderação A para as bandas de oitava de 125 a 4000 Hz. Assinale a alternativa que apresenta corretamente o nível global de pressão sonora, em dB(A), considerando os níveis sonoros nas bandas de oitava de 125 a 4000 Hz, apresentados na Tabela 2.

 

Provas

Questão presente nas seguintes provas
3685716 Ano: 2025
Disciplina: Arquitetura
Banca: FUVEST
Orgão: USP
Leia o trecho a seguir:

           “Nas regiões predominantemente quentes no Brasil, a arquitetura deve contribuir para minimizar a diferença entre as temperaturas externas e internas do ar. Um desempenho térmico satisfatório da arquitetura, com a utilização apenas de recursos naturais, pode não ser possível em condições climáticas muito rígidas. Mesmo nesses casos devem-se procurar propostas que maximizem o desempenho térmico natural, pois, assim, pode-se reduzir a potência necessária dos equipamentos de refrigeração ou aquecimento, visto que a quantidade de calor a ser retirada ou fornecida ao ambiente resultará menor.”
Frota e Shiffer, 1988, p. 66.


Considerando o contexto apresentado pelo texto e, em relação específica ao clima quente úmido, é correto afirmar:
 

Provas

Questão presente nas seguintes provas
3685715 Ano: 2025
Disciplina: Arquitetura
Banca: FUVEST
Orgão: USP

Observe a figura a seguir:

Enunciado 3685715-1

Considerando um dia de céu claro e a Carta Solar para latitude 24° S, a qual corresponde, com boa aproximação, à cidade de São Paulo (23,5° S), assinale a alternativa correta para uma fachada sem mascaramento de céu na referida cidade.

 

Provas

Questão presente nas seguintes provas