Foram encontradas 810 questões.
O método BET (Brunauer, Emmett e Teller) é uma das técnicas mais utilizadas para medir essa característica, baseando-se em ciclos de isoterma de adsorção-dessorção de gases inertes na superfície do material e aplicando um modelo matemático para estimar a área disponível para adsorção.
Com base nesse princípio, qual fenômeno fundamenta a determinação da área superficial pelo método BET?
Provas
A acetona (propanona, CH₃COCH₃) é uma cetona simples, em que o grupo C=O absorve a ~1715 cm⁻¹, como mostrado no espectro FTIR a seguir:
A cloroacetona (CH₂ClCOCH₃), por sua vez, apresenta um átomo de cloro (-Cl) adicionado ao carbono adjacente à carbonila.
Com base nessas informações, como a introdução de um grupo eletronegativo próximo à carbonila afeta sua frequência de absorção?
Provas
Antes da análise, um estudante de pós-graduação pergunta: "Por que usamos KBr e não outro sal ou material?"
Com base nesse questionamento, qual das seguintes alternativas explica corretamente o motivo pelo qual o KBr é utilizado na preparação de pastilhas para espectroscopia IV?
Provas
Com base nesse cenário, qual das seguintes explicações é a mais provável para os valores elevados de absorbância?
Provas
Os seguintes dados foram registrados:
• Absorbância medida (A) = 0,80 • Caminho óptico da cubeta (b) = 2,0 cm • Coeficiente de absorção molar ( ε) = 1000 L·mol⁻¹·cm⁻¹
Sabendo que a relação entre esses parâmetros é descrita pela Lei de Beer-Lambert, qual é a concentração da solução?
Provas
Provas
Ao analisar uma amostra de polímero por DSC, foi identificado um evento endotérmico caracterizado por uma alteração na linha de base, em aproximadamente 60 °C, conforme mostrado na figura a seguir.
Com base nessas informações, esse evento pode ser atribuído à:
Provas
A Análise Termogravimétrica (TG) é uma técnica utilizada para investigar a estabilidade térmica de materiais e quantificar a perda de massa associada a diferentes eventos térmicos, como desidratação, decomposição térmica e combustão. Uma amostra desconhecida foi analisada por TG, resultando em uma curva termogravimétrica com dois eventos térmicos. O primeiro evento térmico, ocorrido até aproximadamente 150 °C, corresponde à perda de água adsorvida e água de hidratação. O segundo evento, iniciado em torno de 600- 700 °C, refere-se à decomposição do carbonato de cálcio (CaCO₃), conforme reação representada pela equação:
\(\mathrm{CaCO}_3(s) \underset{\Delta}{\rightarrow} \mathrm{CaO}(s) + \mathrm{CO}_2(g)\)
Sabe-se que:
Com base nesses dados, a porcentagem em massa de CaCO₃ presente na amostra original é:
Note e adote: Massas molares (g.mol-1): H2O = 18; CO2 = 44; CaO = 56; CaCO3 = 100
Provas
A função C++ a seguir é usada em um aplicação desenvolvida com Arduino:
int8_t opbits(uint8_t x1){
uint8_t x2 = 0x55;
uint8_t x3 = 0x03;
uint8_t x4 = 0x08;
return ~(((x1 ^ x2) << x3) % x4);
}
Esta função é chamada no código a seguir:
uint8_t x1 = 0xaa;
int16_t y = 10*opbits(x1);
Serial.println(y)
Qual será o valor impresso (decimal) por este código?
Provas
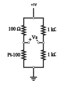
R(T) = R0 × (1 + α × T)
Admitindo que α = 0,4 %/°C, se o Pt-100 for posicionado na ponte de Wheatston da figura apresentada a seguir, qual a diferença de potência Vs quando a temperatura do Pt-100 é de 250 °C e a ponte é alimentada com 1 V?

Provas
Caderno Container