Foram encontradas 299 questões.
Estruturas de acesso adicionais ao banco de dados são denominados índices.
Avalie as assertivas sobre índices:
I. Em um índice primário, o número de entradas é igual ao número de blocos do arquivo de dados.
II. Índices são utilizados para diminuir a velocidade de recuperação de registros na resposta a certas condições de busca.
III. A criação de índices clustering aumenta a velocidade de recuperação de registros que tenham valores distintos para o campo de clustering.
IV. O tempo de resposta para processos de inclusão e alteração é aumentado com a utilização de índices ordenados.
Provas
Questão presente nas seguintes provas
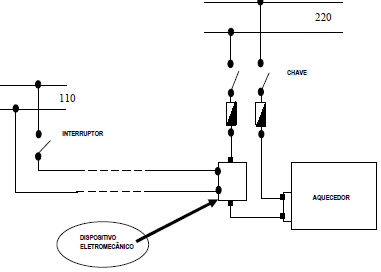
O esquema de ligação do aquecedor elétrico (boiler) mostra que o comando à distancia se faz por um simples interruptor sob 110 V, devido à instalação de um dispositivo eletromecânico indicado no esquema, cuja denominação é:

Provas
Questão presente nas seguintes provas
Conforme o Código Civil Brasileiro, analise as assertivas e assinale a alternativa CORRETA:
I. A novação extingue os acessórios e garantias da dívida, sempre que não houver estipulação em contrário. Não aproveitará, contudo, ao credor ressalvar o penhor, a hipoteca ou a anticrese, se os bens dados em garantia pertencerem a terceiro que não foi parte na novação.
II. Purga-se a mora por parte do devedor, oferecendo este a prestação mais a importância dos prejuízos decorrentes do dia da oferta.
III. Nos contratos onerosos, o alienante responde pela evicção. Subsiste esta garantia ainda que a aquisição se tenha realizado em hasta pública.
IV. A resilição unilateral, nos casos em que a lei expressa ou implicitamente o permita, opera mediante denúncia notificada à outra parte.
V. A cláusula resolutiva expressa opera de pleno direito; a tácita depende de interpelação judicial.
Provas
Questão presente nas seguintes provas
A administração de conflitos utiliza-se de um modelo que se baseia em duas dimensões: a assertiva e a cooperativa.
Assinale abaixo a alternativa CORRETA a respeito dos estilos desse modelo:
Provas
Questão presente nas seguintes provas
As organizações do século XXI mudaram vários paradigmas, como as relações de poder e de hierarquia.
Assinale abaixo a alternativa CORRETA em relação a esse tema:
Provas
Questão presente nas seguintes provas
A perda auditiva induzida por ruído ocupacional é usualmente mais severa em:
Provas
Questão presente nas seguintes provas
O atual processo de transformação do atual momento exige das organizações prontidão para se adaptar aos novos desafios.
Assinale abaixo a alternativa CORRETA em relação ao modelo de gestão por competências:
Provas
Questão presente nas seguintes provas
Considere a tabela abaixo, digitada no Microsoft Word 2003.
| Nome da conta do usuário |
| Ciclano12 |
| Beltrano_10 |
| 123Fulano |
| Beltrano_CWB |
| Fulano |
O usuário selecionou as linhas da tabela, com exceção da primeira, e clicou a opção Classificação crescente, conforme mostrado na imagem abaixo:

Qual a sequência que teremos na tabela em questão, após o Word classificar as linhas selecionadas?
Provas
Questão presente nas seguintes provas
Os teóricos das organizações sempre estiveram se dedicando a entender a liderança e sua influência na consecução dos objetivos organizacionais. Analise as assertivas abaixo e assinale a alternativa CORRETA:
I. Na posição de liderança, a habilidade técnica é importante; porém, quanto mais uma equipe se desenvolve, proporcionalmente menos importantes se tornam suas habilidades técnicas.
II. A habilidade conceitual é a capacidade de pensar em termos de modelos, estruturas e relações amplas, que se tornam cada vez menos
importantes à medida que avançamos na hierarquia da organização.
importantes à medida que avançamos na hierarquia da organização.
III. A capacidade de seguir alguém é um dos requisitos para uma boa liderança.
IV. Uma liderança bem-sucedida segue objetivos definidos em situações específicas e considera isoladamente cada variável para se atingirem os objetivos, como o seu papel, os liderados e as situações.
Provas
Questão presente nas seguintes provas
Segundo Malcom Knowles (1973), a andragogia, que é a arte e a ciência de orientar adultos a aprender, definiu certos princípios. Analise as assertivas abaixo e assinale a alternativa CORRETA:
I. Os adultos apresentam dificuldade na aprendizagem, o que fundamenta a necessidade de utilização de técnicas da andragogia, possibilitando a assimilação de conteúdos novos.
II. Passam a apresentar motivações externas, como notas, recompensas etc.
III. O ritmo de aprendizagem do adulto torna-se mais lento, determinando outras expectativas e metodologias de ensino-aprendizagem.
IV. O adulto até pode aprender melhor que o jovem, quando a experiência e a maturidade de vida são valorizadas e utilizadas nos processos de ensino.
V. Os programas de treinamento devem ser caracterizados por relações verticais entre os instrutores e os participantes dos grupos de treinamento.
Provas
Questão presente nas seguintes provas
Cadernos
Caderno Container