Foram encontradas 50 questões.
Para que uma junção PN seja polarizada diretamente, é necessário, dentre outras condições, que
Provas
Questão presente nas seguintes provas
Considere a figura abaixo, que representa um adaptador de rede PCI 10/100M TF-3200.

Com relação a esse adaptador, o termo 10/100 refere-se a
Provas
Questão presente nas seguintes provas

No circuito RLC apresentado acima, a chave ideal K é fechada no instante de tempo t = 0 s. Nesse instante, o capacitor encontra-se descarregado (tensão nula). A respeito do circuito mostrado na figura, considere as afirmativas a seguir.
I) Se a tensão de excitação v(t) é um degrau de amplitude 48 V, a corrente, em regime permanente, que passa pelo circuito, é igual a 4,8 A.
II) Se a tensão de excitação v(t) é um degrau de amplitude 48 V, a tensão no capacitor, em regime permanente, é igual a 48 V.
III) Considerando-se regime permanente senoidal, o circuito é sempre indutivo, independentemente da frequência do sinal de excitação, pois o valor da indutância é maior do que o valor da capacitância.
Assinale a alternativa que apresenta apenas afirmativa(s) correta(s).
Provas
Questão presente nas seguintes provas
Considere o circuito lógico mostrado na figura abaixo cujas chaves são controladas por variáveis lógicas tais que:
- Se A estiver em nível lógico 1 (um), então a chave A está fechada; se A estiver em nível lógico zero, então a chave A está aberta.
- Se C estiver em nível lógico 1 (um), então a chave C está fechada; se C estiver em nível lógico zero, então a chave C está aberta.
- De modo contrário, se a variável B estiver em nível lógico 1 (um), então a chave designada !$ \overline{B} !$ está aberta; se B estiver em nível lógico baixo, então a chave designada !$ \overline{B} !$ está fechada.
- A variável de saída D estará baixa se a tensão de saída for zero.

Considerando tanto as afirmativas quanto o circuito acima apresentados, é correto afirmar que a expressão da saída D para este circuito lógico é:
Provas
Questão presente nas seguintes provas
- Protocolos e ServiçosAcesso ao MeioARP: Address Resolution Protocol
- Protocolos e ServiçosConfiguração de RedeDHCP: Dynamic Host Configuration Protocol
Sobre a configuração de dispositivos de rede no ambiente Windows, considere as afirmativas abaixo.
I) O protocolo DHCP permite que os dispositivos conectados à rede obtenham um endereço IP, automaticamente.
II) O protocolo ARP permite obter o endereço físico (MAC) de uma placa, utilizando o endereço lógico IP correspondente.
III) Ambos os protocolos TCP e UDP são orientados à conexão, e, portanto, estabelecem uma conexão entre o cliente e o servidor.
Assinale a alternativa que apresenta apenas afirmativa(s) correta(s).
Provas
Questão presente nas seguintes provas
Uma das maiores e mais importantes aplicações para o diodo Zener é servir como regulador de tensão, proporcionando tensões estáveis para uso em fontes de alimentação, voltímetros e outros instrumentos.
O circuito a seguir utiliza um diodo Zener, modelo 1N4739A. O catálogo do fabricante (datasheet) fornece os valores máximos e mínimos da corrente Zener, a tensão Zener e a máxima potência dissipada pelo componente.

Dados do fabricante:
!$ V_Z !$ = !$ 9,1 V !$; !$ I_{Zmin} !$= !$ 0,5 !$ mA; !$ I_{Zmax} !$= !$ 100 !$mA; !$ P_{max} !$= 1W;
!$ V_Z !$ = !$ 9,1 V !$; !$ I_{Zmin} !$= !$ 0,5 !$ mA; !$ I_{Zmax} !$= !$ 100 !$mA; !$ P_{max} !$= 1W;
Considerando as informações acima, a resistência RS de valor comercial, que garante uma boa regulação na carga fixa de 1KΩ, e ainda possibilita a menor dissipação de potência no diodo zener é:
Provas
Questão presente nas seguintes provas
A figura abaixo representa a tensão v(t), linha contínua, e a corrente i(t), linha tracejada, em um determinado circuito de corrente alternada.

Em relação ao gráfico, é correto afirmar que a corrente i(t) está
Provas
Questão presente nas seguintes provas
A figura a seguir mostra um circuito de polarização DC por realimentação de emissor.

A função de RE neste circuito é:
Provas
Questão presente nas seguintes provas
Para o circuito esquematizado na figura abaixo, considere os diodos ideais, v(t) um sinal senoidal de 5 Vp e frequência de 100 Hz.

Para esse circuito, considere as afirmativas a seguir.
I) Os diodos !$ D_1 !$ e !$ D_2 !$ podem conduzir corrente direta simultaneamente.
II) O diodo !$ D_1 !$ está reversamente polarizado em todo o semiciclo positivo de v(t).
III) O diodo !$ D_2 !$ conduz diretamente a corrente em todo o semiciclo positivo de v(t).
IV) O circuito ceifa a tensão de entrada, v(t), em -4V e +3V, como mostra o gráfico abaixo.

Assinale a alternativa que apresenta apenas afirmativa(s) correta(s).
Provas
Questão presente nas seguintes provas
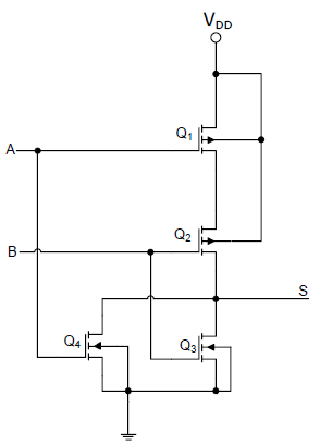
No circuito digital apresentado na figura abaixo, as entradas digitais A e B e a saída digital S podem assumir valores 0V, representando o nível baixo, ou VDD, representando o nível alto.

Considerando as informações e o circuito acima apresentados, assinale a alternativa que apresenta a função lógica implementada por esse circuito.
Provas
Questão presente nas seguintes provas
Cadernos
Caderno Container