Foram encontradas 50 questões.
Com relação ao sistema operacional Linux considere as afirmativas a seguir.
I) O Script é um interpretador de linha de comando.
II) O Kernel possui a função de conectar o software ao hardware, estabelecendo uma comunicação eficaz entre os recursos do sistema.
III) A Shell é a coleção de comandos armazenados em um arquivo.
Assinale a alternativa que apresenta apenas afirmativa(s) correta(s).
Provas
Questão presente nas seguintes provas
Considere o circuito em ponte apresentado abaixo.

O valor da resistência variável, que possibilita uma leitura de 2V em !$ V_T !$, é igual a:
Provas
Questão presente nas seguintes provas
Considere o circuito a seguir operando em regime permanente.

O valor da corrente, que passa através dos resistores de 500Ω e 1000Ω, é, respectivamente,
Provas
Questão presente nas seguintes provas
A guerra é a política destituída de metáfora, o momento em que os agentes abrem mão da mediação discursiva e optam pelo ato físico de dominar. A despeito do controle das riquezas materiais e de todos os sentidos simbólicos, a realização do fenômeno militar é, no fim, a imposição do poder de um grupo sobre outro.
A Segunda Guerra Mundial cujo fim no cenário europeu aconteceu há 70 anos levou a 5 vontade de dominação a feições arquetípicas. Desde fins do século XIX desenvolvia-se o capitalismo industrial, com a aparente vitória da direita liberal nos planos econômico e político. Mas, nas primeiras décadas do século seguinte a receita ampliou a miséria, terreno prenhe no qual brotaram ideologias de extrema-direita: o fascismo italiano e o nazismo alemão - que se configuraram em planejamento sistemático de expansão armada, controle absoluto das 10 massas trabalhadoras e extermínio físico das oposições.
Resultado de um programa gestado no espectro político hegemônico no Ocidente, o relâmpago nazista, que se pôs à mostra na década de 1930, partia de lugares ideológicos tão reconhecíveis que custou a encontrar oposição verdadeira. Hitler, Mussolini e seus aliados só enfrentaram duas resistências cerradas: outras potências imperiais quando se viram 15 confrontadas, e os milhões de combatentes informais, que compuseram a grande barreira ideológica ao projeto nazista de aniquilação, como se pode ler no artigo de Chico Teixeira.
Em um mundo que já viveu O Horror, o anteparo à tragédia política - seja aquela aberta da guerra formal, seja a velada como os 50 mil homicídios dolosos anuais no Brasil - é o exercício diário da consciência, da percepção da injustiça presente no ato corriqueiro, que é 20 permitir, sejam quais forem as circunstâncias, a dominação de outrem.
ELIAS, Rodrigo. Revista de História da Biblioteca Nacional. Ano 10, No. 116, maio de 2015, p. 5.
Assinale a alternativa em que se reconhece marca de opinião do autor com função argumentativa.
Provas
Questão presente nas seguintes provas
Considere a figura abaixo que mostra um diagrama bastante utilizado para representar circuitos multiplexadores e a Tabela verdade correspondente.

Considere também o diagrama a seguir que representa determinado circuito multiplexador e a tabela ao lado.

A partir das informações apresentadas, assinale a alternativa que apresenta a sequência da saída Y que preenche corretamente a tabela acima.
Provas
Questão presente nas seguintes provas
Considere o circuito a seguir.

As tensões !$ V_{AB} !$ e !$ V_{BC} !$ do circuito da figura acima são, respectivamente,
Provas
Questão presente nas seguintes provas
O registrador A é de 4 bits e possui valor inicial de 1111b. Adicionando-se o valor 0001b ao registrador A, o resultado é:
Provas
Questão presente nas seguintes provas
Sabendo-se que o chip de memória flash 28F256A é do tipo CMOS e tem capacidade de 32K x 8, assinale a alternativa que apresenta a quantidade correta de linhas de endereço necessárias, para que se tenha acesso a todo o conteudo dessa memória.
Provas
Questão presente nas seguintes provas
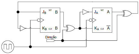
A figura abaixo mostra um esquema de um contador síncrono, utilizado em sistemas de acionamento de motores de passo.

Sabe-se que a entrada Direção se encontra em nível lógico baixo.

Assinale a alternativa que apresenta a sequência que completa corretamente a tabela acima, na ordem BA.
Provas
Questão presente nas seguintes provas
Considere a tabela a seguir.

Assinale a alternativa que apresenta a expressão lógica mínima que representa a tabela verdade.
Provas
Questão presente nas seguintes provas
Cadernos
Caderno Container