Foram encontradas 220 questões.
A chamada transição nutricional é caracterizada pela inversão da distribuição das carências nutricionais de forma progressiva pela emergência de sobrepeso e obesidade.
Sobre as principais carências nutricionais na atualidade, assinale a alternativa correta.
Provas
A respeito das características de montagem de acordo com os gêneros cinematográficos e televisivos, é correto afirmar que
Provas
Referente às características do sinal das câmeras de gravação de vídeo, assinale a afirmativa correta.
Provas
- UniãoExecutivoDecreto 1.171/1994: Código de Ética do Servidor Público Civil do Poder Executivo Federal
De acordo com o que está previsto no Decreto nº 1.171, de 1994, a função pública deve ser tida como exercício profissional e, portanto, se integra na vida particular de cada servidor.
A partir das regras deontológicas, assinale a alternativa que CONTRARIA o referido texto legal.
Provas
Um dos micronutrientes mais utilizados na cultura da soja é o Mo. Sua importância está mais relacionada com a eficiência da fixação biológica de N pelos rizóbios do que pela falta deste nutriente no metabolismo da soja. Assim, em solos com pH menor que 5,5 é recomendada a aplicação de Mo (CQFSRS/ SC, 2016) na soja.
As doses variam entre g de Mo/ha via tratamento de semente ou entre g de Mo/ha via pulverização foliar entre dias após a emergência das plantas.
Assinale a alternativa que preenche corretamente as lacunas.
Provas
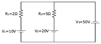
Observe o circuito na figura a seguir.

Analisando quantitativamente o circuito, considere as afirmações a seguir.
I → A corrente que circula pelo resistor "R1" é igual a 30 A, enquanto na fonte "V3" circulam 34 A.
II → A potência fornecida pela fonte "V3" é igual a 2,2 kW.
III → As fontes "V1" e "V2" estão sendo carregadas (recebendo cargas).
IV → O somatório das potências elétricas dissipadas nos resistores "R1" e "R2" é igual a 2,78 kW.
Está(ão) correta(s)
Provas
A angiografia representa uma importante aplicação da tomografia computadorizada na medicina veterinária. Em relação a tal procedimento, considere as afirmações a seguir.
I - O meio de contraste ao ser injetado na veia cefálica atinge, sequencialmente, a veia cava cranial, o átrio direito, o ventrículo direito, as artérias e veias pulmonares, o átrio e o ventrículo esquerdo, as artérias aorta e periféricas, antes de retornar ao coração através da veia cava caudal, e ao fígado através da veia porta.
II - Como o meio de contraste iodado é eliminado essencialmente por filtração glomerular, a urografia excretora é superior quando é feita utilizando a radiografia digital em vez da tomografia computadorizada, pois permite, por exemplo, uma identificação mais precisa de ureter ectópico e evita-se a exposição do animal à radiação com a tomografia.
III - Não são necessários injetores automáticos de meios de contraste, pois a injeção é realizada em bolus não importando a fase vascular nem o pico de realce.
IV - O grau de realce pode ser avaliado qualitativa e quantitativamente, e suas características podem ser utilizadas para complementar outras observações morfológicas, sem aumentar a sensibilidade e a especificidade.
Está(ão) correta(s)
Provas
Um dos fatores mais importantes na aparência radiográfica do estômago de cães e gatos é a posição do paciente durante o exame radiográfico. Diante desta afirmação, marque a alternativa correta.
Provas
O tratamento médico de uma fratura varia de acordo com o local, a gravidade da fratura e a idade do paciente. Com relação às fraturas ósseas, marque a alternativa correta.
Provas
A figura a seguir mostra parte integrante de uma planta elétrica residencial.

Analisando a ligação elétrica do Circuito 1 (iluminação com interruptor paralelo), do Circuito 2 (tomadas) e Circuito 3 (tomada), é correto afirmar que
Provas
Caderno Container