Foram encontradas 639 questões.
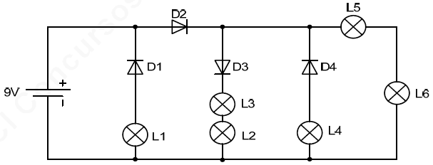
Sabendo-se que a tensão nominal das lâmpadas do circuito abaixo é de 4,50 V, identifique a condição de funcionamento de cada uma delas.

Provas
Um transformador trifásico tem as seguintes características:
- potência nominal: 112,5 kVA
- tensão primária: 12 kV
- tensão secundária: 220 V
O valor da corrente nominal do disjuntor de proteção geral dos circuitos ligados nos enrolamentos secundários deve ser de:
Provas
Quanto ao uso de condutores, a ABNT, na sua norma NBR 5410, padroniza a seção mínima de condutores e cabos isolados de cobre para o condutor fase, conforme a utilização do circuito.
Assinale a alternativa correta.
Provas
O mundo inteiro está vivendo um acelerado processo de desenvolvimento tecnológico, reestruturando praticamente todas as atividades humanas (incluindo a educação). Isto não deve ser ignorado pelos educadores, pois quando a escola sabe valer-se de novas possibilidades tecnopedagógicas, cria condições diversas para diminuir as desigualdades e potencializa a aprendizagem.
Em relação ao uso de tecnologias atuais na educação, assinale a alternativa incorreta.
Provas
O Sistema Nacional de Avaliação da Educação Superior - Sinaes, instituído pela Lei nº. 10.861, de 14 de abril de 2004, tem como características principais:
Provas
O objetivo principal do planejamento de ensino é possibilitar um trabalho mais significativo e transformador, consequentemente, mais realizador, na escola e na sociedade.
Nesse sentido, assinale a alternativa correta.
Provas
Considerando que projeto pedagógico de curso (PPC) é um instrumento de planejamento educacional, que estabelece as diretrizes para as atividades acadêmicas das IES, assinale a alternativa incorreta.
Provas
O sistema de avaliação proposto pela Lei nº. 9394, de 20 de dezembro de 1996 – LDB, problematiza a avaliação classificatória, por alguns identificada como garantia de um ensino de qualidade. A nota classificaria o “bom” e o “mau” aluno. Hoje, devemos considerar o erro como algo construtivo, procurando desenvolver saberes e competências para resolver situações/problema simples ou complexas.
Assim, o principal procedimento que pode levar o educador a atingir esses objetivos é:
Provas
O MEC publicou um documento com os Referenciais de Qualidade para a Educação Superior pela Modalidade de Educação a Distância (EaD). Conforme este documento pode-se afirmar que:
I. um curso superior precisa estar ancorado em um sistema de comunicação que permita ao estudante resolver, com rapidez, questões referentes ao material didático e seus conteúdos, bem como aspectos relativos à orientação de aprendizagem como um todo, articulando o estudante com docentes, colegas, coordenadores de curso e disciplinas. Por isso, não é possível aos estudantes da Educação a Distância o desenvolvimento de uma boa formação profissional.
II. o projeto político pedagógico para oferta de cursos em EaD deve apresentar claramente sua opção epistemológica de educação, de currículo, de ensino, de aprendizagem, de perfil do estudante que deseja formar; com definição, partir dessa opção, de como se desenvolverão os processos de produção do material didático, de tutoria, de comunicação e de avaliação, delineando princípios e diretrizes que alicerçarão o desenvolvimento do processo de ensino e aprendizagem.
III. a produção de materiais didáticos para EaD atende a diferentes lógicas de concepção, produção, linguagem, estudo e controle de tempo. Para atingir estes objetivos, os docentes produzem os conteúdos sem a colaboração da equipe multidisciplinar, formada por profissionais especialistas em desenho instrucional, diagramação, ilustração, desenvolvimento virtual, entre outros.
Assinale a alternativa correta.
Provas
Sobre o significado essencial da avaliação mediadora ou formativa, pode-se afirmar que:
Provas
Caderno Container