Foram encontradas 639 questões.
Assinale a alternativa que mostra apenas propriedades mecânicas necessariamente obtidas por meio de ensaios de flexão.
Provas
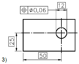
Qual a alternativa que corresponde a uma leitura incorreta das indicações mostradas abaixo?


Provas
A figura abaixo mostra duas curvas de Tensão x Deformação para um mesmo corpo de prova considerando os dados de Carga x Alongamento de um único ensaio de tração.
Sobre essas duas curvas é possível afirmar que:

Provas
Assinale a alternativa correta sobre o princípio que caracteriza o funcionamento das transmissões por polias e correias.
Provas
Disciplina: Segurança e Saúde no Trabalho (SST)
Banca: UFSCAR
Orgão: UFSCAR
Assinale a alternativa incorreta.
Provas
Dada a tabela contendo os símbolos métricos utilizados em eletricidade, associá-los a seus prefixos.
| I | p | ( ) mili |
| II | n | ( ) tera |
| III | !$ \mu !$ | ( ) nano |
| IV | m | ( ) kilo |
| V | k | ( ) pico |
| VI | M | ( ) micro |
| VII | T | ( ) mega |
Provas
Sobre lâmpadas, pode se afirmar que:
I. as lâmpadas fluorescentes compactas não necessitam de reator para seu funcionamento.
II. as lâmpadas de luz mista possuem filamento.
III. as lâmpadas de vapor de sódio utilizam reator e ignitor para seu funcionamento.
IV. as lâmpadas incandescentes não necessitam de reator para o seu funcionamento.
Assinale a alternativa correta.
Provas
A Norma Brasileira NBR-5410 – Instalações Elétricas de Baixa Tensão considera três tipos de aterramento. Assim, pode-se afirmar que:
I. No esquema IT todas as partes vivas são isoladas da terra ou um ponto de alimentação é aterrado por meio de impedância.
II. O esquema TN possui um ponto da alimentação diretamente aterrado, estando as massas da instalação ligadas a eletrodos de aterramento eletricamente distintos do eletrodo de aterramento da alimentação.
III. O esquema TT possui um ponto de alimentação diretamente aterrado, sendo as massas ligadas a esse ponto através de condutores de proteção.
Assinale a alternativa correta.
Provas
O soquete ou porta-lâmpadas utilizado em lâmpadas incandescentes é do tipo rosca, modelos E10, E14, E27, E40 e é denominado:
Provas
Entre as alternativas abaixo qual delas não está correta em relação aos princípios fundamentais que orientam os objetivos da norma NBR 5410/2004 da ABNT ?
Provas
Caderno Container