Foram encontradas 639 questões.
Observe a figura abaixo e assinale a alternativa incorreta.

Provas
Dentre as recomendações básicas para o manuseio seguro de produtos derivados de petróleo citadas a seguir, indique a afirmação incorreta.
Provas
Sobre a preparação de amostras para análise metalográfica, obtidas a partir de corpos de prova, é correto afirmar que:
Provas
Equipamentos como prensas hidráulicas ou macacos hidráulicos, quando não estiverem sendo utilizados, devem estar com:
Provas
Sobre os blocos padrão é incorreto afirmar que:
Provas
Uma indústria precisa comprar um transformador para alimentar as cargas de um forno de 10 kW e motores de 10 kVA e cos !$ \theta !$ = 0,5.
Assinale a alternativa que corresponde a potência mínima do transformador que deverá ser adquirido.
Provas
Indique a alternativa que descreve corretamente o tratamento superficial que resulta em aumento da dureza dos metais utilizados em peças sujeitas ao desgaste e a abrasão.
Provas
Qual das alternativas abaixo não corresponde a objetivo específico da retífica?
Provas
Observe a viga fixa sobre dois apoios mostrada abaixo e assinale a alternativa correta a respeito do deslocamento vertical das seções da viga segundo a cota X da posição da carga P indicada.

Provas
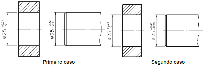
Sobre os desenhos mostrados abaixo assinale a alternativa correta.

Provas
Caderno Container