Foram encontradas 915 questões.
Assinale a alternativa que completa CORRETAMENTE a afirmativa abaixo.
Desenvolvida pela Hewlett Packard, a linguagem PCL se tornou um padrão na maioria das impressoras jato de tinta e laser. É uma linguagem eficiente, mas pobre em recursos profissionais, pois não suporta o principal formato profissional de exportação, que é:
Provas
Questão presente nas seguintes provas
Sobre as doenças inflamatórias intestinais, assinale a alternativa CORRETA.
Provas
Questão presente nas seguintes provas
Com relação aos hipolipemiantes, é CORRETO afirmar que:
Provas
Questão presente nas seguintes provas
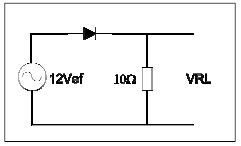
Considere o retificador de meia-onda apresentado abaixo.

Sobre o retificador de meia-onda, é CORRETO afirmar que:
Provas
Questão presente nas seguintes provas
Assinale a alternativa que responde CORRETAMENTE à pergunta abaixo.
Considere um teste de resistência mecânica em uma placa quadrada de 2 m de lado. Estando incluído o seu peso próprio, ela será submetida a um carregamento uniformemente distribuído de 3 N/mm2, em toda a sua superfície.
Qual a força a ser resistida por cada um dos apoios localizados nos 4 cantos dessa placa?
Provas
Questão presente nas seguintes provas
Um sítio, considerado comumente a unidade básica da pesquisa arqueológica, pode ser identificado sob uma vasta variedade de denominações, dependendo das diferenças que se quer observar, as quais podem estar relacionadas a aspectos de localização, de função, de morfologia ou ainda de tradição arqueologicamente atribuída, e assim por diante.
Indique se as afirmativas abaixo são verdadeiras (V) ou falsas (F), sobre sítios arqueológicos de Santa Catarina.
( ) Em Santa Catarina, o sítio arqueológico mais antigo, entre aqueles estudados por Rohr, datado em aproximadamente 8.000 anos antes do presente (A.P.), encontrava-se no município de Blumenau, no vale do rio Itajaí, sendo que suas evidências foram identificadas como de Tradição Alto-paranaense, caracterizada a partir de instrumentos líticos lascados.
( ) Rohr (1982) registrou no município de Urussanga um sítio de sepultamentos em pequeno abrigo sob rocha, atrás de uma queda d’água de 14 m de altura, sendo que sítios semelhantes foram registrados no planalto catarinense, associados a casas subterrâneas e galerias subterrâneas.
( ) A denominação jazida paleo-etnográfica foi sugerida por Walter Piazza para identificar certos sítios arqueológicos que cadastrou no vale do Uruguai, através do Programa Nacional de Pesquisas Arqueológicas. Estes se apresentaram com um número elevado de sepultamentos, bem conservados, associados a estratos formados por uma grande quantidade de ossos de peixe.
( ) Anamaria Beck (1968), em seu Projeto de Pesquisa A variação do conteúdo cultural dos sambaquis, declara que as formas dos sambaquis são variadas e não se concluiu, ainda, se eles seriam o produto da atividade humana, no sentido de fazer deles monumentos funerários ou de culto, locais de habitação estrategicamente colocados junto às principais fontes de alimentos e em posição de defesa aos ataques de prováveis inimigos, ou se seriam montes de lixo, restos de refeições diárias.
Assinale a alternativa que apresenta a sequência CORRETA, de cima para baixo.
Provas
Questão presente nas seguintes provas
Ao concluir a utilização de um computador com sistema operacional Windows 7, é possível desligá-lo completamente ou colocá-lo em um dos modos de economia de energia suportados pelo sistema. A esse respeito, é CORRETO afirmar que:
Provas
Questão presente nas seguintes provas
A Figura 5 mostra uma carga alimentada por uma fonte de tensão por meio de uma linha de transmissão. Determine a potência aparente fornecida pela fonte.

Assinale a alternativa CORRETA.
Provas
Questão presente nas seguintes provas
Sobre o motor de indução trifásico, identifique se as afirmativas abaixo são verdadeiras (V) ou falsas (F).
( ) Os enrolamentos (ou barras) do rotor estão em curto-circuito e conduzem correntes induzidas.
( ) Para um motor com rotor tipo “gaiola de esquilo”, o torque é máximo quando a velocidade do rotor é igual à velocidade síncrona.
( ) Se a velocidade síncrona do campo de estator for de 3600 r.p.m. e o escorregamento for de 2%, então a velocidade do rotor é de 3528 r.p.m.
( ) Para uma dada alimentação, um aumento da carga mecânica do motor resulta em diminuição da velocidade do rotor bem como aumento do escorregamento e das correntes induzidas no rotor.
Assinale a alternativa que apresenta a sequência CORRETA, de cima para baixo.
Provas
Questão presente nas seguintes provas
Em relação às características dos materiais condutores, é CORRETO afirmar que:
Provas
Questão presente nas seguintes provas
Cadernos
Caderno Container