Foram encontradas 40 questões.
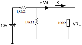
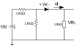
No circuito abaixo, considere Vd=0,7 V com o diodo polarizado diretamente.

Assinale a alternativa CORRETA.
Provas
Questão presente nas seguintes provas
Texto 2
Municípios não atingem nem metas modestas de educação
Relatório da ONG Todos Pela Educação revela que maior parte das cidades está longe
de ensinar o que deve a alunos em língua portuguesa e matemática
de ensinar o que deve a alunos em língua portuguesa e matemática
Por Nathalia Goulart
A língua portuguesa representa o maior desafio para alunos e professores no fim do primeiro ciclo do ensino fundamental, que se encerra no 5º ano (antiga 4ª série)(C). Já ao fim do segundo ciclo, que se encerra no 9º ano (antiga 8ª série)(C), é a matemática que se torna um obstáculo(E). É isso que conclui o movimento independente Todos Pela Educação, que estabelece metas de aprendizado para alunos de todos os 5.557 municípios brasileiros.
De acordo com o relatório De Olho Nas Metas 2011, divulgado em fevereiro deste ano, em São Paulo, 52% das cidades do país não atingiram(A), em 2009, os objetivos determinados pelo Todos Pela Educação relativos ao desempenho de estudantes do 5º ano em língua portuguesa – as metas variam de cidade para cidade(B) e levam em conta a situação prévia de cada uma delas. É uma péssima notícia, levando-se em conta que, em muitos casos, a meta já era modesta.
Já em matemática, 75,2% dos municípios brasileiros cumpriram as metas estabelecidas. Entre as capitais, todas evoluíram segundo o esperado. Macapá (AP), por exemplo, atingiu o objetivo para 2009, mas ele era modestíssimo: ali, só 13,2% dos estudantes detêm os conhecimentos mínimos esperados ao fim do 5º ano. Em Belo Horizonte, que também apresentou evolução satisfatória, pouco mais da metade do número de estudantes (51%) ainda não sabe calcular adequadamente.
No fim do 9º ano, segundo ciclo do ensino fundamental, a situação é inversa: matemática é o bicho-papão dos estudantes. Mais da metade dos municípios, exatos 56,1%, incluindo 21 capitais e o Distrito Federal, não atingiu as metas previstas. Exemplos assustadores são Salvador (BA), onde apenas 5,4% dos estudantes do 9º ano dominam conhecimentos básicos na disciplina. Em Florianópolis (SC), que também não registrou avanço, só 16,7% dos alunos aprenderam o que deveriam.
Em língua portuguesa, 81,9% das cidades brasileiras ultrapassaram a meta estabelecida pelo Todos Pela Educação, incluindo todas as capitais e o Distrito Federal. Outra vez, os resultados, embora alcançados, chamam a atenção pela modéstia. Em Recife, 15,5% dos concluintes do ensino fundamental têm um aprendizado adequado à sua série(D).
Se todos os municípios atingirem os objetivos propostos pelo movimento ao longo da década, em 2022 cerca de 70% de todos os estudantes brasileiros terão um aprendizado adequado ao seu estágio escolar. A julgar pela prévia divulgada neste ano, é difícil acreditar que isso vá acontecer.
Revista Veja online, publicado em 07 de fevereiro de 2012, acesso em 20 de fevereiro de 2012, disponível em http://veja.abril.com.br/noticia/educacao/municipios-brasileiros-nao-atingem-nem-as-metas-modestasde- educacao [adaptado]
Com base nas regras de pontuação do português escrito e no Texto 2, é CORRETO afirmar que:
Provas
Questão presente nas seguintes provas
Assinale a alternativa que responde CORRETAMENTE à pergunta abaixo.
O sinal visualizado na tela de um osciloscópio digital é mostrado abaixo. Considere que este osciloscópio forneça os valores da frequência, do período, da amplitude pico-a-pico e do valor DC deste sinal. Qual dos itens abaixo apresenta os valores corretos destes parâmetros conforme sequência fornecida acima?
Obs: a base de tempo do osciloscópio está fixada em 0,5 ms/div. e o atenuador de amplitude do canal de entrada do sinal está fixado em 2 volts/div.

Provas
Questão presente nas seguintes provas
Considere o circuito abaixo.

Com relação ao circuito, é CORRETO afirmar que:
Provas
Questão presente nas seguintes provas
Considerando um microcontrolador genérico e um dispositivo FPGA, também genérico, e sem nenhum processador ou hard/soft core embarcado, relacione a coluna 2 identificando as descrições mais apropriadas para as tecnologias, listadas na coluna 1.
Coluna 1
I. FPGA
II. Microcontrolador
Coluna 2
( ) O desenvolvedor de aplicações precisa conhecer o conjunto de instruções, conjunto de registradores e modos de endereçamento para a arquitetura em questão.
( ) Possui uma unidade lógica e aritmética (ULA).
( ) As operações são realizadas por intermédio de funções lógicas implementadas em blocos lógicos configuráveis baseados em look-up tables.
( ) Possui periféricos embarcados no mesmo circuito integrado, tais como temporizadores, conversores AD/DA e portas seriais.
( ) O conjunto de ferramentas de desenvolvimento inclui um editor de texto, um compilador cruzado (cross compiler), um ligador (linker), e um carregador (loader), além de equipamentos para depuração tais como emuladores e analisadores lógicos.
( ) O conjunto de ferramentas de desenvolvimento inclui um editor de texto, uma ferramenta de síntese (lógica e física), um posicionador/roteador (placement/router), e um carregador (download), além de equipamentos para depuração tais como analisadores lógicos.
( ) Excetuando-se os pinos reservados, os demais pinos podem ser definidos individualmente pelo desenvolvedor como entrada, saída ou entrada/saída. Para possibilitar essa funcionalidade, o dispositivo possui blocos de entrada e saída configuráveis.
Assinale a alternativa que apresenta a sequência CORRETA, de cima para baixo.
Provas
Questão presente nas seguintes provas
O programa em linguagem assembly a seguir foi desenvolvido para um microcontrolador hipotético com tamanho de palavra de 8 bits. O microcontrolador foi projetado para realizar operações com números positivos e negativos (com sinal, signed), utilizando a representação de complemento de 2. Todos os registradores possuem 8 bits, e as operações realizadas também utilizam operandos de 8 bits. O programa possui um total de 6 (seis) instruções. Logo após cada uma das instruções foi incluído um comentário, precedido por um ponto e vírgula (;) explicando o funcionamento das instruções.
INI: MOV R0, 09H ; Registrador R0 recebe o valor 9 em hexadecimal
MOV R1, FFH ;Registrador R1 recebe o valor FF em hexadecimal
REP: ADD R0, R1 ; R0 recebe a soma do conteúdo de R0 com R1
JNZ R0, REP ; Se R0 possuir um valor diferente de zero,
; então desvia para o endereço especificado (REP)
MOV R1, R0 ; Registrador R1 recebe o conteúdo de R0
FIM: JMP FIM ; jump incondicional – Desvia para o endereço FIM
Assumir que o programa inicia sua execução na primeira instrução da listagem, localizada no endereço INI (label INI), e executa todas as instruções até chegar à última instrução, ou seja, aquela localizada no endereço FIM (label FIM). Com base na execução do programa, assinale a alternativa CORRETA.
Provas
Questão presente nas seguintes provas
Assinale a alternativa que responde CORRETAMENTE à pergunta abaixo.
Um multímetro digital de !$ 3\,{ \Large { 1 \over 2}} !$ dígitos tem uma precisão, para a escala de 200 mV, de !$ \pm\,1 \% !$ da leitura !$ \pm 3 !$ dígitos. Considerando uma leitura 100 mV, qual é a faixa de valores possíveis que esta tensão pode assumir?
Provas
Questão presente nas seguintes provas
Texto 1
Universalizar pré-escola e ensino médio ainda é desafio
Por Nathalia Goulart
O Brasil possui um número elevado de crianças e jovens dentro das salas de aula, mas a universalização do ensino ainda é um desafio nacional. De acordo com dados divulgados nesta terça-feira pelo movimento independente Todos Pela Educação relativos a 2010, 91,5% dos jovens entre 4 e 17 anos estão na escola. Isso significa que 3,8 milhões ainda não têm acesso à educação, sendo que 2,9 milhões deles deveriam cursar pré-escola ou ensino médio. Enquanto o ensino fundamental atende 96,7% das crianças, as taxas da pré-escola e do ensino médio ainda deixam muito a desejar: 80,1% e 83,3%, respectivamente.
A região com menor oferta de educação é a Norte, onde apenas 69% das crianças entre 4 e 5 anos estão na escola. Também no ensino médio, a região aparece com o pior indicador: só 81,3% dos jovens de 15 a 17 anos estão na escola. O Nordeste, com atendimento de 86,3%, figura como a área com maior abrangência da pré-escola. O Sudeste apresenta o maior índice de inclusão no ensino médio: 85%.
"O problema vai além da ampliação do número de vagas. Temas como evasão e atraso escolar deverão figurar nas agendas políticas", afirma o relatório De Olho Nas Metas 2011, do Todos Pela Educação. De acordo com um estudo coordenado por Marcelo Neri, da Fundação Getúlio Vargas (FGV), 67,4% dos jovens entre 15 e 17 anos que estão fora da escola dizem que a falta de interesse ou a necessidade de trabalhar os afastaram dos bancos escolares. "Fatores relacionados à oferta de educação, como falta de vaga e transporte escolar, foram apontados por somente 10,9% da amostra", ressalta o Todos Pela Educação.
Outro ponto de destaque do relatório divulgado nesta terça-feira aponta para o fracasso da alfabetização durante os primeiros anos escolares. Os dados mostram que, em média, 43,9% dos estudantes deixam o ciclo de alfabetização sem aprender o que deveriam em leitura. Na lanterna, estão as escolas públicas do Nordeste, onde a taxa chega a 63,5%. Em matéria de escrita, 46,6% não têm o desempenho esperado, sendo que nas unidades públicas nordestinas apenas uma em cada quatro crianças domina a competência. Em matemática, os números são ainda piores: 57,2% dos estudantes do país não conseguem fazer contas elementares de soma e subtração. Nas escolas públicas da região Norte, três em cada quatro crianças falham na tarefa.
Parte da explicação para esse cenário está no baixo atendimento da pré-escola, já que a educação infantil favorece a permanência do aluno no sistema escolar e tem impactos comprovados no seu desempenho acadêmico futuro.
Revista Veja online, publicado em 07 de fevereiro de 2012,
acesso em 20 de fevereiro de 2012, disponível em http://veja.abril.com.br/noticia/educacao/municipios-brasileiros-nao-atingem-nem-as-metas-modestas-de-educacao [adaptado]
Texto 2
Municípios não atingem nem metas modestas de educação
Relatório da ONG Todos Pela Educação revela que maior parte das cidades está longe
de ensinar o que deve a alunos em língua portuguesa e matemática
de ensinar o que deve a alunos em língua portuguesa e matemática
Por Nathalia Goulart
A língua portuguesa representa o maior desafio para alunos e professores no fim do primeiro ciclo do ensino fundamental, que se encerra no 5º ano (antiga 4ª série). Já ao fim do segundo ciclo, que se encerra no 9o ano (antiga 8ª série), é a matemática que se torna um obstáculo. É isso que conclui o movimento independente Todos Pela Educação, que estabelece metas de aprendizado para alunos de todos os 5.557 municípios brasileiros.
De acordo com o relatório De Olho Nas Metas 2011, divulgado em fevereiro deste ano, em São Paulo, 52% das cidades do país não atingiram, em 2009, os objetivos determinados pelo Todos Pela Educação relativos ao desempenho de estudantes do 5o ano em língua portuguesa – as metas variam de cidade para cidade e levam em conta a situação prévia de cada uma delas. É uma péssima notícia, levando-se em conta que, em muitos casos, a meta já era modesta.
Já em matemática, 75,2% dos municípios brasileiros cumpriram as metas estabelecidas. Entre as capitais, todas evoluíram segundo o esperado. Macapá (AP), por exemplo, atingiu o objetivo para 2009, mas ele era modestíssimo: ali, só 13,2% dos estudantes detêm os conhecimentos mínimos esperados ao fim do 5º ano. Em Belo Horizonte, que também apresentou evolução satisfatória, pouco mais da metade do número de estudantes (51%) ainda não sabe calcular adequadamente.
No fim do 9º ano, segundo ciclo do ensino fundamental, a situação é inversa: matemática é o bicho-papão dos estudantes. Mais da metade dos municípios, exatos 56,1%, incluindo 21 capitais e o Distrito Federal, não atingiu as metas previstas. Exemplos assustadores são Salvador (BA), onde apenas 5,4% dos estudantes do 9o ano dominam conhecimentos básicos na disciplina. Em Florianópolis (SC), que também não registrou avanço, só 16,7% dos alunos aprenderam o que deveriam.
Em língua portuguesa, 81,9% das cidades brasileiras ultrapassaram a meta estabelecida pelo Todos Pela Educação, incluindo todas as capitais e o Distrito Federal. Outra vez, os resultados, embora alcançados, chamam a atenção pela modéstia. Em Recife, 15,5% dos concluintes do ensino fundamental têm um aprendizado adequado à sua série.
Se todos os municípios atingirem os objetivos propostos pelo movimento ao longo da década, em 2022 cerca de 70% de todos os estudantes brasileiros terão um aprendizado adequado ao seu estágio escolar. A julgar pela prévia divulgada neste ano, é difícil acreditar que isso vá acontecer.
Revista Veja online, publicado em 07 de fevereiro de 2012, acesso em 20 de fevereiro de 2012, disponível em http://veja.abril.com.br/noticia/educacao/municipios-brasileiros-nao-atingem-nem-as-metas-modestasde- educacao [adaptado]
Em relação aos Textos 1 e 2, considere as afirmativas abaixo.
I. Ambos os textos pertencem ao mesmo gênero textual porque têm o mesmo tema – a educação no Brasil.
II. Os textos são de gêneros diferentes, já que o Texto 1 não costuma ser veiculado no mesmo suporte textual (espaço físico e material) que o Texto 2.
III. Ambos os textos pertencem ao mesmo gênero, pois têm por função básica informar o leitor a respeito de um tema relevante.
Assinale a alternativa CORRETA.
Provas
Questão presente nas seguintes provas
Considere as afirmativas a seguir, a respeito de computadores e seus periféricos.
I. Um hub USB pode ser usado quando a quantidade de periféricos a serem ligados a portas USB é maior que a quantidade disponível de portas USB em um computador.
II. Não é possível conectar um mouse externo a um notebook que contenha touchpad (mouse deslizante) em seu corpo.
III. Para ter acesso à internet, pode-se conectar um cabo de rede vindo de um modem ao conector RJ45 do painel de conectores do computador. Uma alternativa é usar uma conexão Wi-Fi, que não necessita de cabo, se o computador possuir tal capacidade.
IV. Um computador com capacidade de conexão Wi-Fi pode transmitir dados a qualquer impressora laser, sem a necessidade de cabo conectando o computador à impressora.
Assinale a alternativa CORRETA.
Provas
Questão presente nas seguintes provas
Considere os valores das tensões de base (VB), coletor (VC) e de emissor (VE) de um transistor NPN.
| Configuração | VB (V) | VE (V) | VC (V) |
| I | 2,0 | 2,7 | 5,0 |
| II | -1,0 | -1,7 | 4,0 |
| III | 3,0 | 2,3 | 2,3 |
Com base na tabela acima, é CORRETO afirmar que a região de operação do transistor em I, II e III é, respectivamente:
Provas
Questão presente nas seguintes provas
Cadernos
Caderno Container