Foram encontradas 1.128 questões.
São causas adquiridas de hiperbulirrubinemia direta ou conjugada por colestase intra-hepática:
Provas
Questão presente nas seguintes provas
O comportamento animal, determinado pelo seu fenótipo, é uma condição determinada pela sua genética e pelo ambiente no qual vive. A interação genótipo-ambiente é caracterizada quando as diferenças fenotípicas entre diferentes genótipos são desiguais de um ambiente para outro. Com relação à interação genótipo-ambiente, assinale a alternativa correta.
Provas
Questão presente nas seguintes provas
Em relação aos protocolos de comunicação da camada de rede do modelo OSI, correlacione as descrições da coluna à direita com os conceitos apresentados na coluna à esquerda.
1) RIP
2) OSPF
3) IGRP
4) EIGRP
( ) Um protocolo de roteamento proprietário que suporta CIDR e VLSM, o que permite que os projetistas de rede maximizem o espaço de endereçamento. Um protocolo usado para redes grandes, que possui contagem máxima de saltos de 224. Um protocolo de roteamento híbrido que oferece o melhor dos algoritmos vetor de distância e estado de enlace.
( ) Um protocolo vetor de distância, que envia em broadcast toda a tabela de roteamento para cada roteador vizinho com intervalos predefinidos. O intervalo padrão é de 30 segundos. Usa contagem de saltos como métrica, sendo 15 o número máximo de saltos.
( ) Um protocolo de roteamento proprietário que é classful. Possui contagem máxima de saltos de 255. Seus objetivos são: roteamento estável, até mesmo em redes muito grandes ou complexas; nenhum loop de roteamento; resposta rápida às alterações na topologia da rede; overhead baixo; divisão de tráfego entre várias rotas paralelas.
( ) Um protocolo estado de enlace, que se baseia em padrões abertos. Suas características são: utiliza o caminho mais curto; atualizações são acionadas por eventos; envia pacotes de estado de enlace a todos os roteadores da rede; é rápido para convergir; não é suscetível a loops de roteamento.
A sequência correta, de cima para baixo, é:
Provas
Questão presente nas seguintes provas
Em uma rede de emissoras de televisão, o que as empresas afiliadas compartilham?
Provas
Questão presente nas seguintes provas
O sistema de produção de milho vem sofrendo mudanças pela profissionalização dos agricultores, o que tem elevado a produtividade do milho brasileiro a cada ano. Várias tecnologias ligadas à cultura foram implementadas. Dentre essas tecnologias, destaca-se:
Provas
Questão presente nas seguintes provas
Herbários contém coleções biológicas de plantas, fungos e algas pluricelulares, que concentram informações úteis para diversas atividades. Sobre essas atividades, considere as seguintes proposições.
1) Fazer a reconstituição de caminhos percorridos por naturalistas, botânicos ou coletores.
2) Conhecer os padrões de distribuição geográfica de uma espécie.
3) Subsidiar estudos das floras e revisões taxonômicas.
4) Avaliar o impacto da ação do homem, da poluição ou do efeito de eventos e perturbações naturais na vegetação de uma área específica.
5) Subsidiar políticas públicas de preservação ambiental.
Estão corretas:
Provas
Questão presente nas seguintes provas
A respeito da doença hepática gordurosa não alcoólica, qual a alternativa incorreta?
Provas
Questão presente nas seguintes provas
O equilíbrio dos ecossistemas depende, entre outros fatores, dos polinizadores, os quais são responsáveis pela reprodução e manutenção da diversidade vegetal. Nos últimos anos, tem sido constatado declínio na densidade populacional de muitos polinizadores, dentre eles, as abelhas. A esse respeito, é correto afirmar que:
Provas
Questão presente nas seguintes provas
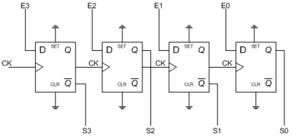
Para o circuito mostrado abaixo, considere uma sequência de entrada E3 E2 E1 E0 = 1 0 1 0
Qual o valor da saída S3 S2 S1 S0, após o pulso de relógio (clock)?

Provas
Questão presente nas seguintes provas
A etapa de extensão final da Reação em Cadeia da Polimerase consiste de:
Provas
Questão presente nas seguintes provas
Cadernos
Caderno Container