Foram encontradas 64 questões.
Em relação à corrosão e à degradação dos materiais, assinale as afirmações abaixo com V (verdadeiro) ou F (falso).
( ) Os materiais cerâmicos, especialmente à temperatura ambiente, resistem mais à corrosão do que os metais na maioria dos ambientes.
( ) A corrosão dos materiais cerâmicos é geralmente apenas um processo de dissolução química, enquanto a corrosão dos metais envolve processos eletroquímicos.
( ) A degradação dos polímeros envolve normalmente processos físico-químicos, como, por exemplo, dissolução, inchamento e ruptura da ligação.
A sequência correta de preenchimento dos parênteses, de cima para baixo, é
Provas
Questão presente nas seguintes provas
Considere as assertivas abaixo, conforme a Lei n.º 8.112/1990.
I - A juízo discricionário do gestor público, viabiliza-se a abertura de novo concurso ainda que haja candidato aprovado em concurso anterior com prazo de validade não expirado.
II - Não se admitirá a posse por procuração.
III - Exercício é o efetivo desempenho das atribuições do cargo.
Quais estão corretas?
Provas
Questão presente nas seguintes provas
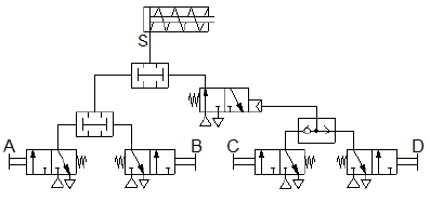
Considere o circuito lógico com acionamento pneumático dado a seguir:

Qual das seguintes expressões booleanas equivale à condição de avanço do cilindro atuador para esse circuito?
Provas
Questão presente nas seguintes provas
Instrução: A questão refere-se ao texto abaixo.
Tenho medo da palavra "prático". Sempre me parece que o que é prático nos tira alguma coisa.
Acho que tudo começou no dia em que cheguei da escola e vi cortado o abacateiro do quintal da minha infância.
"É mais prático. Suja muito" – disse minha avó.
Eu não podia acreditar. Já não bastava terem cimentado o gramadinho onde eu fazia incríveis florestas, agora eu teria apenas aquele toco no meio do cimento para sentar. Francamente! Não gosto do que é prático. Prático me parece mínimo, sem detalhes. E Deus mora nos detalhes.
No mês passado, estive em temporada no centro do Rio. Fazia tempo que eu não andava por lá. Tentei achar um restaurante onde eu costumava ir almoçar com meu pai. Era uma dessas tabernas da Lapa, pequenas, baratas e com comida maravilhosa – vinda de uma senhora portuguesa escondida na cozinha.
Procurei loucamente pelas ruazinhas atrás da Cinelândia e quis gritar de alegria quando vi o mesmo letreiro ainda na porta.
O lugar era o mesmo, mas tinha sido azulejado, os quadros, retirados das paredes e a comida, agora, era cobrada a quilo. Uma fila para servir, outra para pesar, bandejas, talheres ensacados, sachezinhos de sal e nem sequer um caldeirão de caldo verde ou uma lasca de bacalhau que fosse no bufê.
Achei que tinha mudado o dono e apenas mantido o nome, mas, quando olhei pelo quadradinho que dava pra cozinha, lá estava, curiosamente, a mesma senhora, castigada pelo tempo e pelo que é mais prático e econômico.
Lembrei-me da minha avó. Também prática. Também portuguesa. Quando mandou cortar o abacateiro ainda fazia sua própria massa de pastel. Viva fosse, talvez já tivesse se rendido à massa pronta, comprada no supermercado. Teria meu perdão. Quem pode resistir ao que é mais prático e econômico num mundo que justifica tudo pelo custo e pela eficiência?
Mas será que preciso mesmo ficar sacudindo travesseirinhos de sal úmido pelas mesas? Não consigo dizer por que uma coisa tão banal me provoca tanto mal-estar, mas sei exatamente o conforto que me dá um guardanapo de pano furadinho num restaurante decadente que não se rendeu ao bufê a quilo.
A felicidade não é prática e econômica. A felicidade mora nos becos. Quer coisa mais prática e econômica do que uma sala iluminada por uma lâmpada fluorescente? Quer coisa mais triste?
Se tivesse ido ao restaurante para jantar, acho que choraria na calçada.
Adaptado de: FRAGA, Denise. Precisar, não precisa. Folha
de São Paulo, 24/7/2012. Disponível em
http://www1.folha.uol.com.br/colunas/denisefraga/11245
96-precisar-nao-precisa.shtml. Acessado em 20/1/2013.
Tendo em vista o emprego dos sinais de pontuação, considere as seguintes propostas de reformulação do trecho Era uma dessas tabernas da Lapa, pequenas, baratas e com comida maravilhosa – vinda de uma senhora portuguesa escondida na cozinha.
I - Era uma dessas tabernas da Lapa – pequenas, baratas e com comida maravilhosa –, vinda de uma senhora portuguesa escondida na cozinha.
II - Era uma dessas tabernas da Lapa pequenas, baratas e com comida maravilhosa; vinda de uma senhora portuguesa escondida na cozinha.
III - Era uma dessas tabernas da Lapa pequenas, baratas e com comida maravilhosa – vinda de uma senhora, portuguesa, escondida na cozinha.
IV - Era uma dessas tabernas da Lapa, pequenas, baratas e com comida maravilhosa, vinda de uma senhora portuguesa escondida na cozinha.
Quais estão corretas do ponto de vista da norma gramatical e seriam coerentemente aplicáveis ao texto?
Provas
Questão presente nas seguintes provas
Instrução: A questão refere-se ao texto abaixo.
A preocupação com o tratamento dado aos animais que nos servem de alimento tem origem em um questionamento ainda maior, ao qual a ciência tenta dar uma resposta: seriam os bichos capazes de desenvolver algum tipo de sentimento ou inteligência? Estudos recentes revelam que o cérebro de alguns animais processa tarefas antes atribuídas apenas a seres humanos. Já se sabe que os elefantes adotam um comportamento semelhante ao luto quando um integrante da manada morre. Pássaros como o corvo sabem confeccionar e usar ferramentas para construir seus ninhos. Ratos tendem a imitar os movimentos de outros membros da espécie ao vê-los se contorcer de dor. O exemplo mais notável de animal que apresenta um tipo de inteligência evoluída é o bonobo, um membro da família dos chimpanzés. Cientistas americanos conseguiram que um exemplar desses primatas desenvolvesse um sistema complexo de comunicação. Ele compreende cerca de 380 palavras e, por meio de um tabuleiro com cartões coloridos, as ordena de modo a compor frases. O bonobo também consegue expressar noções de tempo e grandeza.
Com isso, os defensores dos animais ganharam mais argumentos para tentar mudar as leis a favor de seus protegidos. Há dois anos, o Parlamento espanhol estendeu alguns direitos humanos a chimpanzés, gorilas, orangotangos e, claro, bonobos. O país das touradas decidiu que os primatas não podem ser torturados nem mortos (salvo em casos de defesa contra ataque). “Quando o homem começa a perceber que os animais têm algumas características semelhantes às suas, fica menos suscetível a submetê-los a tratamentos que resultem em dor ou sofrimento”, disse a VEJA a advogada americana Pamela Frasch, especialista em legislação dos direitos dos animais."
Adaptado de: Sinais de Inteligência. Revista Veja,
8/10/2010, edição 2181, p. 129 Disponível em
http://veja.abril.com.br/acervodigital/home.aspx. Acessado
em 16/1/2013.
Em relação ao emprego de artigos no texto, considere as seguintes propostas de reescrita.
I - Substituir A em A preocupação com o tratamento por Uma.
II - Substituir os em os bichos por uns.
III - Suprimir um em um membro da família dos chimpanzés.
IV - Suprimir a em a advogada americana.
Quais estão corretas do ponto de vista da norma gramatical e conservam o sentido original do texto?
Provas
Questão presente nas seguintes provas
O tratamento térmico dos aços é o conjunto de operações de aquecimento a que eles são submetidos, sob condições controladas de temperatura, tempo, atmosfera e velocidade de esfriamento, com o objetivo de alterar as suas propriedades ou conferir-lhes determinadas características. No que se refere a esse contexto, assinale as afirmações abaixo com V (verdadeiro) ou F (falso).
( ) A normalização visa refinar a granulação grosseira principalmente de peças de aço fundido e, em geral, é aplicada em peças depois de laminadas e forjadas.
( ) A têmpera consiste no aquecimento do aço até sua temperatura de austenitização – entre 815°C e 870°C – seguido de resfriamento rápido.
( ) O revenido normalmente acompanha a têmpera, pois elimina a maioria dos inconvenientes produzidos por ela; além de aliviar ou remover as tensões residuais, corrige as excessivas dureza e fragilidade do material, aumentando sua ductilidade e resistência ao choque.
A sequência correta de preenchimento dos parênteses, de cima para baixo, é
Provas
Questão presente nas seguintes provas
Instrução: A questão refere-se ao texto abaixo.
Tenho medo da palavra "prático". Sempre me parece que o que é prático nos tira alguma coisa.
Acho que tudo começou no dia em que cheguei da escola e vi cortado o abacateiro do quintal da minha infância.
"É mais prático. Suja muito" – disse minha avó.
Eu não podia acreditar. Já não bastava terem cimentado o gramadinho onde eu fazia incríveis florestas, agora eu teria apenas aquele toco no meio do cimento para sentar. Francamente! Não gosto do que é prático. Prático me parece mínimo, sem detalhes. E Deus mora nos detalhes.
No mês passado, estive em temporada no centro do Rio. Fazia tempo que eu não andava por lá. Tentei achar um restaurante onde eu costumava ir almoçar com meu pai. Era uma dessas tabernas da Lapa, pequenas, baratas e com comida maravilhosa – vinda de uma senhora portuguesa escondida na cozinha.
Procurei loucamente pelas ruazinhas atrás da Cinelândia e quis gritar de alegria quando vi o mesmo letreiro ainda na porta.
O lugar era o mesmo, mas tinha sido azulejado, os quadros, retirados das paredes e a comida, agora, era cobrada a quilo. Uma fila para servir, outra para pesar, bandejas, talheres ensacados, sachezinhos de sal e nem sequer um caldeirão de caldo verde ou uma lasca de bacalhau que fosse no bufê.
Achei que tinha mudado o dono e apenas mantido o nome, mas, quando olhei pelo quadradinho que dava pra cozinha, lá estava, curiosamente, a mesma senhora, castigada pelo tempo e pelo que é mais prático e econômico.
Lembrei-me da minha avó. Também prática. Também portuguesa. Quando mandou cortar o abacateiro ainda fazia sua própria massa de pastel. Viva fosse, talvez já tivesse se rendido à massa pronta, comprada no supermercado. Teria meu perdão. Quem pode resistir ao que é mais prático e econômico num mundo que justifica tudo pelo custo e pela eficiência?
Mas será que preciso mesmo ficar sacudindo travesseirinhos de sal úmido pelas mesas? Não consigo dizer por que uma coisa tão banal me provoca tanto mal-estar, mas sei exatamente o conforto que me dá um guardanapo de pano furadinho num restaurante decadente que não se rendeu ao bufê a quilo.
A felicidade não é prática e econômica. A felicidade mora nos becos. Quer coisa mais prática e econômica do que uma sala iluminada por uma lâmpada fluorescente? Quer coisa mais triste?
Se tivesse ido ao restaurante para jantar, acho que choraria na calçada.
Adaptado de: FRAGA, Denise. Precisar, não precisa. Folha
de São Paulo, 24/7/2012. Disponível em
http://www1.folha.uol.com.br/colunas/denisefraga/11245
96-precisar-nao-precisa.shtml. Acessado em 20/1/2013.
Considere as seguintes propostas de reescrita de trechos do texto, envolvendo emprego de nexos coesivos.
I - ...o nome, mas, quando olhei... por ...o nome, quando, todavia, olhei...
II - Quando mandou cortar... por Assim que mandou cortar...
III - Se tivesse ido... por Caso tivesse ido...
Quais estão corretas do ponto de vista da norma gramatical e conservam o sentido original do texto?
Provas
Questão presente nas seguintes provas
Qual é a propriedade do material que define sua capacidade de suportar tensão na ponta de uma trinca?
Provas
Questão presente nas seguintes provas
Instrução: A questão refere-se ao texto abaixo.
Tenho medo da palavra "prático". Sempre me parece que o que é prático nos tira alguma coisa.
Acho que tudo começou no dia em que cheguei da escola e vi cortado o abacateiro do quintal da minha infância.
"É mais prático. Suja muito" – disse minha avó.
Eu não podia acreditar. Já não bastava terem cimentado o gramadinho onde eu fazia incríveis florestas, agora eu teria apenas aquele toco no meio do cimento para sentar. Francamente! Não gosto do que é prático. Prático me parece mínimo, sem detalhes. E Deus mora nos detalhes.
No mês passado, estive em temporada no centro do Rio. Fazia tempo que eu não andava por lá. Tentei achar um restaurante onde eu costumava ir almoçar com meu pai. Era uma dessas tabernas da Lapa, pequenas, baratas e com comida maravilhosa – vinda de uma senhora portuguesa escondida na cozinha.
Procurei loucamente pelas ruazinhas atrás da Cinelândia e quis gritar de alegria quando vi o mesmo letreiro ainda na porta.
O lugar era o mesmo, mas tinha sido azulejado, os quadros, retirados das paredes e a comida, agora, era cobrada a quilo. Uma fila para servir, outra para pesar, bandejas, talheres ensacados, sachezinhos de sal e nem sequer um caldeirão de caldo verde ou uma lasca de bacalhau que fosse no bufê.
Achei que tinha mudado o dono e apenas mantido o nome, mas, quando olhei pelo quadradinho que dava pra cozinha, lá estava, curiosamente, a mesma senhora, castigada pelo tempo e pelo que é mais prático e econômico.
Lembrei-me da minha avó. Também prática. Também portuguesa. Quando mandou cortar o abacateiro ainda fazia sua própria massa de pastel. Viva fosse, talvez já tivesse se rendido à massa pronta, comprada no supermercado. Teria meu perdão. Quem pode resistir ao que é mais prático e econômico num mundo que justifica tudo pelo custo e pela eficiência?
Mas será que preciso mesmo ficar sacudindo travesseirinhos de sal úmido pelas mesas? Não consigo dizer por que uma coisa tão banal me provoca tanto mal-estar, mas sei exatamente o conforto que me dá um guardanapo de pano furadinho num restaurante decadente que não se rendeu ao bufê a quilo.
A felicidade não é prática e econômica. A felicidade mora nos becos. Quer coisa mais prática e econômica do que uma sala iluminada por uma lâmpada fluorescente? Quer coisa mais triste?
Se tivesse ido ao restaurante para jantar, acho que choraria na calçada.
Adaptado de: FRAGA, Denise. Precisar, não precisa. Folha
de São Paulo, 24/7/2012. Disponível em
http://www1.folha.uol.com.br/colunas/denisefraga/11245
96-precisar-nao-precisa.shtml. Acessado em 20/1/2013.
Assinale as afirmações abaixo com V (verdadeiro) ou F (falso), no que se refere à caracterização morfológica de palavras do texto.
( ) abacateiro – palavra composta
( ) mesmo – palavra invariável quanto ao número
( ) eficiência – substantivo de gênero único
( ) fluorescente – palavra prefixada
Provas
Questão presente nas seguintes provas
Instrução: A questão refere-se ao texto abaixo.
A preocupação com o tratamento dado aos animais que nos servem de alimento tem origem em um questionamento ainda maior, ao qual a ciência tenta dar uma resposta: seriam os bichos capazes de desenvolver algum tipo de sentimento ou inteligência? Estudos recentes revelam que o cérebro de alguns animais processa tarefas antes atribuídas apenas a seres humanos. Já se sabe que os elefantes adotam um comportamento semelhante ao luto quando um integrante da manada morre. Pássaros como o corvo sabem confeccionar e usar ferramentas para construir seus ninhos. Ratos tendem a imitar os movimentos de outros membros da espécie ao vê-los se contorcer de dor. O exemplo mais notável de animal que apresenta um tipo de inteligência evoluída é o bonobo, um membro da família dos chimpanzés. Cientistas americanos conseguiram que um exemplar desses primatas desenvolvesse um sistema complexo de comunicação. Ele compreende cerca de 380 palavras e, por meio de um tabuleiro com cartões coloridos, as ordena de modo a compor frases. O bonobo também consegue expressar noções de tempo e grandeza.
Com isso, os defensores dos animais ganharam mais argumentos para tentar mudar as leis a favor de seus protegidos. Há dois anos, o Parlamento espanhol estendeu alguns direitos humanos a chimpanzés, gorilas, orangotangos e, claro, bonobos. O país das touradas decidiu que os primatas não podem ser torturados nem mortos (salvo em casos de defesa contra ataque). “Quando o homem começa a perceber que os animais têm algumas características semelhantes às suas, fica menos suscetível a submetê-los a tratamentos que resultem em dor ou sofrimento”, disse a VEJA a advogada americana Pamela Frasch, especialista em legislação dos direitos dos animais."
Adaptado de: Sinais de Inteligência. Revista Veja,
8/10/2010, edição 2181, p. 129 Disponível em
http://veja.abril.com.br/acervodigital/home.aspx. Acessado
em 16/1/2013.
Assinale a alternativa que apresenta uma palavra acentuada pela mesma regra de submetê-los.
Provas
Questão presente nas seguintes provas
Cadernos
Caderno Container