Foram encontradas 375 questões.
Assinale a alternativa correta.
Provas
Questão presente nas seguintes provas
Em um Sistema Gerenciador de Banco de Dados (SGBD), a consistência de um banco de dados é garantida pelo suporte
Provas
Questão presente nas seguintes provas
Assinale “V” para as afirmativas verdadeiras e “F” para as falsas:
( ) dispnéia e tosse produzindo escarro espumoso são sinais de sintomas de edema agudo de pulmão.
( ) a posição correta para colocar um paciente com edema agudo de pulmão é sentá-lo em semi-fowler, com as pernas para baixo.
( ) a principal característica do edema agudo de pulmão é a dor torácica.
( ) é necessário a manutenção de via venosa pérvia com gotejamento mínimo para evitar a sobre carga volêmica.
Assinale a seqüência correta.
Provas
Questão presente nas seguintes provas
O gráfico cartesiano abaixo é a imagem geométrica da relação CUSTO X VOLUME X LUCRO das operações de uma empresa.
Interprete-o a fim de responder à questão.

A Margem de Segurança com que uma empresa opera é função do montante da receita que ela pode perder até atingir o ponto de equilíbrio.
Assim, na situação indicada pelo gráfico, a Margem de Segurança está representada, em valores de receita, pelo(s) segmento(s) do eixo das ordenadas:
Provas
Questão presente nas seguintes provas
Medicina Plugada
Fernanda Colavitti
Quando se fala em telemedicina, as primeiras imagens que nos vêm à cabeça são as de médicos-robôs, cirurgia a distância e tudo que se relaciona à alta e complexa tecnologia. Apesar de essa ser a parte mais divulgada e popular da telemedicina, são coisas muito mais simples e de baixo custo, como computadores e internet de banda larga, que estão fazendo com que essa ferramenta transforme a maneira como a medicina vem sendo feita no mundo. Essas são as grandes apostas dos especialistas para a ampliação dessa ferramenta, sobretudo no Brasil, onde os recursos são escassos.
As principais mudanças trazidas pela telemedicina no País estão no intercâmbio de informações científicas e na chamada segunda opinião (na qual médicos localizados em comunidades distantes podem trocar impressões sobre diagnósticos e tratamentos de pacientes com grandes centros nas capitais). “A telemedicina é uma técnica fundamental na disseminação do conhecimento, ela é capaz de revolucionar as metodologias de ensino e aprendizagem”, diz a biomédica Sandra Oyafuso, coordenadora do Centro de Informação e Comunicação da Sociedade Beneficente Israelita Brasileira Albert Einstein.
(Fonte: Galileu, janeiro 2006)
A expressão "telemedicina" é um neologismo.
De acordo com o texto, essa expressão designa procedimentos que
Provas
Questão presente nas seguintes provas
A SESu encaminhou uma configuração das diretrizes gerais, em separado da discussão dos conteúdos de cada curso, agrupadas por blocos de carreiras, considerando o critério utilizado pela CAPES.
Identifique abaixo o bloco de carreiras que NÃO pertence ao critério utilizado pela CAPES.
Provas
Questão presente nas seguintes provas
Apesar do considerável declínio da cárie no Brasil, grande parcela da população ainda sofre de problemas de saúde bucal, pois a redução dos índices de cárie ocorreu de forma heterogênea na população. Estratégias de promoção de saúde ganham relevância, sobretudo ao se considerar o recente estudo da Fundação Instituto Brasileiro de Geografia e Estatística (IBGE), em que 18,7% da população brasileira jamais teve a oportunidade de consultar um cirurgião-dentista, e que apenas 5,0% têm atendimento regular.
A abordagem de promoção de saúde e sua respectiva atividade que apresentam a correta correspondência é:
| Abordagem | Atividade |
Provas
Questão presente nas seguintes provas
- Modelo TCP/IPIntrodução ao Modelo TCP/IP
- Modelo TCP/IPModelo TCP/IP: Camada de Aplicação
- Protocolos e ServiçosAcesso Remoto e TerminalTELNET: Telecommunications Network
A arquitetura TCP/IP utiliza na camada de aplicação, entre outros, o protocolo
Provas
Questão presente nas seguintes provas
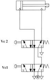
No circuito abaixo, as válvulas Vc1 e Vc2 têm as seguintes funções:

Provas
Questão presente nas seguintes provas
O uso de possibilita o armazenamento de tarefas (declarações) no banco de dados e sua posterior execução diretamente no servidor de banco de dados.
Provas
Questão presente nas seguintes provas
Cadernos
Caderno Container