Foram encontradas 1.914 questões.
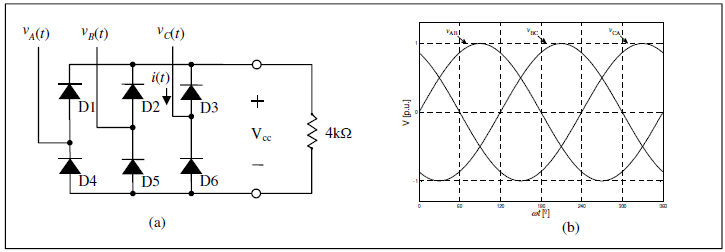
Dado o conversor CA-CC apresentado na Figura (a), operando sujeito às formas de onda das tenções de linha apresentadas na mesma Figura (b); considerando que apenas 2 diodos conduzem por vez e que as tensões das fontes são equilibradas e possuem frequência de 60Hz, assinale a frequência da ondulação da diferença de potencial elétrico (Vcc) no resistor de !$ 4kΩ !$.

Provas
Questão presente nas seguintes provas
Os testes sorológicos continuam sendo os mais utilizados no diagnóstico laboratorial de diversas doenças. Neste sentido, as reações de microfloculação ocorrem a partir da interação direta de anticorpos específicos com o antígeno formando imunocomplexos em meio líquido, detectáveis através de lupa ou microscópio. Através desta técnica, é possível realizar titulações para acompanhamento dos pacientes. Um exemplo clássico de ensaio laboratorial baseado em microfloculação é:
Provas
Questão presente nas seguintes provas
Pelo fato de os desidratantes utilizados na microscopia eletrônica serem fortes solventes orgânicos, eles causam inevitavelmente efeitos indesejáveis nas amostras durante a desidratação. Para minimizar esses efeitos, devemos sempre nos preocupar com o tempo de cada passo desse procedimento. São efeitos indesejáveis do emprego desses desidratantes:
Provas
Questão presente nas seguintes provas
Para elaborar um programa de formação/capacitação de adulto e de pessoal técnico, a instituição deverá identificar as necessidades e, a partir delas, deve estabelecer:
Provas
Questão presente nas seguintes provas
- Linguagens e Suportes MidiáticosProdução AudiovisualRoteiro, Produção e Edição de Conteúdo Audiovisual e Cinematográfico
Com relação à utilização de Softwares para áudio, como Pro Tools, Adobe Audition e Sound Forge, sabemos que alguns procedimentos são comuns a qualquer um deles. É o caso da aplicação de ganho a um arquivo de áudio para elevar sua amplitude média ao nível operacional, sem alterar a sua relação sinalruído. Estamos nos referindo ao procedimento conhecido como:
Provas
Questão presente nas seguintes provas
Sobre o mapeamento de um relacionamento ternário, com cardinalidade M:N:1 para uma tabela relacional, é correto afirmar que:
Provas
Questão presente nas seguintes provas
O estudo petrográfico de fósseis através de seções delgadas, a serem observadas em microscópio de luz transmitida, polarizada ou refletida, é empregado comumente na investigação de:
1) Lenhos silicificados.
2) Palinomorfos.
3) Radiolários.
4) Ossos de dinosauro.
5) Cascas de ovo.
Estão corretas, apenas:
Provas
Questão presente nas seguintes provas
Diante de um caso clínico sugestivo para Histoplasmose Clássica, foram analisadas algumas informações obtidas a partir do histórico do paciente e dos resultados dos exames laboratoriais. São informações relacionadas a esta doença:
Provas
Questão presente nas seguintes provas
Independente do modelo ou formato, um plano de ensino se define a partir de uma operação mental prévia, que tem como foco ou preocupação central:
Provas
Questão presente nas seguintes provas
- Transmissão de DadosTransmissão de Multimídia, Streaming e VozSIP: Session Initiation Protocol
- Transmissão de DadosTransmissão de Multimídia, Streaming e VozVoIP: Voice over IP
O VOIP é uma técnica de transportar voz numa rede de pacotes TCP/IP. Dentre as alternativas abaixo, qual aquela que refere a um conjunto de protocolos criados para padronizar a telefonia IP?
Provas
Questão presente nas seguintes provas
Cadernos
Caderno Container