Foram encontradas 45 questões.
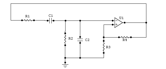
Analise o circuito.

Seu funcionamento corresponde a um oscilador:
Provas
Analise o trecho de código VHDL.
variable A,B,C,D: bit_vector(3 downto 0);
variable E,F,G: bit_vector(1 downto 0);
variable H,I,J,K: bit;
Para a declaração de variáveis feita, é INCORRETA a sentença:
Provas
Provas
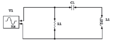
Considere que no circuito mostrado todos os componentes sejam ideais e que seja aplicado na entrada um pulso do tipo degrau, como mostra o sinal VE .

Marque a opção CORRETA em que o sinal da saída S tem o formato:
Provas
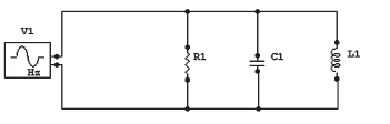
Observe o diagrama fasorial mostrado, em que IR,IL e IC correspondem às correntes nos componentes R,L e C, respectivamente, e I1 é a corrente fornecida pelas fontes.

O circuito correspondente ao diagrama fasorial é apresentado CORRETAMENTE na alternativa:
Provas
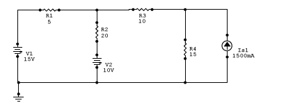
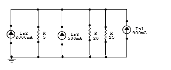
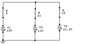
Analise o circuito, em que as resistências estão dadas em ohms.

Todos os circuitos a seguir são equivalentes ao mostrado acima, EXCETO na alternativa:
Provas
Diagrama de Bode

Todas as afirmativas relativas ao diagrama são verdadeiras, EXCETO:
Provas
Assinale a alternativa em que as palavras ou expressões relacionais completam CORRETAMENTE o seguinte trecho:
Os carros alegóricos, _________ adereços foram feitos com material menos perecível, foram danificados durante o transporte. O material _________ me refiro foi comprado desviando verba do orçamento.
Provas
Provas
Provas
Caderno Container