Foram encontradas 45 questões.
Considere a existência de três registradores em um CLP, denominados rA, rB e rC, cujos conteúdos iniciais sejam respectivamente C3H, 24H e 65H. Após a realização da operação lógica (rB ← rA XOR rC), o conteúdo CORRETO de rB será:
Provas
Questão presente nas seguintes provas
Todas as afirmativas referentes a características dos circuitos FPGA e CPLD são verdadeiras, EXCETO:
Provas
Questão presente nas seguintes provas
O painel de um automóvel possui um mostrador digital de três dígitos que deve mostrar quatro informações vindas da central eletrônica, a saber: temperatura externa, temperatura interna, taxa de consumo de combustível e distância a ser percorrida com o combustível restante. Admita que as informações estejam disponíveis como dados de 12 bits, organizados no código BCD. O circuito típico que permite definir a informação CORRETA a ser mostrada é:
Provas
Questão presente nas seguintes provas
O fator de ondulação (FO) de um conversor CA/CC é definido como a relação entre o valor eficaz da componente alternada da tensão de saída VCA e o valor da componente contínua VCC da mesma tensão.
Quatro topologias desses conversores possuem FO iguais a 121% / 48,2% / 18,2% / 4,2%. Marque a alternativa que relacione CORRETAMENTE as quatro topologias, na ordem dada.
Quatro topologias desses conversores possuem FO iguais a 121% / 48,2% / 18,2% / 4,2%. Marque a alternativa que relacione CORRETAMENTE as quatro topologias, na ordem dada.
Provas
Questão presente nas seguintes provas
São dispositivos eletrônicos programáveis, EXCETO:
Provas
Questão presente nas seguintes provas
Considere que uma máquina elétrica seja alimentada por uma fonte de tensão cuja taxa de distorção harmônica (TDH) seja maior que zero. o fator de potência desse sistema, comparado com aquele em que a TDH da alimentação seja nula é:
Provas
Questão presente nas seguintes provas
Uma fonte de tensão alternada senoidal alimenta uma carga com impedância z = 2 + j2 (Ω). É CORRETO afirmar sobre a relação entre corrente resultante e tensão aplicada que:
Provas
Questão presente nas seguintes provas
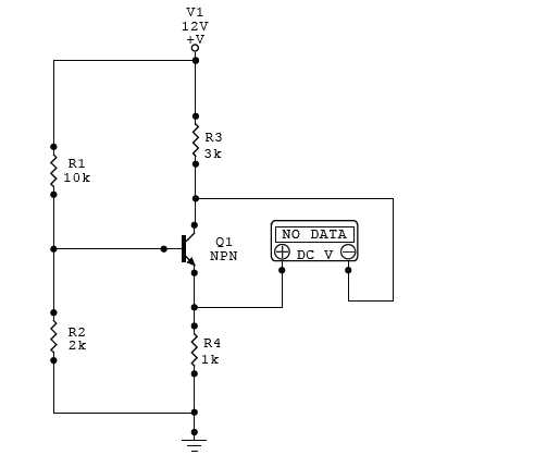
No circuito de polarização do transistor, admita que a corrente de base possa ser desprezada e o transistor opere na região ativa (transistor de pequeno sinal/baixa potência).
O voltímetro, ligado como mostrado, indicará a medida:
O voltímetro, ligado como mostrado, indicará a medida:
Provas
Questão presente nas seguintes provas
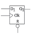
Analise o trecho do código escrito em VHDL.
Process (Clk,r) Begin
If (r = ‘0’) then Q1 <= ‘0’;
Elsif (Clk’event and Clk=’1’) then Q1 <= D1;
End if;
End process;
a alternativa CORRETA que mostra o circuito descrito pelo código é:
Process (Clk,r) Begin
If (r = ‘0’) then Q1 <= ‘0’;
Elsif (Clk’event and Clk=’1’) then Q1 <= D1;
End if;
End process;
a alternativa CORRETA que mostra o circuito descrito pelo código é:
Provas
Questão presente nas seguintes provas
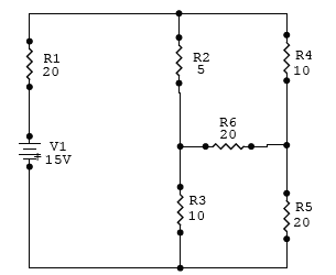
Analise o circuito, em que as resistências estão em ohm.

A potência CORRETA fornecida pela fonte V1 é igual a:
Provas
Questão presente nas seguintes provas
Cadernos
Caderno Container