Foram encontradas 45 questões.
Assinale a alternativa em que as palavras ou expressões relacionais completam CORRETAMENTE o seguinte trecho:
Os carros alegóricos, _________ adereços foram feitos com material menos perecível, foram danificados durante o transporte. O material _________ me refiro foi comprado desviando verba do orçamento.
Provas

Provas

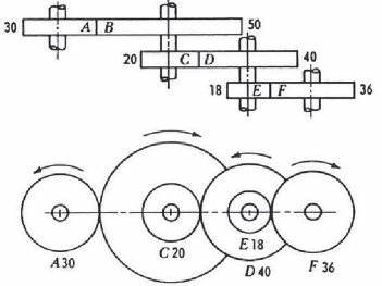
Marque a alternativa com as respostas CORRETAS de nf RPM e Tf em kgfm.
Provas

Selecione dentre as alternativas abaixo a que tem o valor de Vf em mm/min CORRETO.
Provas

Escolha a alternativa abaixo que contém ao Valor correto da Potência de Corte N [kW] com 03 decimais.
Provas
A forma correta de colocação dos grampos em cabos é (são):
Figura 1 
Figura 2 
Figura 3 
Provas
Encontrada a dimensão interna de uma bucha de bronze através de um micrômetro interno.

Qual o valor da leitura encontrada na escala do micrômetro e qual a sua resolução, respectivamente?
Provas

Provas

Esse tipo de ajuste indicado para a determinada montagem é um ajuste
Provas
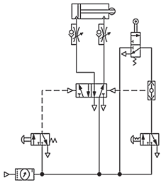
De acordo com o circuito pneumático abaixo,

É CORRETO afirmar que
Provas
Caderno Container