Foram encontradas 45 questões.
Motores elétricos podem ser acionados em corrente contínua, CC, ou em corrente alternada, CA, dependendo das características construtivas.
Acerca dessa a afirmativa, é INCORRETO afirmar que
Provas
Questão presente nas seguintes provas
Os circuitos demultiplexadores/seletores de dados digitais também podem ser usados como
Provas
Questão presente nas seguintes provas
Analise o circuito apresentado a seguir.

Considerando-se as correntes na entrada de U1 iguais a zero e os componentes U1 e Q1 ideais, é CORRETO afirmar que:
Provas
Questão presente nas seguintes provas
SORRIA
A substituição do homem pela máquina segue em ritmo acelerado. São máquinas que atendem ao telefone de muitas empresas. Isto é melhor para o cliente? Nem sempre. É mais barato para a empresa? Provavelmente sim. O que é certo é que elimina empregos de atendentes ao mesmo tempo em que gera empregos técnicos. Produz as adoradas estatísticas, que regem o mundo corporativo, sejam sensatas ou não.
Hoje ouvimos uma frase onipresente: “Para sua segurança esta ligação poderá ser gravada”. É uma versão rústica de outra mensagem frequente nos EUA: “Para controle de qualidade do nosso atendimento esta ligação poderá ser monitorada”.
Por que gravam nossas ligações? De que segurança estão falando? Estão querendo nos proteger ou proteger a eles mesmos? Se é para nos proteger, por que não facilitam o nosso acesso a tais gravações?
O paralelo mais óbvio às gravações de voz são as câmeras de segurança. No mundo da espionagem institucionalizada, a comunicação evoluiu para algo mais simpático e menos ameaçador. “Sorria. Você está sendo filmado.”
As câmeras são instaladas para flagrar furtos, roubos e outros crimes. Mas, ao ler essa frase, o cidadão pode se sentir um ator de cinema e realmente sorrir, esquecendo um instante que o motivo da filmagem é desconfiança e repressão.
Nas últimas semanas, um colégio tradicional paulistano instalou câmeras dentro de salas de aula. Não, não eram berçários dos quais pais aflitos, desconfiados ou culpados vigiam bebês e profissionais à distância. Era uma escola de elite que num só dia suspendeu 107 alunos do ensino médio que resolveram protestar quando descobriram as câmeras.
Questionada, a direção da escola alegou razões de segurança e disciplina. O fato de já haver câmeras em laboratórios [...] fez com que a escola não se preocupasse em discutir o tema com pais e alunos antes de instalar os olhos de vidro em todas as salas de aula.
Parte dos pais aprovou a medida, mas especialistas levantaram a voz para questionar que tipo de educação se desenvolve com base em desconfiança mútua. Outros questionaram o direito de uma escola filmar menores sem aval dos pais.
A ideia é do final do século 18 e foi concebida pelo filósofo e jurista inglês Jeremy Bentham. Ganhou o nome de poder panóptico: a consciência da permanente visibilidade asseguraria o funcionamento de um poder autoritário, como uma prisão, um manicômio, uma empresa ou uma escola. A única novidade é a banalização do instrumento.
Panopticon é o nome de uma estrutura arquitetônica concebida para permitir a observação de tudo o que se passa num edifício sem que as pessoas a serem observadas saibam se estão sendo vigiadas. A simples possibilidade de estarem sendo vigiadas regularia o comportamento delas. O desenho consiste numa estrutura circular com uma torre de inspeção no centro, de onde o inspetor oculto poderia avistar todos os que estiverem no perímetro do edifício. Ele descreveu o projeto como um novo modo de obter poder da mente sobre a mente, numa quantidade até então sem paralelo.
STRECKER, Marion. Folha de S.Paulo. São Paulo, 15 out.2012. TEC, F8.[Fragmento]
Leia estas afirmativas e assinale (V) para as verdadeiras e (F) para as falsas.
I. ( ) Em “Isto é melhor para o cliente?”, o termo sublinhado refere-se à substituição do homem pela máquina.
II. ( ) A pergunta “De que segurança estão falando?” remete à frase “Para controle de qualidade do nosso atendimento esta ligação poderá ser monitorada”.
III. ( ) A frase “Sorria. Você está sendo filmado.” apresenta, como mensagem subliminar, uma intimidação.
IV. ( ) Em “Se é para nos proteger, por que não facilitam o nosso acesso a tais gravações?”, o termo sublinhado remete ao
registro feito nas ligações telefônicas.
A sequência CORRETA é
Provas
Questão presente nas seguintes provas
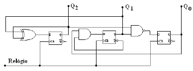
Considere o circuito sequencial abaixo. Se o circuito está no estado inicial Q2Q1Q0 = 000, seu estado após três pulsos de Relógio será:

Provas
Questão presente nas seguintes provas
Analise os circuitos apresentados a seguir:

Considerando que o gerador de sinal fornece uma onda quadrada com 2VPP e período de 10s com 50% de ciclo de trabalho, é CORRETO afirmar que
Provas
Questão presente nas seguintes provas
- Lei 8.112/1990: RJUDo Provimento, Vacância, Remoção, Redistribuição e SubstituiçãoRemoção, Redistribuição e Substituição
Analise e responda a questão, de acordo com Lei nº 8.112, de 11/12/1990 e suas alterações.
Remoção é
Provas
Questão presente nas seguintes provas
O número binário 10101100,101 usa a representação de números negativos por complemento de 2, com o bit de sinal destacado à esquerda. O valor correspondente, em decimal, é:
Provas
Questão presente nas seguintes provas
Analise e responda a questão, de acordo com Lei nº 8.112, de 11/12/1990 e suas alterações.
Sem qualquer prejuízo, poderá o servidor ausentar-se do serviço
Provas
Questão presente nas seguintes provas
Sobre a aplicação de um amperímetro de alicate, são falsas as afirmativas, EXCETO:
Provas
Questão presente nas seguintes provas
Cadernos
Caderno Container