Foram encontradas 45 questões.
Um auxiliar técnico observou em um osciloscópio na posição AC um sinal senoidal de 180V de pico e na posição CC mediu 127V de valor médio. Sabendo-se que !$ 180 \cong 127 \sqrt {2} V !$, qual o valor que ele obteria se usasse um multímetro TRUE RMS CA+CC para medir esse sinal?
Provas
Questão presente nas seguintes provas
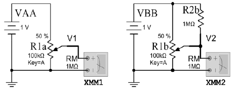
Analise os circuitos divisores de tensão a seguir em que o voltímetro XMM possui impedância !$ R_M = 1M \Omega !$ e os potenciômetros R1a e R1b possuem as mesmas especificações.

A respeito desses circuitos, é CORRETO afirmar que
Provas
Questão presente nas seguintes provas
Uma porta lógica da família 74SXX está acionando portas de tecnologia 74ALSXX, de acordo com o seguinte quadro de parâmetros elétricos:
| 74ALSXX: | 74SXX: |
| !$ I_{OL} = 8mA !$ | !$ I_{OL} = 20mA !$ |
| !$ I_{OH} = -400 \mu A !$ | !$ I_{OH} = -1mA !$ |
| !$ I_{IL} = -200 \mu A !$ | !$ I_{IL} = -2mA !$ |
| !$ I_{IH} = 20 \mu A !$ | !$ I_{IH} = 50 \mu A !$ |
É CORRETO afirmar que a capacidade de saída (fan-out) da porta acionadora é
Provas
Questão presente nas seguintes provas
A figura mostra um Mapa de Karnaugh usado para simplificar uma função lógica S de 4 variáveis A, B, C e D em que as entradas “X” no mapa correspondem a condições irrelevantes.
| !$ DCBA !$ | !$ \overline {B} \overline {A} !$ | !$ \overline {B} A !$ | !$ BA !$ | !$ B \overline {A} !$ |
| !$ \overline {D} \overline {C} !$ | 0 | 0 | 1 | 0 |
| !$ \overline {D} C !$ | 0 | 0 | 1 | 1 |
| !$ DC !$ | 1 | 1 | 1 | 1 |
| !$ D \overline {C} !$ | X | X | 1 |
A expressão mínima para a função S é
Provas
Questão presente nas seguintes provas
SORRIA
A substituição do homem pela máquina segue em ritmo acelerado. São máquinas que atendem ao telefone de muitas empresas. Isto é melhor para o cliente? Nem sempre. É mais barato para a empresa? Provavelmente sim. O que é certo é que elimina empregos de atendentes ao mesmo tempo em que gera empregos técnicos. Produz as adoradas estatísticas, que regem o mundo corporativo, sejam sensatas ou não.
Hoje ouvimos uma frase onipresente: “Para sua segurança esta ligação poderá ser gravada”. É uma versão rústica de outra mensagem frequente nos EUA: “Para controle de qualidade do nosso atendimento esta ligação poderá ser monitorada”.
Por que gravam nossas ligações? De que segurança estão falando? Estão querendo nos proteger ou proteger a eles mesmos? Se é para nos proteger, por que não facilitam o nosso acesso a tais gravações?
O paralelo mais óbvio às gravações de voz são as câmeras de segurança. No mundo da espionagem institucionalizada, a comunicação evoluiu para algo mais simpático e menos ameaçador. “Sorria. Você está sendo filmado.”
As câmeras são instaladas para flagrar furtos, roubos e outros crimes. Mas, ao ler essa frase, o cidadão pode se sentir um ator de cinema e realmente sorrir, esquecendo um instante que o motivo da filmagem é desconfiança e repressão.
Nas últimas semanas, um colégio tradicional paulistano instalou câmeras dentro de salas de aula. Não, não eram berçários dos quais pais aflitos, desconfiados ou culpados vigiam bebês e profissionais à distância. Era uma escola de elite que num só dia suspendeu 107 alunos do ensino médio que resolveram protestar quando descobriram as câmeras.
Questionada, a direção da escola alegou razões de segurança e disciplina. O fato de já haver câmeras em laboratórios [...] fez com que a escola não se preocupasse em discutir o tema com pais e alunos antes de instalar os olhos de vidro em todas as salas de aula.
Parte dos pais aprovou a medida, mas especialistas levantaram a voz para questionar que tipo de educação se desenvolve com base em desconfiança mútua. Outros questionaram o direito de uma escola filmar menores sem aval dos pais.
A ideia é do final do século 18 e foi concebida pelo filósofo e jurista inglês Jeremy Bentham. Ganhou o nome de poder panóptico: a consciência da permanente visibilidade asseguraria o funcionamento de um poder autoritário, como uma prisão, um manicômio, uma empresa ou uma escola. A única novidade é a banalização do instrumento.
Panopticon é o nome de uma estrutura arquitetônica concebida para permitir a observação de tudo o que se passa num edifício sem que as pessoas a serem observadas saibam se estão sendo vigiadas. A simples possibilidade de estarem sendo vigiadas regularia o comportamento delas. O desenho consiste numa estrutura circular com uma torre de inspeção no centro, de onde o inspetor oculto poderia avistar todos os que estiverem no perímetro do edifício. Ele descreveu o projeto como um novo modo de obter poder da mente sobre a mente, numa quantidade até então sem paralelo.
STRECKER, Marion. Folha de S.Paulo. São Paulo, 15 out.2012. TEC, F8.[Fragmento]
Assinale a alternativa que ULTRAPASSA as informações do texto.
Provas
Questão presente nas seguintes provas
Cadernos
Caderno Container