Foram encontradas 60 questões.
Nas frases abaixo, a locução SEM QUE está empregada com diferentes valores semânticos. Assinale a alternativa em que ela introduz o valor condicional:
Provas
Questão presente nas seguintes provas
Para o circuito abaixo, supondo que !$ \omega = 2 \pi f !$, f=frequência e !$ j = (-1) ^{^1/_2} !$, a expressão da impedância Z é dada por:

Provas
Questão presente nas seguintes provas
Em relação às alternativas abaixo, assinale aquela que julgue INCORRETA:
Provas
Questão presente nas seguintes provas
|
A questão abaixo assumem que o sistema operacional é o Windows 7 Home Edition; o pacote Microsoft Office é o Microsoft Office 2007 e o pacote Open Office usado é o Libre Office 3.5.4. Todos os softwares são de versões oficiais, em Português do Brasil, devidamente licenciados e com todas as atualizações publicadas até junho de 2012.
As configurações do software são as existentes após a instalação. A configuração usada é para destros. Quando se mencionar clicar, deve-se entender clicar com o botão esquerdo do mouse. Quando for o caso de se clicar com o botão direito, isso é será mencionado explicitamente. Em ambos os casos, o resultado esperado é o que ocorre na configuração padrão (para destros).
|
Em um documento Word, há uma tabela como a apresentada abaixo:
| Descrição | Quantidade | Valor Unitário | Valor do Item |
| Livro Branco | 3 | 30,00 | 90,00 |
| Livro Azul | 6 | 10,00 | 60,00 |
| Valor Total | 150,00 |
Deseja-se que os valores dos itens e o valor total sejam calculados pelo Word. Qual das afirmações alternativas abaixo está CORRETA?
Provas
Questão presente nas seguintes provas
No que tange a posse e exercício de cargo público federal, assinale a alternativa que NÃO é correta:
Provas
Questão presente nas seguintes provas
Leia as frases a seguir:
(I) Os homens cujos princípios não são sólidos acabam se corrompendo.
(II) Os homens, cujos princípios não são sólidos, acabam se corrompendo.
(II) Os homens, cujos princípios não são sólidos, acabam se corrompendo.
Marque V para a alternativa VERDADEIRA e F para a FALSA:
A diferença entre (I) e (II) está no fato de que em:
( ) (I) está-se afirmando que determinados tipos de homens – aqueles que não tem princípios sólidos – são corruptíveis.
( ) (I) está-se afirmando que o termo homens tem seu sentido especializado.
( ) (II) está-se afirmando que nem todos os homens são corruptíveis.
( ) (I) há um certo pessimismo diante do comportamento dos homens modernos, visto que só pensam em si próprios.
( ) (II) está-se afirmando que todos os homens são corruptíveis, porque se considera a falta de solidez dos princípios uma característica comum a todo e qualquer homem.
Assinale a opção CORRETA:
Provas
Questão presente nas seguintes provas
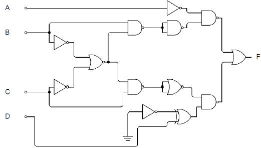
Para o circuito lógico abaixo (lógica positiva), a expressão lógica obtida na saída F é: (onde NEGAÇÃO=função inversora, E= função E lógico, OU=função OU lógico, nível lógico 0 = 0V):

Provas
Questão presente nas seguintes provas
Um capacitor de cerâmica possui as seguintes inscrições em seu corpo: 101J 100V. Esse código refere-se ao:
Provas
Questão presente nas seguintes provas
Quem canta seus males espanta!!!
Raul Seixas cantou em sua Metamorfose ambulante: “Eu prefiro ser essa metamorfose ambulante do que ter aquela velha opinião formada sobre tudo”. Com isso, “maltratou a língua portuguesa”, diriam alguns gramáticos de plantão. Assinale a alternativa que está de acordo com a norma culta da língua portuguesa:
Provas
Questão presente nas seguintes provas
No que se refere à aposentadoria do servidor público, prevista na Constituição Federal, assinale a alternativa CORRETA:
Provas
Questão presente nas seguintes provas
Cadernos
Caderno Container