Foram encontradas 50 questões.
Considere o circuito responsável pela quantização num sistema de aquisição de tensões analógicas. Deseja-se fazer a leitura de um sensor analógico de temperatura que tem sensibilidade de 1VoC-1, utilizando-se, para isso, um conversor analógico-digital (ADC) com margem de tensões de entrada de 0 a 10V, de modo que a resolução de leitura seja de 0,1oC, ou menor. Pergunta: de quantos bits, pelo menos, deve ser o referido ADC para satisfazer a tarefa?
Provas
Questão presente nas seguintes provas
Qual o valor médio de v0(t) no circuito a seguir? Considere nula a tensão da camada de depleção em condição de polarização direta dos diodos zener a seguir. A tensão nominal zener dos diodos é 7,0V e a entrada, Vi, é uma tensão quadrada que oscila entre 5,0 V e 10,0 V com frequência 1,0 kHz e ciclo de trabalho igual a 50%.

Provas
Questão presente nas seguintes provas
TEXTO 1
A economia brasileira apresenta relações tecnológicas variadas com o mundo exterior, produto das suas trajetórias históricas de desenvolvimento. A industrialização e o modo que assumiu, com participação relevante de empresas de capital estrangeiro e um interesse modesto das empresas nacionais por esforços tecnológicos próprios, ajudaram a moldar as relações entre o Brasil e os demais países nesse quesito. Por um lado, a internalização de capacidades industriais e a competição entre as empresas apoiaram-se bastante na importação de máquinas e equipamentos, com apoio da assistência técnica dos fornecedores. Por outro lado, as empresas de capital estrangeiro puderam estabelecer uma clara supremacia industrial e tecnológica recorrendo à fonte segura da sua matriz e reproduzindo localmente as suas posições relativas do cenário internacional. Experiências tecnológicas diferenciadas foram entabuladas sobretudo pelas empresas estatais, em diferentes contextos: pesquisa agrícola (Institutos Agronômicos, Embrape), Petrobras, Embraer, Programa Nuclear, Pesquisas Espaciais, Proálcool são exemplos de esforços conduzidos ou patrocinados pelo Estado.
Vistas em retrospectiva, várias das escolhas produziram efeitos que nem sempre foram antecipados. A Petrobras ajudou a construir um setor de bens de capital relevante desde os anos 1950, mas sem projeção internacional digna de maior registro. É possível que essa experiência possa suscitar reflexões sobre a nova onda de investimentos que se avizinha: a mera criação de um setor fornecedor para a Petrobras e o setor de petróleo no Brasil poderá contribuir para criar uma indústria dinâmica e com projeção internacional? (...)
Pelo mesmo caminho das preocupações com a nacionalização da produção (embora o termo mais adequado pudesse ser territorialização ou internalização), a indústria automobilística alcançou um patamar elevado de produção e um certo grau de sofisticação dos processos e dos produtos. Apesar disso, a sua balança comercial não se apresenta hoje tão robusta e – mais grave – continua dependente de uma tarifa externa muito elevada. A base ampliada do comércio regional e a divisão de trabalho com a indústria argentina no âmbito do Mercosul ajudaram a consolidar uma atividade de grande importância e impactos plurais, mas de conteúdo tecnológico ainda muito distante do que seria esperável depois de mais de meio século de produção local por empresas que lideraram por tanto tempo o oligopólio automobilístico mundial, secundadas por entrantes mais recentes. Indícios recentes parecem apontar para um reforço das equipes locais de engenharia das empresas estabelecidas, mas o termo "pesquisa" do trinômio PD&I está ainda longe de ter uma expressão mais significativa. Isso será tão mais importante quando se considerar que a indústria automobilística parece estar no advento de uma transição motivada pela energia. Embora tenha contribuído durante muito tempo para substituir importações, o setor não parece preparado para participar de modo ativo do duplo esforço que se avizinha – combater o avanço muito agressivo da indústria chinesa e indiana e construir uma posição sólida na nova indústria automobilística em gestação.
Por um caminho inteiramente distinto, sem preocupações tão estritas com relação ao conteúdo nacional da produção, partindo mais do elemento intangível do que da produção material, o setor aeronáutico alcançou uma projeção internacional a partir de um prolongado esforço de capacitação. É impossível afirmar que a exportação de aviões é o principal resultado daquele esforço de capacitação tecnológica iniciado há tanto tempo. Sucessivas gerações de engenheiros, com sólida formação científica e tecnológica, preocupados com as trajetórias de desenvolvimento da indústria e com a tecnologia, são um coproduto de importância incomensurável.
Uma das lições que a perspectiva adotada neste ensaio propicia consiste em considerar de modo mais efetivo o tempo e os seus efeitos. Investimentos tecnológicos são, por sua natureza, mais difíceis de construir do que investimentos em capacidades de produção, mormente quando os elementos tangíveis dos processos e produtos estabelecidos estão disponíveis. Demorou muito mais tempo para construir uma indústria aeronáutica do que a automobilística, mas uma e outra possuem trajetórias muito distintas. Esta baseou-se na importação de máquinas, equipamentos, tecnologias, projetos e know-how e aquela na construção dos elementos de conhecimento e só progressivamente nas suas derivações tangíveis.
FURTADO, João. As relações tecnológicas do Brasil com o mundo exterior: passado, presente e perspectivas. Rev. USP nº. 89. São Paulo mar./maio 2011.
Na frase “Esta baseou-se na importação de máquinas, equipamentos, tecnologias, projetos e know-how e aquela na construção dos elementos de conhecimento e só progressivamente nas suas derivações tangíveis”, os termos sublinhados reportam-se, respectivamente, a:
Provas
Questão presente nas seguintes provas
A figura a seguir apresenta a arquitetura típica de rede para a telefonia IP. Dentre os elementos exibidos, é correto afirmar que:

Provas
Questão presente nas seguintes provas
A topologia de um rede de computadores foi configurada segundo a Figura abaixo. Nesta topologia existem três sub-redes; a da esquerda com o endereço 223.1.1.0/24, a central com o endereço 223.1.2.0/24 e a da direita com o endereço 223.1.3.0/24. As três sub-redes estão conectadas através de um roteador. De acordo com estas informações qual alternativa poderia representar os quatro endereços IP A, B, C e D?

Provas
Questão presente nas seguintes provas
Quando uma organização decide atacar o problema de segurança na Internet via a utilização de firewalls, é correto afirmar que:
Provas
Questão presente nas seguintes provas
TEXTO 1
A economia brasileira apresenta relações tecnológicas variadas com o mundo exterior, produto das suas trajetórias históricas de desenvolvimento. A industrialização e o modo que assumiu, com participação relevante de empresas de capital estrangeiro e um interesse modesto das empresas nacionais por esforços tecnológicos próprios, ajudaram a moldar as relações entre o Brasil e os demais países nesse quesito. Por um lado, a internalização de capacidades industriais e a competição entre as empresas apoiaram-se bastante na importação de máquinas e equipamentos, com apoio da assistência técnica dos fornecedores. Por outro lado, as empresas de capital estrangeiro puderam estabelecer uma clara supremacia industrial e tecnológica recorrendo à fonte segura da sua matriz e reproduzindo localmente as suas posições relativas do cenário internacional. Experiências tecnológicas diferenciadas foram entabuladas sobretudo pelas empresas estatais, em diferentes contextos: pesquisa agrícola (Institutos Agronômicos, Embrape), Petrobras, Embraer, Programa Nuclear, Pesquisas Espaciais, Proálcool são exemplos de esforços conduzidos ou patrocinados pelo Estado.
Vistas em retrospectiva, várias das escolhas produziram efeitos que nem sempre foram antecipados. A Petrobras ajudou a construir um setor de bens de capital relevante desde os anos 1950, mas sem projeção internacional digna de maior registro. É possível que essa experiência possa suscitar reflexões sobre a nova onda de investimentos que se avizinha: a mera criação de um setor fornecedor para a Petrobras e o setor de petróleo no Brasil poderá contribuir para criar uma indústria dinâmica e com projeção internacional? (...)
Pelo mesmo caminho das preocupações com a nacionalização da produção (embora o termo mais adequado pudesse ser territorialização ou internalização), a indústria automobilística alcançou um patamar elevado de produção e um certo grau de sofisticação dos processos e dos produtos. Apesar disso, a sua balança comercial não se apresenta hoje tão robusta e – mais grave – continua dependente de uma tarifa externa muito elevada. A base ampliada do comércio regional e a divisão de trabalho com a indústria argentina no âmbito do Mercosul ajudaram a consolidar uma atividade de grande importância e impactos plurais, mas de conteúdo tecnológico ainda muito distante do que seria esperável depois de mais de meio século de produção local por empresas que lideraram por tanto tempo o oligopólio automobilístico mundial, secundadas por entrantes mais recentes. Indícios recentes parecem apontar para um reforço das equipes locais de engenharia das empresas estabelecidas, mas o termo "pesquisa" do trinômio PD&I está ainda longe de ter uma expressão mais significativa. Isso será tão mais importante quando se considerar que a indústria automobilística parece estar no advento de uma transição motivada pela energia. Embora tenha contribuído durante muito tempo para substituir importações, o setor não parece preparado para participar de modo ativo do duplo esforço que se avizinha – combater o avanço muito agressivo da indústria chinesa e indiana e construir uma posição sólida na nova indústria automobilística em gestação.
Por um caminho inteiramente distinto, sem preocupações tão estritas com relação ao conteúdo nacional da produção, partindo mais do elemento intangível do que da produção material, o setor aeronáutico alcançou uma projeção internacional a partir de um prolongado esforço de capacitação. É impossível afirmar que a exportação de aviões é o principal resultado daquele esforço de capacitação tecnológica iniciado há tanto tempo. Sucessivas gerações de engenheiros, com sólida formação científica e tecnológica, preocupados com as trajetórias de desenvolvimento da indústria e com a tecnologia, são um coproduto de importância incomensurável.
Uma das lições que a perspectiva adotada neste ensaio propicia consiste em considerar de modo mais efetivo o tempo e os seus efeitos. Investimentos tecnológicos são, por sua natureza, mais difíceis de construir do que investimentos em capacidades de produção, mormente quando os elementos tangíveis dos processos e produtos estabelecidos estão disponíveis. Demorou muito mais tempo para construir uma indústria aeronáutica do que a automobilística, mas uma e outra possuem trajetórias muito distintas. Esta baseou-se na importação de máquinas, equipamentos, tecnologias, projetos e know-how e aquela na construção dos elementos de conhecimento e só progressivamente nas suas derivações tangíveis.
FURTADO, João. As relações tecnológicas do Brasil com o mundo exterior: passado, presente e perspectivas. Rev. USP nº. 89. São Paulo mar./maio 2011.
Segundo o texto, distinguem-se os termos ‘nacionalização’ e ‘territorialização’ devido à:
Provas
Questão presente nas seguintes provas
Em relação a uma das principais vantagens da tecnologia Network Address Translation (NAT), a transparência, podemos afirmar que:
Provas
Questão presente nas seguintes provas
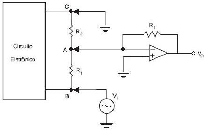
Um problema muito comum encontrado em laboratório é medir o valor de um componente sem removê-lo do circuito. Um arranjo experimental usado para se obter a medida de um resistor R é mostrado no esquema baixo, que consiste em usar um amplificador operacional, um resistor Rf conhecido e uma fonte de sinal Vi compatível com o circuito. Usando um resistor (Rf) de 20KΩ e uma fonte de tensão (Vi) de 1V, obteve-se na saída uma tensão de 2V. Nestas condições o valor do resistor R1 é:

Provas
Questão presente nas seguintes provas
TEXTO 1
A economia brasileira apresenta relações tecnológicas variadas com o mundo exterior, produto das suas trajetórias históricas de desenvolvimento. A industrialização e o modo que assumiu, com participação relevante de empresas de capital estrangeiro e um interesse modesto das empresas nacionais por esforços tecnológicos próprios, ajudaram a moldar as relações entre o Brasil e os demais países nesse quesito. Por um lado, a internalização de capacidades industriais e a competição entre as empresas apoiaram-se bastante na importação de máquinas e equipamentos, com apoio da assistência técnica dos fornecedores. Por outro lado, as empresas de capital estrangeiro puderam estabelecer uma clara supremacia industrial e tecnológica recorrendo à fonte segura da sua matriz e reproduzindo localmente as suas posições relativas do cenário internacional. Experiências tecnológicas diferenciadas foram entabuladas sobretudo pelas empresas estatais, em diferentes contextos: pesquisa agrícola (Institutos Agronômicos, Embrape), Petrobras, Embraer, Programa Nuclear, Pesquisas Espaciais, Proálcool são exemplos de esforços conduzidos ou patrocinados pelo Estado.
Vistas em retrospectiva, várias das escolhas produziram efeitos que nem sempre foram antecipados. A Petrobras ajudou a construir um setor de bens de capital relevante desde os anos 1950, mas sem projeção internacional digna de maior registro. É possível que essa experiência possa suscitar reflexões sobre a nova onda de investimentos que se avizinha: a mera criação de um setor fornecedor para a Petrobras e o setor de petróleo no Brasil poderá contribuir para criar uma indústria dinâmica e com projeção internacional? (...)
Pelo mesmo caminho das preocupações com a nacionalização da produção (embora o termo mais adequado pudesse ser territorialização ou internalização), a indústria automobilística alcançou um patamar elevado de produção e um certo grau de sofisticação dos processos e dos produtos. Apesar disso, a sua balança comercial não se apresenta hoje tão robusta e – mais grave – continua dependente de uma tarifa externa muito elevada. A base ampliada do comércio regional e a divisão de trabalho com a indústria argentina no âmbito do Mercosul ajudaram a consolidar uma atividade de grande importância e impactos plurais, mas de conteúdo tecnológico ainda muito distante do que seria esperável depois de mais de meio século de produção local por empresas que lideraram por tanto tempo o oligopólio automobilístico mundial, secundadas por entrantes mais recentes. Indícios recentes parecem apontar para um reforço das equipes locais de engenharia das empresas estabelecidas, mas o termo "pesquisa" do trinômio PD&I está ainda longe de ter uma expressão mais significativa. Isso será tão mais importante quando se considerar que a indústria automobilística parece estar no advento de uma transição motivada pela energia. Embora tenha contribuído durante muito tempo para substituir importações, o setor não parece preparado para participar de modo ativo do duplo esforço que se avizinha – combater o avanço muito agressivo da indústria chinesa e indiana e construir uma posição sólida na nova indústria automobilística em gestação.
Por um caminho inteiramente distinto, sem preocupações tão estritas com relação ao conteúdo nacional da produção, partindo mais do elemento intangível do que da produção material, o setor aeronáutico alcançou uma projeção internacional a partir de um prolongado esforço de capacitação. É impossível afirmar que a exportação de aviões é o principal resultado daquele esforço de capacitação tecnológica iniciado há tanto tempo. Sucessivas gerações de engenheiros, com sólida formação científica e tecnológica, preocupados com as trajetórias de desenvolvimento da indústria e com a tecnologia, são um coproduto de importância incomensurável.
Uma das lições que a perspectiva adotada neste ensaio propicia consiste em considerar de modo mais efetivo o tempo e os seus efeitos. Investimentos tecnológicos são, por sua natureza, mais difíceis de construir do que investimentos em capacidades de produção, mormente quando os elementos tangíveis dos processos e produtos estabelecidos estão disponíveis. Demorou muito mais tempo para construir uma indústria aeronáutica do que a automobilística, mas uma e outra possuem trajetórias muito distintas. Esta baseou-se na importação de máquinas, equipamentos, tecnologias, projetos e know-how e aquela na construção dos elementos de conhecimento e só progressivamente nas suas derivações tangíveis.
FURTADO, João. As relações tecnológicas do Brasil com o mundo exterior: passado, presente e perspectivas. Rev. USP nº. 89. São Paulo mar./maio 2011.
A expressão sublinhada na frase “Experiências tecnológicas diferenciadas foram entabuladas sobretudo pelas empresas estatais (...)” desempenha a função sintática de:
Provas
Questão presente nas seguintes provas
Cadernos
Caderno Container