Foram encontradas 1.356 questões.
O sistema mecânico da figura possui massa m e duas molas de constantes k1 e k2. Para este sistema, a frequência natural é:


Provas
Questão presente nas seguintes provas
Dois ambientes que possuem, respectivamente, coeficiente de película hi
e ho e temperaturas Ti
e To (Ti
> To) estão separados
por uma parede plana conforme ilustrado abaixo.

Cada elemento j, que constitui a parede tem condutividade térmica Kj e área de troca térmica Aj . As camadas têm espessura a, b e c, respectivamente, conforme ilustrado. A potência térmica trocada entre os meios externos pode ser calculada por:
Q = U.A (Ti - To ) = U.A5 (Ti - To )
onde U é o coeficiente global de troca térmica dado por:

Cada elemento j, que constitui a parede tem condutividade térmica Kj e área de troca térmica Aj . As camadas têm espessura a, b e c, respectivamente, conforme ilustrado. A potência térmica trocada entre os meios externos pode ser calculada por:
Q = U.A (Ti - To ) = U.A5 (Ti - To )
onde U é o coeficiente global de troca térmica dado por:
Provas
Questão presente nas seguintes provas
Um tubo de metal com 1 metro de comprimento é aquecido por meio de vapor d'água conforme a ilustração abaixo. No
processo, a temperatura do tubo foi elevada de 20° para 100 °C. Ao término do aquecimento, o ponteiro preso ao eixo de 1 mm
de diâmetro acusou no transferidor uma rotação 90°.

A dilatação térmica observada, aproximadamente, em mm, foi de

A dilatação térmica observada, aproximadamente, em mm, foi de
Provas
Questão presente nas seguintes provas
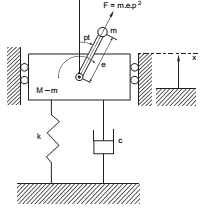
O sistema da figura abaixo representa uma máquina de massa total M, com uma parte girante, de massa m e excentricidade e,
conforme figura. A coordenada x varia com o tempo e localiza a parte não girante da máquina. A máquina é suportada por uma
suspensão de constante elástica k e constante de amortecimento c. A equação diferencial do movimento é
. O bloco não girante terá um movimento harmônico persistente expresso por x(t) = Xcos(pt − Ψ) ,
onde X é a amplitude da vibração e Ψ é a diferença de fase. Sobre tal sistema considere:
I. A amplitude da vibração, X, aumenta proporcionalmente ao valor da velocidade angular p.
II. A amplitude da vibração, X, depende do fator de ampliação que por sua vez depende da razão entre a velocidade angular, p, e a frequência natural do sistema, ω.
III. O fator de ampliação não depende do índice de amortecimento.
IV. Haverá ressonância quando não houver amortecimento e a velocidade angular for igual à frequência natural.

Está correto o que consta em
. O bloco não girante terá um movimento harmônico persistente expresso por x(t) = Xcos(pt − Ψ) ,
onde X é a amplitude da vibração e Ψ é a diferença de fase. Sobre tal sistema considere:I. A amplitude da vibração, X, aumenta proporcionalmente ao valor da velocidade angular p.
II. A amplitude da vibração, X, depende do fator de ampliação que por sua vez depende da razão entre a velocidade angular, p, e a frequência natural do sistema, ω.
III. O fator de ampliação não depende do índice de amortecimento.
IV. Haverá ressonância quando não houver amortecimento e a velocidade angular for igual à frequência natural.

Está correto o que consta em
Provas
Questão presente nas seguintes provas
Uma prática cada vez mais empregada nas construções, segundo a filosofia green building, é o consumo de água quente
aquecida por energia solar. Considere que, em um edifício de escritórios deseja-se ter água quente na copa para lavar louças e
talheres, nos lavabos para lavar as mãos ou rostos e, nas duchas dos boxes para banho corporal. As toalhas utilizadas na copa
são descartáveis. Nas cubas, as mãos são secas com tolhas de papel. Os usuários do box para banho sabem que não podem
ultrapassar 15 minutos e, devem trazer a toalha de casa. Considere que cada andar tipo possua 1/3 copas (uma copa a cada
três andares); um banheiro masculino e outro feminino. Cada banheiro possui quatro cubas e dois box cada um com uma ducha
e mais quatro bacias sanitárias. Em cada andar trabalham, em média, 25 pessoas e lavam-se louças (copos de vidro, e xícaras
de café) e talheres para atender 50 pessoas (incluindo visitantes) duas vezes por turno (equivale a 200 copos, 200 xícaras,
200 pires e cerca de 600 talheres por dia). Eles são lavados em lavadoras industriais, que trabalham, exclusivamente, com água
quente, consumindo, exclusivamente a cada uso 50 litros de água quente. Considere que, em cada andar tipo os boxes atendam
em média 10 pessoas/dia e as cubas são utilizadas por uma população de 150 pessoas com consumo equivalente à metade em
água quente e metade em água fria. O tempo estimado de uso de água na cuba é de cerca de 1 min. Conhecendo-se o
consumo de água em ducha e lavabos segundo ABNT NBR 15569 – Sistema de Aquecimento Solar de Água em Circuito Direto
– Projeto e Instalação, a melhor estimativa para a demanda de água quente por dia, por andar tipo é igual a
Provas
Questão presente nas seguintes provas
Em alguns equipamentos de troca térmica que trabalham à temperatura elevada emprega-se um material que combina a
resistência à corrosão e à oxidação e, resistência mecânica com a tenacidade em temperaturas elevadas. Este material recebe o
nome comercial de Inconel. O Inconel é uma liga onde os principais elementos são: níquel,
Provas
Questão presente nas seguintes provas
O teste Erichsen, aplicado a materiais metálicos, avalia a seguinte propriedade mecânica:
Provas
Questão presente nas seguintes provas
Rotâmetro é um instrumento de medição utilizado para
Provas
Questão presente nas seguintes provas
A fiscalização anual da adequada operação de escadas rolantes e elevadores de passageiros na capital Belo Horizonte compete
Provas
Questão presente nas seguintes provas
Em uma instalação de refrigeração do óleo hidráulico, que aciona um pistão para movimentar um elevador de passageiros, utiliza-se
um trocador de calor multitubular horizontal instalado em um espaço pequeno e de difícil acesso. Tem-se observado o
vazamento de óleo hidráulico pelos flanges de sua carcaça que dificilmente poderá ser reparado devido à idade do trocador. O
óleo hidráulico, que é inflamável, ingressa a 260 °C e deixa o equipamento a 50 °C. A pressão de ingresso do óleo hidráulico é
de 5000 kPa. Utiliza-se água para o resfriamento do óleo hidráulico. Com o vazamento do óleo hidráulico há o risco iminente de
incêndio. Encontrou-se a oportunidade imediata de substituir este trocador de calor por um trocador por placas, sem custo de
aquisição algum. Foi efetuada a análise da capacidade de troca térmica deste novo trocador e ele tem uma capacidade maior do
que a requerida, e além disso:
I. Ocuparia uma área para sua instalação menor do que aquela que se encontra em operação.
II. Trabalharia com uma perda de carga menor do que a atual.
III. O atual sistema de gaxetas empregadas no trocador por placas é compatível com o óleo hidráulico.
IV. Não foi detectado problema de estanqueidade entre as placas do trocador por placas.
V. As bitolas de conexão de entrada e saída dos fluídos do trocador por placas são perfeitamente compatíveis com as conexões do atual trocador utilizado.
VI. O material das placas de troca térmica é perfeitamente compatível com os fluídos em questão.
A partir das informações disponibilizadas:
I. Ocuparia uma área para sua instalação menor do que aquela que se encontra em operação.
II. Trabalharia com uma perda de carga menor do que a atual.
III. O atual sistema de gaxetas empregadas no trocador por placas é compatível com o óleo hidráulico.
IV. Não foi detectado problema de estanqueidade entre as placas do trocador por placas.
V. As bitolas de conexão de entrada e saída dos fluídos do trocador por placas são perfeitamente compatíveis com as conexões do atual trocador utilizado.
VI. O material das placas de troca térmica é perfeitamente compatível com os fluídos em questão.
A partir das informações disponibilizadas:
Provas
Questão presente nas seguintes provas
Cadernos
Caderno Container