Magna Concursos

Foram encontradas 1.356 questões.

759079 Ano: 2015
Disciplina: Engenharia Eletrônica
Banca: FCC
Orgão: TRT-3
Atenção: Para responder à questão, considere as figuras abaixo onde V1 = V2 = 220 VRMS e despreze as tensões VQ1 e VQ2.

enunciado 759079-1

Para que a tensão média na carga seja máxima, o ângulo de disparo dos dois SCRs deve ser, em rad, igual a
 

Provas

Questão presente nas seguintes provas
759078 Ano: 2015
Disciplina: Engenharia Eletrônica
Banca: FCC
Orgão: TRT-3
O bloco eletrônico que tem como base de funcionamento o dispositivo SCR é o
 

Provas

Questão presente nas seguintes provas
759077 Ano: 2015
Disciplina: Engenharia Eletrônica
Banca: FCC
Orgão: TRT-3
O tipo de modulação em portadora senoidal por informação digital é
 

Provas

Questão presente nas seguintes provas
759076 Ano: 2015
Disciplina: Engenharia Eletrônica
Banca: FCC
Orgão: TRT-3
Os sinais de um transmissor binário centrado na 3ª janela óptica, com potência de pico de 10 mW são transmitidos por uma fibra óptica de comprimento de 95 km e αf = 0,2 dB/Km. Considere ainda as perdas de potência nos conectores entre o transmissor e a fibra (αt = 0,5 dB) e entre a fibra e o receptor (αr = 0,5 dB).

A potência recebida no receptor em dBm é

 

Provas

Questão presente nas seguintes provas
759075 Ano: 2015
Disciplina: Engenharia Elétrica
Banca: FCC
Orgão: TRT-3
Em relação à Resolução n° 70/2010 do CSJT aplicada às obras e serviços de engenharia considere:

I. O custo global das obras e dos serviços de engenharia será obtido a partir dos custos unitários de insumos ou serviços iguais ou menores que a mediana de seus correspondentes no Sistema Nacional de Pesquisa de Custos e Índices da Construção Civil − SINAPI, mantido e divulgado pela Caixa Econômica Federal na rede mundial de computadores.

II. Para contratação de serviços de terraplanagem, pavimentação, drenagem ou nos casos de elaboração de obras de arte especiais, em áreas que não apresentem interferências urbanas, serão utilizadas como parâmetros de custo, preferencialmente, as tabelas do Sistema de Custos Rodoviários − SICRO do Departamento Nacional de Infraestrutura de Transporte − DNIT.

III. Nos casos em que o SINAPI ou o SICRO não oferecerem custos unitários de insumos ou serviços, poderão ser adotados aqueles disponíveis em tabela de referência simplesmente apresentada ao órgão ou entidade da Administração pública federal, excluindo-se os custos de insumos constantes do SINAPI das composições de custos dessas tabelas sempre que possível.

IV. Os acréscimos de serviços serão objeto de aditivos ao contrato pelos preços unitários da planilha orçamentária atualizada na data base mais recente.

Está correto o que consta em
 

Provas

Questão presente nas seguintes provas
759074 Ano: 2015
Disciplina: Engenharia Elétrica
Banca: FCC
Orgão: TRT-3
Conforme a NR-10, uma instalação elétrica liberada para o trabalho é considerada desenergizada quando submetida aos seguintes procedimentos:

I. Constatação da ausência de tensão.

II. Instalação de sinalização de impedimento de reenergização.

III. Seccionamento.

IV. Proteção dos elementos energizados existentes na zona controlada.

V. Impedimento de reenergização.

VI. Instalação de aterramento temporário com equipotencialização dos condutores do circuito.

Considerando as situações que não exigem alterações, substituições, ampliações ou eliminações destes procedimentos, determinadas e justificadas por profissional legalmente habilitado e autorizado, a sequência de aplicação destes procedimentos de desenergização prevista na referida Norma Regulamentadora é
 

Provas

Questão presente nas seguintes provas
759073 Ano: 2015
Disciplina: Engenharia Elétrica
Banca: FCC
Orgão: TRT-3
De acordo com as disposições da NR-10, uma empresa que não opera em instalações do sistema elétrico de potência, que tem estabelecimento único com carga instalada de 100 kW, deve manter e constituir
 

Provas

Questão presente nas seguintes provas
759072 Ano: 2015
Disciplina: Engenharia Elétrica
Banca: FCC
Orgão: TRT-3
Considere as características de partida de uma lâmpada a vapor de mercúrio apresentadas no gráfico abaixo.

enunciado 759072-1

A tensão nominal aproximada da lâmpada, em V, e o tempo necessário, em minutos, para que ela entre em regime permanente após ligada a chave que a comanda, são, respectivamente,
 

Provas

Questão presente nas seguintes provas
759071 Ano: 2015
Disciplina: Engenharia Elétrica
Banca: FCC
Orgão: TRT-3
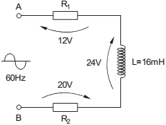
Atenção: Para responder à questão, considere o circuito abaixo onde todas as tensões representadas são valores RMS.

enunciado 759071-1

enunciado 759071-2

A potência ativa, em W, é, aproximadamente:
 

Provas

Questão presente nas seguintes provas
759070 Ano: 2015
Disciplina: Engenharia Elétrica
Banca: FCC
Orgão: TRT-3
Atenção: Para responder à questão, considere o circuito abaixo onde todas as tensões representadas são valores RMS.

enunciado 759070-1

A tensão VAB, em (VRMS), é, aproximadamente:
 

Provas

Questão presente nas seguintes provas