Foram encontradas 517 questões.


Indique a opção em que as palavras exprimem uma opinião do autor ou seu posicionamento diante do fato relatado.
Provas


Assinale a opção em que a palavra à esquerda NÃO se refere ao trecho à direita.
Provas


O período "Quando alguém tem compromisso com a excelência, realiza seu trabalho com sucesso, o que o leva a alcançar os resultados desejados." (l. 8-11) é adequadamente reescrito, sem alteração do sentido em:
Provas


No texto, o conceito básico de sucesso relaciona-se a:
Provas
- Elementos OrçamentáriosReceita OrçamentáriaClassificação da Receita OrçamentáriaClassificação por Natureza da Receita
"Receita derivada que o Estado arrecada mediante o emprego de sua soberania, nos termos fixados em lei, sem contraprestação diretamente equivalente, e cujo produto se destina ao custeio das atividades gerais ou específicas que lhe são próprias".
Essa é a definição de:
Provas
Ao final de um exercício social, uma empresa apresentou as seguintes informações parciais de seu Balanço:

Fazendo a análise vertical em 2006, é correto afirmar que as disponibilidades apresentam, em relação aos ativos correntes, uma participação de:
Provas
Considerando-se o gráfico do ponto de equilíbrio, quanto mais afastado para cima estiver o volume de receitas atuais da empresa em relação ao seu ponto de equilíbrio, tanto maior será sua:
Provas
A Contabilidade é o instrumento que oferece um máximo de informações úteis e que tem como importância maior:
Provas
Freqüentemente, em sistemas de potência, a operação de proteção convencional permite o retorno a um Estado Operacional Satisfatório, sem ajuda de qualquer outro recurso. Porém, dada a severidade das perturbações, faz-se necessária a atuação de EPS (Esquemas de Proteção de Sistemas). Diante de uma redução significativa de tensão, o EPS deve atuar de modo a:
Provas

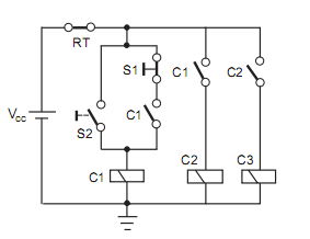
A figura acima apresenta o diagrama elétrico de controle para o acionamento de três máquinas trifásicas, comandadas pelos contatores C1, C2 e C3. As chaves S1 e S2 são do tipo sem retenção. A ação de acionar uma chave significa apertá-la e soltá-la em seguida. Suponha, inicialmente, que os contatores estejam desenergizados e que o operador então aciona a chave S2. Após uma hora, o operador retorna ao quadro de comando e aciona a chave S1. Considerando o funcionamento do sistema em condições normais, após o transitório, o(s):
Provas
Caderno Container