Foram encontradas 120 questões.
Considerando a função de transferência de um sistema de controle dada por !$ H(s)={2(s-2)\over{(s+2) (s+4)}} !$ , em que s corresponde à variável complexa utilizada na transformada de Laplace, julgue o item subsecutivo.
A resposta ao impulso desse sistema é h(t) = -4e-2t + 6e-4t para t !$ \ge !$ 0.
Provas

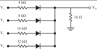
A figura acima mostra um esquema de conexão de componentes eletrônicos para formar um conversor D/A. A tensão de entrada (tensão VCC), aplicada quando um nível lógico está no estado 1, corresponde a valor igual a +5 V. Os níveis lógicos D0, D1, D2 e D3 são associados às entradas V0, V1, V2 e V3, respectivamente. Com base nessas informações e considerando que os diodos no circuito são ideais, julgue o item a seguir.
Se o nível lógico das entradas D0 e D1 for 1 e o nível lógico das demais entradas for 0, então a tensão Vs será superior a 7 mV.
Provas

A figura acima mostra um esquema de conexão de componentes eletrônicos para formar um conversor D/A. A tensão de entrada (tensão VCC), aplicada quando um nível lógico está no estado 1, corresponde a valor igual a +5 V. Os níveis lógicos D0, D1, D2 e D3 são associados às entradas V0, V1, V2 e V3, respectivamente. Com base nessas informações e considerando que os diodos no circuito são ideais, julgue o item a seguir.
O circuito corresponde a um conversor D/A construído com base em uma rede R-2R.
Provas
Provas
Provas
Provas
- Organização AdministrativaAdministração IndiretaAutarquias, Agências Reguladoras e Executivas
- Organização AdministrativaEntidades Paraestatais e o Terceiro Setor
Provas

Julgue os seguintes itens, relativos às ideias e aos aspectos semânticos do texto apresentado.
Provas
Provas
Provas
Caderno Container