Foram encontradas 120 questões.
Provas
As figuras I e II abaixo ilustram, respectivamente, um esquema de ligação de motores monofásicos com seis terminais e tensão de alimentação de 220 V, e um esquema utilizado para motores com tensão de alimentação de 110 V.

Provas
Provas
O motor trifásico com freio, também conhecido como motofreio trifásico, é constituído de um motor trifásico de indução acoplado a um freio com disco. O freio é ativado por um eletroímã cuja alimentação é fornecida por uma fonte de corrente contínua constituída por uma ponte retificadora, alimentada diretamente pela rede elétrica local. Os motofreios dividem-se em três categorias, de acordo com a velocidade da frenagem. A figura abaixo ilustra um sistema de ligação para frenagem rápida.

Provas
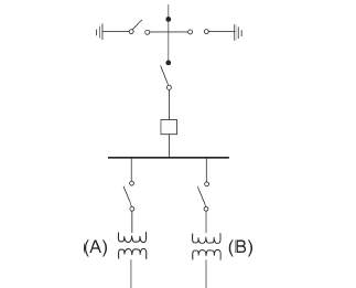
Na situação mostrada na figura abaixo, que ilustra uma subestação com esquema do tipo barramento simples, caso o transformador B apresente defeito, ocorrerá um desligamento completo da subestação, mesmo que o transformador A esteja operando corretamente.

Provas
Provas
Provas
Provas
Provas
Provas
Caderno Container