Foram encontradas 80 questões.
Tendo como base a Conexão Darlington com o uso de transistores, analise as afirmativas abaixo e dê valores Verdadeiro (V) ou Falso (F).
( ) São utilizados para podermos controlar as correntes elevadas de motores e outras cargas.
( ) Um único transistor, (os de potência em geral), possui um baixo ganho de corrente. Para elevar esse ganho, podemos utilizar dois transistores em conexão Darlington.
( ) A forma correta de construção desta conexão é o uso de dois transistores, um NPN e, o outro, obrigatoriamente em PNP.
Assinale a alternativa que apresenta a sequência correta de cima para baixo.
Provas
Sobre os circuitos conhecidos como retificadores de onda AC / DC, assinale a alternativa correta.
Provas
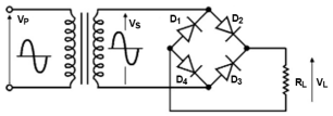
Baseado na figura, analise as afirmativas a seguir e dê valores Verdadeiro (V) ou Falso (F).

( ) A corrente em RL circula de baixo para cima.
( ) O circuito trata de um retificador de onda completa com ponto neutro.
( ) Nesse circuito, a polaridade da tensão do secundário do transformador acompanha a polaridade da tensão do primário.
Assinale a alternativa que apresenta a sequência correta de cima para baixo.
Provas
As vezes não é possível extrair dependências de rede sem a inclusão de atividades . Essas atividades são representadas por uma linha pontilhada e que não consomem recursos nem precisam de tempo. Elas são adicionadas à rede, simplesmente para completar a lógica.
Assinale a alternativa que preencha corretamente a lacuna.
Provas
Baseado na ANVISA, temos uma classificação feita de acordo com os riscos do uso de cada equipamento médico que possa ser utilizado, desde termômetros até aparelhos de ultrassom ou equipamentos de soro. A classificação se torna necessária para que se possa determinar quais as documentações que cada equipamento deverá ter. Esta classificação se divide em:
- Classe I: equipamentos de baixo risco;
- Classe II: equipamentos de médio risco;
- Classe III: equipamentos de alto risco;
- Classe IV: equipamentos de máximo risco.
De forma complementar à classificação de risco temos as regras em que os equipamentos devem se enquadrar e estas regras têm a finalidade de diferenciar se o produto é invasivo, não invasivo, ativo. O total de regras estabelecidas somam o total de .
Assinale a alternativa que preencha corretamente a lacuna.
Provas
A resolução é um regulamento destinado aos estabelecimentos assistências de saúde que dispõe de normas técnicas voltado para o planejamento, elaboração e aprovação dos projetos físicos.
Assinale a alternativa que preencha corretamente a lacuna.
Provas
No que diz respeito à gestão de pessoal e as normas previstas na Resolução nº 63 de 2011 da Diretoria Colegiada da Agência Nacional de Vigilância Sanitária, assinale a alternativa correta.
Provas
Com relação ao disposto na Lei Geral de Proteção de Dados (Lei nº 13.709/2018), assinale a alternativa que não apresenta uma sanção prevista na lei.
Provas
Acerca da Responsabilidade e do Ressarcimento de Danos previstos na Lei Geral de Proteção de Dados (Lei nº 13.709/2018), analise as afirmativas abaixo e dê valores Verdadeiro (V) ou Falso (F).
( ) O juiz, no processo civil, poderá inverter o ônus da prova a favor do titular dos dados quando, a seu juízo, for verossímil a alegação, houver hipossuficiência para fins de produção de prova ou quando a produção de prova pelo titular resultar-lhe excessivamente onerosa.
( ) Os agentes de tratamento serão responsabilizados ainda que provem que, embora tenham realizado o tratamento de dados pessoais que lhes é atribuído, não houve violação à legislação de proteção de dados
( ) O controlador ou o operador que, em razão do exercício de atividade de tratamento de dados pessoais, causar a outrem dano patrimonial, moral, individual ou coletivo, em violação à legislação de proteção de dados pessoais, é obrigado a repará-lo.
Assinale a alternativa que apresenta a sequência correta de cima para baixo.
Provas
De acordo com a Lei Geral de Proteção de Dados (LGPD – Lei nº 13.709/2018), assinale a alternativa que apresenta corretamente a definição de uso compartilhado de dados.
Provas
Caderno Container