Foram encontradas 80 questões.
No Pacote da Microsoft Office inclui vários tipos de aplicativos com funcionalidades específicas tais como:
(1) Banco de Dados.
(2) Compactador de Arquivos.
(3) Correio Eletrônico.
Da relação apresentada:
Provas
Quanto ao editor de apresentação PowerPoint, analise as afirmativas abaixo e assinale a alternativa correta.
(1) O limite máximo de criação de slides do PowerPoint é de 64 slides.
(2) A extensão padrão dos arquivos criados no PowerPoint é “.ppp”.
Provas
Com base no editor de planilha Excel abaixo assinale a alternativa que apresenta o resultado da fórmula: =(C2/B2-A1+C1)*A2
A | B | C | |
1 | 3 | 5 | 4 |
2 | 1 | 2 | 6 |
Provas
- InternetNavegadores (Browsers)Aspectos Básicos dos Navegadores
- InternetNavegadores (Browsers)Google Chrome
No Google Chrome, ao querer diminuir as chances de serem rastreadas por terceiros a navegação pela Internet, não manter registros das atividades e poder navegar na Web com privacidade usa-se o modo denominado tecnicamente de:
Provas
- Nocões BásicasSoftwareExtensões de Arquivos
- InternetMecanismos de Busca
- EscritórioMicrosoft OfficePowerpoint
O comando a ser usado, na Ferramenta de Busca do Google, para que venham somente arquivos que tenham o nome "resultado" e especificamente com a extensão PPT, deverá ser:
Provas
Avalie o circuito a seguir, tendo como referência os seguintes dados:

Com base nos dados apresentados o Izmax no circuito vale:
Provas
Quando tratamos de semicondutores, tem que conhecer o que se chama Resistência Térmica, ou seja, é dado esse nome à dificuldade apresentada por um corpo em conduzir calor. Na Eletrônica podemos simbolizar por Rth, e sua unidade de medida, no Sistema Internacional de Medidas é .
Assinale a alternativa que preencha corretamente a lacuna.
Provas
Sobre o dispositivo TRIAC, assinale a alternativa incorreta.

Provas
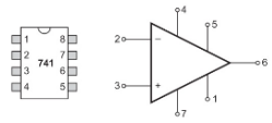
Analise a figura abaixo que representa um amplificador operacional de muito uso em circuitos. A sua entrada de ajuste de tensão de offset está representada no pino.

Assinale a alternativa correta.
Provas
Em uma rede PERT, o menor tempo necessário para concluir todas as atividades na rede é chamado de:
Provas
Caderno Container